时间:2023-04-10 10:21
人气:
作者:admin
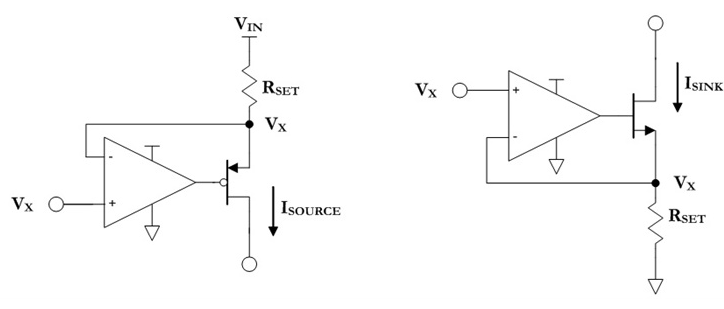
电流源和灌电流是模拟设计的重要组成部分,从有源模拟电路的简单偏置到电流电容积分器复位和振荡器架构。用于实现电流源和灌电流的便捷拓扑利用由运算放大器驱动的场效应晶体管(FET)根据小串联电阻的反馈产生电流。图 1 描述了此拓扑。

图 1:反馈产生的电流源和灌电流电路
如图1所示,两个电路都使用负反馈来强制R两端产生电压设置电阻,产生以下源电流和灌电流(公式1和2):

为了使这些电流以直流形式提供,上述公式1和公式2中的分子必须是恒定的。实现此目的的最简单方法是使用并联基准电压源,如图2所示。

图 2:反馈产生的电流源和灌电流电路
请注意,在图 2 中,R林电阻用于降低过多的输入电压并限制通过基准电压源的电流。此外,阴极基准连接可调基准电压源(例如 LMV431)强制反馈电压达到其最小值,这提供了一个重要的优势,我将在后面探讨。等式1和2现在可以改写为:

等式3和4可以组合(因为它们是相同的),并重写为等式5以求解R的值设置需要产生任意源电流或灌电流,I设置:

这种拓扑的输出电压范围受到必须在FET和R两端保持的裕量的限制设置电阻器。这就是最小化强制反馈电压的原因——最小化强制反馈电压可使有效输出电压范围最大化。等式6和7描述了有效输出电压区域内外的电流源和灌电流行为。

内部V裁判任何可调基准电压源的电压源约为1.24V。该特定电压通过带隙基准电压源产生,最终将定义该拓扑的整体极限。为了演示,图3是R的吸电流特性(包括线性压差)示例设置值为 124Ω。

在这种拓扑中,用双极结型晶体管(BJT)代替FET可能会导致裕量要求略高,尽管最终这种替代的行为应该几乎相同。
理想电流源是电路理论中的基本要素。虽然任何物理实现总是达不到理想水平,但了解这些缺点背后的机制是有价值的,这样就可以减轻或避免它们。在这种拓扑结构中,我们已经看到了输出电压范围如何影响输出电流,以及基准电压选择在最小化输出电流方面所起的重要作用。
审核编辑:郭婷
龙腾半导体SGT MOSFET LSGT085R018在智慧农业无