时间:2023-04-10 10:25
人气:
作者:admin
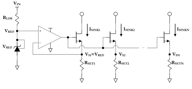
如本系列上一篇文章所述,使用运算放大器反馈和基准电压源产生任意幅度的直流电流是一个简单明了的过程。但是,假设有必要生成任意数量的电流汇(或源),例如N个,每个汇(或源)都有自己的任意大小;也许是为了偏置一些复杂模拟电路的各个阶段。虽然基准电压的产生只需要一次实现,但重复灌电流的整个反馈部分可能会占用大量成本和设计面积。因此出现了一个问题:是否有可能使用单个反馈源来实现这样的偏置网络?答案是肯定的 — 尽管它变得有些复杂并且必须满足某些条件 — 并且此网络(仅用于此分析的接收器)如下面的图 1 所示。

图 1:吸电流网络
最终,MOSFET、VS 和 RSET 电阻的源电压决定了每个磁路的灌电流;通过移除外水槽支腿的反馈(即,对于所有 N > 1),VSN 的直接控制已经丢失。因此,必须仔细选择RSETN,以产生所需的任意第N个桥臂灌电流ISINKN。检查上面的图1,可以很容易地推导出一个方程,该方程定义了偏置网络第N条腿中的电流与第一个分支中的电流之比:

重新排列公式1以求解R1与RN电阻比MRN,得到:

那么偏置网络第N支路VSN中的MOSFET源电压是多少?考虑在饱和区域工作的NMOS的漏极电流方程:

需要注意的是,信道宽度调制的影响在这里可以在很大程度上忽略。这是因为漏极电压增加导致漏极电流的任何增加都会在R两端下降设置电阻,导致源电压升高。为了使 MOSFET 保持任何电流,栅极电压必须大于源极电压和阈值电压之和。也就是说,对于固定栅极电压,源极电压最终被箝位到至少低于它的阈值压降,并且漏极电压增加多少都不会增加漏极电流。因此,建立的运行条件即R设置必须足够大,以确保此夹紧允许做出以下假设:

那么栅极驱动到阈值电压差VGT是多少?这最终取决于偏置网络第一条腿的反馈;它本质上是维持所需ISINK1电流所需的电压:

在公式11中重新排列项后,可以确定VGT的方程:

将等式13代入等式10得到:

最后,电阻比MRN可以单独写为MIN的函数(以及偏置网络器件的一些物理常数),如下所示:

现在,已经推导出了模拟RSET电阻比的方程;可以探讨它对产生具有任意幅度的偏置电流网络的影响。
审核编辑:郭婷
龙腾半导体SGT MOSFET LSGT085R018在智慧农业无