时间:2023-04-10 10:31
人气:
作者:admin
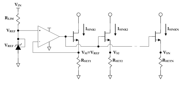
在本系列的上一篇文章中,推导出了一个方程来描述第 N 个 R 的比率设置电阻在下面的图1中。

图 1:吸电流网络
该等式同样如下:

那么,关于等式1可以说些什么呢?首先,对于最小值比率为 1,相应的 MRN 比率也将是 1,正如预期的那样。其次,对于 MIN 大于 1 的值,请注意,等式 1 分母的两个项具有不同的符号。这意味着根据所涉及的某些物理量(Kn,RSET1,VREF),MRN可以变得任意大。因此,应避免使用该区域,而应支持最小值≤ 1 区域;也就是说,通过确保所有 N 的 ISINKN 小于或等于 ISINK1。
请注意,允许公式1中根项的分母(Kn、RSET1、VREF乘积)变大会导致MRN和MIN在极限中呈1:1线性关系。最终,VREF和RSET1可以采用的可用值范围将受到水槽所需裕量的限制;尽管值得注意的是,对于固定的ISINK1值,增加VREF也需要增加RSET1。产品中的最后一个变量 Kn 是 MOSFET 的过程跨导,可以通过器件选择实现最大化。Kn对MRN,MIN关系(跨越五十个Kn值)线性的影响如下图2所示。

图 2:不同过程跨导范围内的电阻比与电流比
跨导过程因其依赖于载流子迁移率、氧化物介电常数和氧化物厚度(μ, εox, tox) - 所有材料和工艺属性:

但是,它也取决于器件的W/L比,因此通常较大的器件将导致公式1中的线性行为越来越强。虽然大多数数据表不包括Kn,但它可以通过一个常见的数据表参数(正向跨导)计算,通常列为gm或gFS:

因此,使用公式7可以为偏置网络选择最佳的MOSFET器件。此外,获得该值后,可以在公式1中使用它来计算(更准确地)所需的R塞特恩电阻值以产生所需的I沉没电流。
需要注意的是,公式1倾向于高估最小值≤1区域的RSETN电阻;也就是说,它会导致电流低于所需值。然而,理想的晶体管外壳(MIN=MRN)总是会低估该区域的RSETN电阻。因此,计算这两个值最终将绑定所需的确切值。 考虑两个随机选择的NFET,N沟道MOSFET A和N沟道MOSFET B,如表1所示,它们分别列出了5.5A/V2(ID=9A)和15A/V2(ID=31A)的gFS值。假设这些用于实现 1/4 的最小比率;校正后的RSETN和MRN比率使用下表1中的公式1(以及一些简单的设计值)计算。

表 1:MIN=1/4 时的电路参数以及计算的 RSETN 和 MRN
使用上面列出的N沟道MOSFET B的条件,图3显示了图1电路的TINA-TI仿真结果,该仿真采用根据理想情况(这些条件下为5Ω)、校正情况(公式1)和这两者的平均值计算的RSETN值。

图 3:理想值、校正值和平均 RSETN 值的灌电流与漏极电压的关系
使用 N 沟道 MOSFET A 和 N 沟道 MOSFET B 以及三个 R 的仿真结果塞特恩值(如上所述)与相应的百分比误差计算汇总在下面的表 2 中。

表 2:RSETN 计算方法和得出的精度
最终,只要满足某些条件,就可以使用单个反馈器件来推导出任意值的偏置网络:特别是初级反馈驱动支路中的电流是网络中最大的,并且每个支路都保持适当的裕量。因此,从单个基准电压源建立偏置网络。
审核编辑:郭婷
龙腾半导体SGT MOSFET LSGT085R018在智慧农业无