时间:2023-03-28 14:17
人气:
作者:admin
在工业传感领域中,仪表放大器应用最为广泛,相比通用放大器,它的输入阻抗高,抗共模干扰强,在强噪声环境下,能保证放大电路的增益与精度,然而需要注意仪表放大器的工作电压配置方式比较复杂。本篇讨论仪表放大器特性与有效工作电压配置方法。
仪表放大器定义与特性
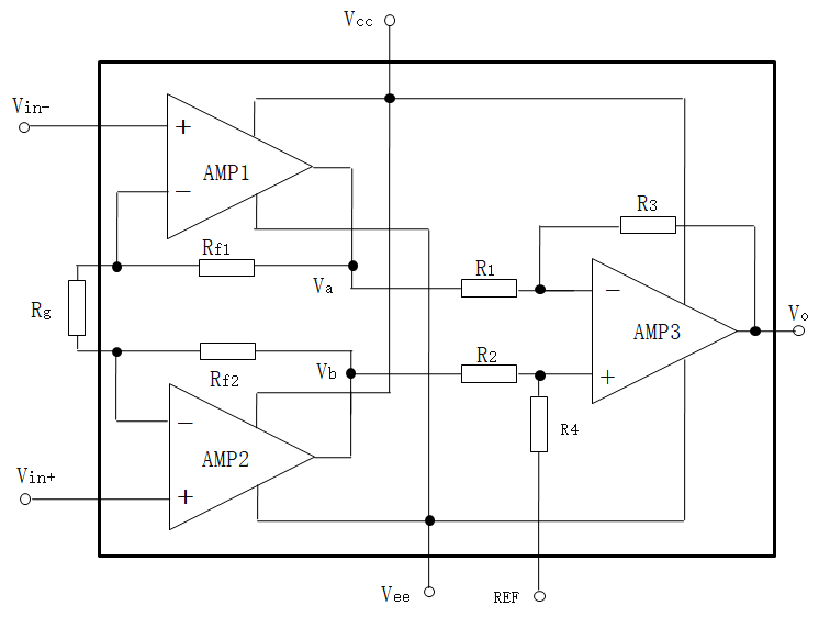
仪表放大器(instrumentation amplifier,INA)典型结构如图3.1,内部由3个放大器组建而成。第一级由两个放大器(AMP1,AMP2)组建同相放大电路,实现高阻抗差分输入,内置反馈电阻Rf1,Rf2,与外部配置电阻Rg调节增益。第二级使用一个放大器(AMP3)组建差动电路,R1、R2、R3、R4是经过校准的高精度匹配电阻。另外,通过REF脚调节输出电压的参考。

图3.1 仪表放大器结构
仪表放大器输入阻抗通常为GΩ等级。如图3.2,AD8421的共模、差模输入阻抗都为30GΩ。

图3.2 AD8421输入特性
仪表放大器的增益配置通过内部Rf1,Rf2与外部Rg阻值实现,由于每款仪表放大器内部反馈电阻的阻值不同,需要通过数据手册确认。如图3.3,AD8421的增益为式3-1。

增益电阻Rg,满足式3-2。


图3.3 AD8421引脚功能描述
仪表放大器的基准引脚用来调节输出信号的参考电压。如图3.1,基准引脚REF在电阻R4的一端,R4通常为KΩ级。为获得最佳性能,在驱动基准引脚时,不能使用电阻器分压直接驱动,而是在电阻器输出增加放大器做缓冲,再提供到基准引脚,如图3.4。

图3.4AD8421基准引脚驱动方式
仪表放大器有效工作配置
仪表放大器、差分放大器的用途是将输入差模信号进行放大,但是只关注的差模信号,忽略共模信号就会发生问题。
2017年11月初,一位测量领域的工程师反馈问题,他使用AD8221数据手册推荐电路,如图3.5(a)。将±10V单端信号转为+5V差分信号驱动一款∑Δ型ADC。测试中,使用信号源产生幅值为1V的直流信号作为激励与电路连接,AD8221电路输出信号如图3.5(b)。
工程师希望使用该电路实现万用表的电压测量功能,检测指定范围内任意两点的电压,目前这个电路不能工作。了解到这里,笔者让工程师查看测量电路与信号源是否存在共地端?答案是没有,信号源与AD8221两个输入端相连接,除此以外没有任何电气连接。

图3.5 AD8221应用电路与测试情况
笔者帮助工程师分析仪表放大器的模型如图3.1,放大的差模信号Vdiff是两个输入端以地电位为参考的电压之差,如式3-3。

这两个输入端都存在共模信号,等于两个输入端对地电压的平均值,如式3-4。

仪表放大器电路第一级放大器的输出电压Va,Vb分别为式3-5、式3-6。

当差模信号与共模信号在输入范围内,仪表放大器才能正常工作,输出电压Vo为式3-7。

目前测试电路的问题在于两个输入信号没有参考电位,所以建议将AD8221的一个输入端与电路板的地电位连接,工程师修改后电路正常工作。
该案例判断中AD8221仪表放大器的输入信号、输出信号是否在有效范围内的办法是使用钻石图。在指定增益,与指定供电电压范围内,输入共模电压与输出电压范围的有效区间。如图3.6(a),AD8221电路增益为1倍,供电电压为±5V时,输入共模电压和输出电压在绿色阴影区,电路有效工作。当供电电压为±15V时,输入共模电压和输出电压在红色阴影区,电路有效工作。如图3.6(b),AD8221电路增益为100倍,供电电压为±5V时,输入共模电压和输出电压在蓝色阴影区,电路有效工作。供电电压为±15V,输入共模电压和输出电压在紫色阴影区,电路有效工作。

图3.6 AD8221钻石图
数据手册通常提供部分典型的供电电压值的钻石图,这无法满足工程师多样的需求,给工程师的设计工作带来很多不便。所以在此推荐一款在线评估工具,笔者已经使用该工具帮助过20余位工程师快速找出设计问题。建议在设计之初,使用工具进行评估。
如图3.7为ADI公司精密信号在线设计工具界面,选择“IN AMP”,进入仪表放大器配置窗口,如图3.8(a)。通过选项1选择需要评估的器件AD8221,然后在选项2配置为差分输入架构,接下来配置供电电压±Vs为±10V,参考电压源VREF为0V,增益Gain为100,输入共模电压Vcm为±5V,输入差模电压Vdiff为±50mV,该电路配置状态下的钻石图如图3.8(b),在25℃条件下,输出电压Vout与输入共模电压Vcm形成的区域(红色阴影区)没有受到限制,电路正常工作。

图3.7 精密信号链设计工具

图3.8 AD8221有效工作配置
如图3.9,当输入共模电压调整为±6V,使用该配置的电路会出现故障提示,AD8221内部节点电压受到供电电压限,以及整改方式,包括:
(1)缩小输入信号范围。
(2)增大AD8221供电电压。
(3)降低AD8221增益。
(4)替换器件。

图3.9 AD8221 异常工作配置
综上,仪表放大器的工作电配置与通用放大器的工作电压配置有很大不同,所以,如果不结合输入差模信号,共模信号、参考源电压(含驱动方式)这些因素综合考虑,电路可能会难以正常工作。
上一篇:探讨失调电压的影响方式及产生原因
龙腾半导体SGT MOSFET LSGT085R018在智慧农业无