时间:2023-03-20 10:32
人气:
作者:admin
工程师们一直在努力寻找更有效、更高效且成本更低的解决方案。当需要对模拟输出进行非常精确的控制时,系统设计人员通常使用精密数模转换器(DAC)。需要精确控制辅助功能的设计通常还需要结合使用分立式模拟元件和微控制器(MCU)来控制DAC的输出。
选择合适元件、编写软件并确保系统可协调工作的过程不必非常复杂,即使在实现基本功能时也是如此。在本文中,我将探讨如何使用智能DAC这一新型器件在降低成本和缩短开发时间的同时提高系统性能。
智能DAC是出厂可编程的精密DAC,具有集成的非易失性存储器(NVM)、可编程状态机逻辑、脉宽调制(PWM)发生器和内置的自定义波形发生器。由于智能DAC无需使用软件,因此可以填补DAC电路、MCU电路以及使用精密电阻器、电容器和电感器等元件构建的离散型电路之间的差距。
在以下几种用例中,您可以借助智能DAC使用更少的系统资源来执行简单的功能,从而节省时间和系统成本。
无需软件即可实现可靠的加电和基本的可编程性
基于软件的MCU设计虽然对某些汽车和工业设计中的主要监视和控制应用非常有用,但在设计仅需要辅助电压裕量、偏置或微调的次级应用或子系统时,却需要过多的资源。诸如照明控制之类的应用仅需要一个简单的感测控制反馈回路。另一个示例是实现电器的常见功能,即当微波炉或冰箱的门打开时,里面的灯会亮。由于这是一项需要较少资源即可实现的简单功能,因此智能DAC可以提供帮助。
图2显示了具有集成NVM的智能DAC。借助在系统生产期间将寄存器设置存储在存储器中的功能,您可以在存储器中对智能DAC的加电状态进行编程。符合汽车电子委员会Q100标准的智能DAC可以在125°C的工作温度下将存储记忆保留20年之久,因此非常适用于汽车和工业应用,例如汽车日间行车灯的多斜率热折返,或航空航天和国防系统中的陆地和移动无线电。

图2:具有NVM的DAC53701方框图
生成定制输出
智能DAC同样适合需要生成PWM的应用,例如内置可配置的模拟至PWM占空比转换或通用输入 (GPI) 至PWM转换的远程故障管理。与MCU或基于计时器的解决方案(如555计时器)不同,智能DAC不需要研发时间或其他容易出现温漂的分立式元件。图3显示了使用10位电压输出DAC53701智能DAC进行温度至PWM转换的示例,其中PWM输出的脉冲宽度会随温度变化而调整。您可以在技术文章“使用智能数模转换器生成脉宽调制信号”中了解其他PWM应用。

图3:DAC53701会根据温度变化调整PWM输出
您还可以在患者监护系统中生成音调时实现这些波形,在此类系统中,智能DAC可通过提供预配置图形和基于通用输入/输出(GPIO)的触发功能来生成医疗警报。我们的“揭开医疗警报设计的神秘面纱,第1部分:IEC60601-1-8标准要求”系列对此主题进行了更详细的介绍。
生成LED淡入、淡出和热折返
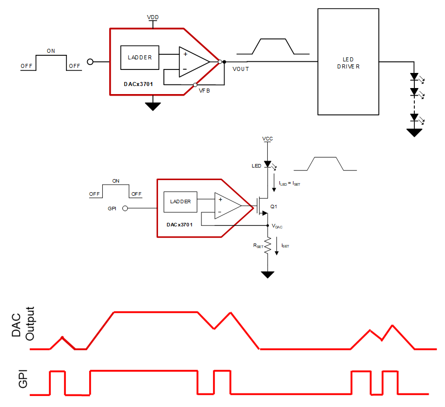
在电器和车辆的照明应用中,智能DAC可生成淡入和淡出信号,从而提供数字输入触发和可编程计时。设计人员可以通过重新编程NVM来构建模块化系统并在各个电路板上进行LED亮度等调整,从而减少开发时间和成本。
LED可靠性与工作温度成反比,为了提高LED的使用寿命,必须进行主动热折返以改善热管理。汽车照明中的日间行车灯(DRL)可一直打开,并在白天暴露于日光下。此时需要通过热折返来更大限度地延长LED寿命,而智能DAC可通过内置特性帮助简化系统设计。
图4显示了电路以及GPI输入和DAC输出之间的关系,以及如何由GPI直接控制DAC输出的上升和下降以产生转向的LED淡入或淡出。电器通常使用传感器来确定门处于打开还是关闭状态,GPI将其表示为高电平或低电平。

图4:电器淡入和淡出信号的GPI脉冲时间与DAC输出斜坡时间的关系
作为可编程比较器
在家电、医疗设备、零售自动化和其他工业应用中,智能DAC还能作为可编程比较器,提供可编程迟滞或输出锁存功能,并有助于简化故障管理软件和减小电路板尺寸。
图5显示了可编程迟滞和锁存比较器功能,以及如何在存储于NVM中的高裕度和低裕度值设置的阈值范围内跟踪DAC输出。
对于可编程迟滞,如果输入超过高裕度值,则GPI将切换为低电平。如果跟踪的值继续下降到低于高裕度值,则GPI不会发生任何变化。直到该值下降至低裕度值以下,将导致GPI触发高电平。这可用于在给定值超出有限范围时发出警报。对于锁存比较器实现,反馈电压仅需小于VDD(因为运算放大器由VDD供电),因此如果锁存为高电平,则输出将再次变为低电平。

图5:智能DAC作为可编程比较器,具有迟滞和锁存比较器
结束语
如这些用例所示,智能DAC可用简单的单芯片解决方案代替分立式模拟电路和MCU,从而帮助您设计独立的电路,这会节省时间并降低系统成本。使用此预过滤产品搜索功能来探索TI的智能DAC产品系列。
审核编辑:郭婷
下一篇:浅析几种常见的PFC拓扑
龙腾半导体SGT MOSFET LSGT085R018在智慧农业无