时间:2023-03-20 11:08
人气:
作者:admin

最基本的有桥boost PFC电路
有桥boostPFC电路是最基本的电路,就不叙述了。

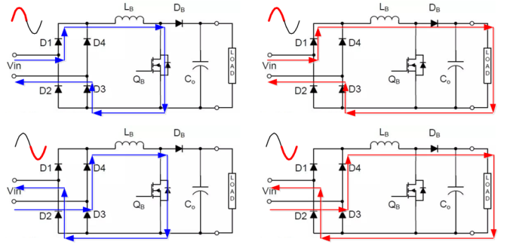
双Boost无桥PFC
双boost无桥拓扑的优点是使用功率元件比较少, 两个管子可以一起驱动, 这简化了驱动电路的设计, 同时让直接使用传统APFC的控制芯片成为可能.但是这种拓扑必须使用两个电感, 电流流向有不确定性, 低频二极管和mos的体二极管可能同时导通, 增加了不稳定因素。

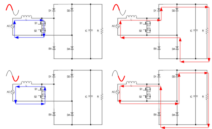
双向开关无桥PFC
S1和S2组成了双向开关, 他们可以同时驱动, 采用电流互感器可以很容易的检测电流, D1和D3为超快恢复二极管, D2和D4可以采用低频二极管。缺点在于整个电路的电势相对于大地都在剧烈变化, 会产生比标准无桥PFC更严重的EMC问题, 输出电压无法直接采样, 需要隔离采样(使用光耦, 但是会增加复杂度) 。

图腾柱PFC
D1和D2为低频二极管, S1和S2的体二极管提供高频整流开关作用。
这种电路具有较低的EMI, 使用元件较少, 设计可以很紧凑。
但是S1和S2需要使用不同的驱动信号, 工频周期不同信号也不一样, 增加了控制的复杂性, S2不容易驱动(可以尝试IR2110等自举驱动芯片) 。
S1和S2如果采用mos, mos的体二极管恢复较慢(通常数百ns)会产生较大的电流倒灌脉冲, 引起很大的损耗, 足以抵消无桥低损耗的优势。
S1和S2如果采用IGBT, 虽然其体二极管的性能没问题, 但是其导通压降比较大, 也会产生很高的损耗, 尤其是在低电压输入的情况下。
现在有一些国外公司在研制GaN和SiC高性能开关管, 开关速度极快, 没有体二极管反向恢复问题, 这些技术尚在研发中, 现在是在市场上见不到这些产品的. 如果未来这些高性能器件能大规模普及, 图腾柱PFC将有机会成为最流行最高效的PFC拓扑。

各个PFC拓扑的工作所需功率器件
上一篇:智能数模转换器科普
下一篇:H桥交流电压采样电路原理讲解
龙腾半导体SGT MOSFET LSGT085R018在智慧农业无