全球最实用的IT互联网站!
人工智能P2P分享搜索全网发布信息网站地图标签大全
buck电路的演变过程
阅读全文2023-09-25
高速电路信号完整性学习笔记1
英飞凌与英飞源携手开拓新能源汽车充电市场
国星光电联合佛照电工推出33W氮化镓墙插快充新
谈谈无线通信中的 “xBW”
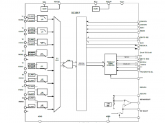
SC1467(兼容AD7606)在电力系统参数采集中的应用
大功率半导体激光器的几种散热方法
热敏晶振的原理特性和选型
阅读全文2023-09-23
通过数字孪生实现数据中心的可持续设计
氮化镓充电器为什么喜欢用贴片Y电容?
阅读全文2023-09-22
数字电压表设计教程之LTC2308数据手册解读
慧能泰负载开关HUSB305A产品介绍
德州仪器新型单级转换器助力微型逆变器
IGBT短路失效分析
CPU | 内存 | 硬盘 | 显卡 | 显示器 | 主板 | 电源 | 键鼠 | 网站地图
Copyright © 2025-2035 诺佳网 版权所有 备案号:赣ICP备2025066733号 本站资料均来源互联网收集整理,作品版权归作者所有,如果侵犯了您的版权,请跟我们联系。