全球最实用的IT互联网站!
人工智能P2P分享搜索全网发布信息网站地图标签大全
IDQ单光子探测器的工作模式简析
阅读全文2023-04-24
基于碳化硅的PIN紫外光电探测器仿真介绍
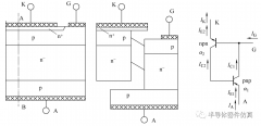
绝缘栅双极型晶体管IGBT工艺仿真
LTT光触发晶闸管的仿真建模
简述微波放大器的类型
梳状谱倍频简析
二极管和三级管倍频电路原理详解
射频放功率放大器基本概念
光纤放大器及其分类
文氏电桥振荡电路介绍
数字电压表设计教程之LTC2308数据手册解读
慧能泰负载开关HUSB305A产品介绍
德州仪器新型单级转换器助力微型逆变器
IGBT短路失效分析
CPU | 内存 | 硬盘 | 显卡 | 显示器 | 主板 | 电源 | 键鼠 | 网站地图
Copyright © 2025-2035 诺佳网 版权所有 备案号:赣ICP备2025066733号 本站资料均来源互联网收集整理,作品版权归作者所有,如果侵犯了您的版权,请跟我们联系。