全球最实用的IT互联网站!
人工智能P2P分享搜索全网发布信息网站地图标签大全
无源型低成本、小体积两线制4-20mA(0-20mA)电流
阅读全文2021-12-06
信号隔离器新品1:无源型直流单双向电压电流、
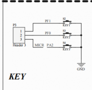
【RTT大赛作品连载】 按键滤波,按下,松手,长
ADI小型化数字式可调滤波器和Molex系列Wi-Fi和蓝牙
阅读全文2021-12-03
信号隔离器的基本原理
阅读全文2021-12-01
为什么控制系统需要信号隔离器
看,这就是调制解调原理分析!附仿真文件
先滤波还是先放大,这是一个问题!
将 A/D 转换器性能与应用相匹配(第一部分
阅读全文2021-11-30
什么是无源隔离器和无源信号隔离器?
数字电压表设计教程之LTC2308数据手册解读
慧能泰负载开关HUSB305A产品介绍
德州仪器新型单级转换器助力微型逆变器
IGBT短路失效分析
CPU | 内存 | 硬盘 | 显卡 | 显示器 | 主板 | 电源 | 键鼠 | 网站地图
Copyright © 2025-2035 诺佳网 版权所有 备案号:赣ICP备2025066733号 本站资料均来源互联网收集整理,作品版权归作者所有,如果侵犯了您的版权,请跟我们联系。