全球最实用的IT互联网站!
人工智能P2P分享搜索全网发布信息网站地图标签大全
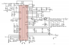
SPIsolator隔离器件的设计挑战
阅读全文2019-08-01
ADuM124x和ADuM144x系列数字隔离器
用于处理宽动态范围信号的CN0251信号调理电路
AD9625的性能优势以及功能的分析
滤波101:有源滤波器级的顺序
功率电感器商品被用于搭载电源电路各种用途
阅读全文2019-07-31
降压-升压型DC/DC控制器电路设计精选
22nm工艺下如何实现高效率低压大电流输出
AD400x系列产品可用于解决系统级的技术挑战
ADI数位预失真平台的线性演算法的展示
数字电压表设计教程之LTC2308数据手册解读
慧能泰负载开关HUSB305A产品介绍
德州仪器新型单级转换器助力微型逆变器
IGBT短路失效分析
CPU | 内存 | 硬盘 | 显卡 | 显示器 | 主板 | 电源 | 键鼠 | 网站地图
Copyright © 2025-2035 诺佳网 版权所有 备案号:赣ICP备2025066733号 本站资料均来源互联网收集整理,作品版权归作者所有,如果侵犯了您的版权,请跟我们联系。