时间:2019-07-31 14:42
人气:
作者:admin
如今,人们期望电池充电器能够容易地支持多种化学组成并接受众多的电压输入,包括广泛的太阳能电池板。输入电压范围覆盖到输出电池电压以上和以下的情况越来越常见,因而需要其兼具降压和升压能力 (降压-升压拓扑)。LTC4020 降压-升压型电源管理器和多化学组成电池充电控制器能接受 4.5V 至 55V 的宽范围输入,并产生高达 55V 的输出电压。其降压-升压型 DC/DC 控制器可向电池和系统提供高于、低于或等于器件输入的电压。
充电器可容易地针对多种电池化学组成进行优化。例如:其可遵循一种恒定电流 / 恒定电压 (CV/CC) 充电算法,采用 C/10 或定时终止 (针对基于镍的电池系统);一种采用定时终止的恒定电流 (CC) 特性;或者一种优化的 4 步、3 级铅酸电池充电模式。
用于 25.2V 电池浮动电压的 6.3A 充电器
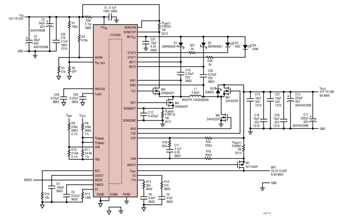
图 1 示出了一个 15V 至 55V 输入、25.2V/6.3A 降压-升压电池充电器,其具有一个高效率四开关 (M2~M5) 同步降压-升压型 DC/DC 转换器,仅需一个电感器 (L1)。专有的平均电流模式架构采用两个检测电阻器 (RCBRT1和 RCBRB1) 来监视电感器电流。在该降压-升压型解决方案中,当 VIN高于 VOUT 时,转换器在降压模式工作;当 VIN 低于 VOUT 时,转换器则工作在升压模式。当 VIN接近 VOUT时,转换器工作于四开关降压-升压模式。

图 1:15V 至 55V 输入、25.2V/6.3A 降压-升压型电池充电器

图 2:针对图 1 转换器的效率与负载电流 IOUT之关系曲线 (VOUT= 25.2V)
转换器以一个可编程的恒定开关频率运作,该频率处于 50kHz 至 500kHz 的范围内,采用一个电阻来设定 (R13 = 100k,250kHz)。图 1 示出的这款解决方案能够为系统负载提供高达 8A (VOUT= 25.2V)。如图 2 所示,满负载效率 (IOUT= 8A,VIN= 24V) 可达 98% 以上。
LTC4020 采用一个从 BAT 引脚引出的外部反馈电阻分压器以通过 VFB引脚来设置电池电压。PowerPath™(电源通路) FET (M1) 在正常电池充电期间处于导通状态,可能的情况下会在电池与降压-升压型转换器输出之间形成一种低阻抗连接。电池充电电流通过一个检测电阻 (RCBAT1) 来监视。最大平均电池充电电流可容易地通过选择 RCBAT1的阻值来设置。动态电流限值调整可以通过 RNG/SS 引脚实现。
利用 PowerPath FET 实现即时接通和理想二极管功能
对于一个严重放电的电池,LTC4020 能够自动地将 PowerPath FET (图 1 中的 M1) 配置为一个线性稳压器,从而允许降压-升压型转换器输出升至高于电池电压,同时仍然向电池提供充电电流。该功能被称为 PowerPath 即时接通,此时 PowerPath FET 充当一个高阻抗电流源,负责为电池提供充电电流。
当电池充电器不处于充电周期时 (即是降压-升压型转换器专为系统负载而运作),LTC4020 自动地把 PowerPath FET 配置为一个理想二极管。这允许电池在正常操作期间与转换器输出保持断接。然而,假如系统负载电流超过了降压-升压型转换器的供电能力,则可通过该理想二极管有效地从电池抽取额外的功率。
龙腾半导体SGT MOSFET LSGT085R018在智慧农业无