时间:2017-08-31 11:31
人气:
作者:admin
比较器看起来相当简单。它们比较两个信号电压,并相应地设置输出高电平或低电平。然而,如果两个输入信号电压非常接近,即使输入信号上的一点噪声也会导致输出在高低逻辑电平之间振荡。增加滞回是解决这个问题最简单的方法。
迟滞是指当系统输出时取决于它以前的状态。当增加滞回到比较器中时,高边开关阈值设置得越高,低边开关阈值设置得越低。也许您没有注意到这本质上是空调恒温器工作的原理。让我们花时间想一想,如果恒温器没有滞回:在最小的温度波动时,空调可能每隔几秒钟会循环开关,这将是噪声,低能效,并对空调产生负担。增加滞回到空调恒温器中,使系统能更高效地工作。
一些比较器有内置的滞回,通常约几毫伏。这对于某些应用可能是足够的,但其他情况可能需要增加外部滞回。增加外部滞回支持系统要求的特定的上升和下降阈值。
在比较器电路中通过正反馈实现滞回。这是少数几个正反馈发挥作用的实例之一!滞回不是有一个阈值点,而是创建不同的上升和下降阈值。这使得输出始终保持在低或高的状态,而不是振荡,即使输入信号在基准电压附近徘徊。通过正反馈增加滞回的比较器也称为施密特触发器。
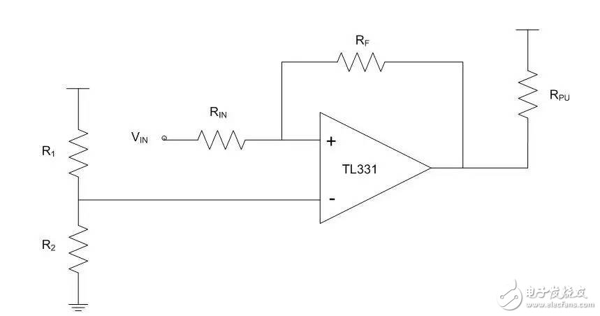
下面的例子所示为安森美半导体TL331配置为一个反相施密特触发器。L331是无内部滞回的单通道、低功耗、集电极开路的比较器。由R1和R2电阻创建的电阻分压器在非反相引脚上设置参考电压,在比较器输出开关处设置阈值电压。由于这是一个集电极开路的比较器,所以连接一个上拉电阻到输出。反馈电阻通过正反馈增加滞回。通常情况下,使用一个比较大的反馈电阻值,至少100 KΩ。

图1. 比较器配置为反相施密特触发器
对于这种反相配置,当输入信号低于阈值时,输出引脚为高,通过反馈电阻将阈值电压拉高。这样,输入信号上的小电压波动不会触发比较器输出开关,直到输入电压达到更高的、调整的、上升的阈值。一旦输入信号达到上升阈值,输出就会被拉低。这通过反馈电阻拉低阈值电压,使输出保持在低电平,直到输入电压降到较低的调整阈值电压以下。
非反相配置的工作方式与使用正反馈的方式相似。但在这种情况下,由电阻分压器设置的阈值电压不会随着反相配置的变化而变化。相反,反馈在非反相节点调节输入信号。

图2. 比较器配置为非反相施密特触发器
在这种配置中,当输入信号低时,输出拉低,导致非反相节点的电压降到更低。一旦输入信号足够高,以拉动非反相节点高于参考电压,输出拉高,从而将非反相节点拉得更高。
在图示的两个电路中,增加滞回只需要一个或两个外部电阻器,电阻值可以被调节到最适合特定应用的阈值。当设计用于比较器时,如果输入引脚上的电压有可能在相当长的时间内相互接近,那么增加滞回是减少由噪声对输入信号造成的问题的一种简单方法。
下一篇:运放中的那些坑——第二篇
龙腾半导体SGT MOSFET LSGT085R018在智慧农业无