时间:2023-03-15 17:18
人气:
作者:admin
超低电流消耗稳压器(附带待机功能)
XC6506 系列是CMOS工艺低电流稳压器IC,可实现 0.8 μA 的超低电流消耗。该IC由参考电压源、误差放大器、驱动晶体管、电流折返电路、相位补偿电路等组成。
XC6506系列低电流消耗仅为0.8μA,通过CE端子的ON/OFF功能使得待机电流为0.01μA,极大延长了电池的使用寿命,符合所有使用电池的小型设备的基本要求。
输出电流150mA,输入电压最高6V,输出电压1.2~5.0V(内部固定)可在较宽范围内设定并且工作温度环境对应105℃,XC6506的耐高温特点可广泛应用在需要低功耗并在高温环境下使用的工业应用上。
封装采用超小型底背的USPN-4(0.9 x 1.2 x h0.4 mm),低电流消耗和耐高温的特点,使得XC6506系列适用于所有配备电池的小型设备和备用电路。包括重视小型,省面积和电池寿命的物联网/移动/可穿戴设备,以及越来越小型化的工业应用。
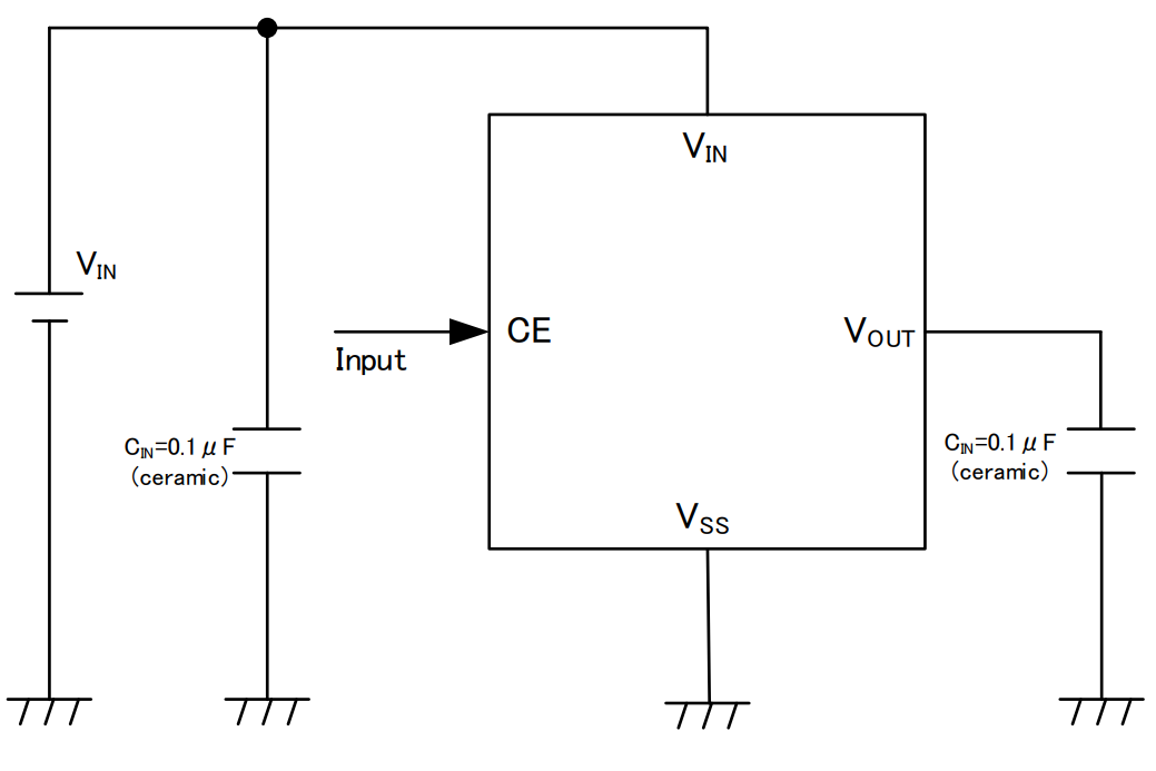
典型电路框图

封装
特点
| 工作电压范围 | 1.5V ~ 6.0V |
|---|---|
| 输出电压 | 1.2V ~ 5.0V (0.1V间隔) |
| 输出电压精度 |
±30mV (VOUT≦1.5V) ±2.0% (1.5V<VOUT) |
| 最大输出电流 | 150mA (300mA Limit) |
| 输入/输出电位差 | 360mV@ IOUT=100mA (VOUT=3.3V) |
| 低电流消耗 | 0.8μA |
| 待机电流 | 0.01μA |
| 功能 | 电流限制 |
| 输出电容 | 陶瓷电容 |
| 工作环境温度 | -40℃~105℃ |
| 环保相关 | 符合欧盟 RoHS 指令,无铅 |
应用
● 物联网设备
● 智能卡
典型性能特征

审核编辑:刘清
上一篇:LCR测试仪高级测量功能