时间:2025-06-23 10:34
人气:
作者:admin

在能源需求不断增长的时代,电力消耗逐渐从化石燃料转向可再生能源,低碳节能已成为全球优先事项。智能电网作为构建可持续、更高效能源未来的关键支撑,具备集成可再生能源、优化能源消耗和提高电网可靠性的能力。而双向储能模块则是智能电网的“灵活调节中枢”,能够确保各个环节之间电力的有效传输。
全球氮化镓工艺创新与功率器件制造领导者英诺赛科近日推出更高效、更节能的4kW双向PFC方案 ,凭借氮化镓低损耗、高速开关等优势,或将助力智能电网实现突破性收益!
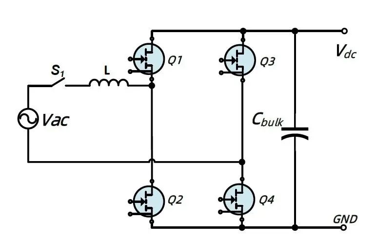
4kW双向PFC方案采用AC-DC无桥图腾柱PFC拓扑,设计紧凑,支持双向工作,内置英诺赛科合封氮化镓,峰值效率高达99.03%。
该方案内置4颗InnoGaN 合封器件 ISG6121TD,整个电源模块(不包括风扇和辅助电源)在整流230Vac测量的峰值效率为99.03%,逆变测试峰值效率98.95%。


ISG6121TD 是 SolidGaN 产品系列的一部分,该系列产品不仅具备分立式 GaNFET 的所有优势(关键任务应用中的长寿命可靠性、超低开关损耗和零 Qrr),还具备其他先进功能。

SolidGaN 的先进功能包括:
稳压 Vgs,可实现最佳的导通电阻 (Rdson) 和栅极节点可靠性
去饱和检测,用于短路保护
过温保护
米勒钳位,可实现可靠的关断
ISG6121TD 采用坚固耐用的 TO247-4L 汽车级热优化封装,并带有开尔文源极引脚。
ISG6121TD 的 Vdss 额定值为 700V,实际 BVdss 电压更高,导通电阻 (Rdson) 为 22mΩ(典型值 25C)。驱动引脚支持高达 27V 的 PWM 输入电压。
ISG6121TD 可以替代 IGBT 和 650V SiC MOSFET,具有显著更高的 PFC 效率,适用于 AI 数据中心高达 5.5kW 的高功率系统。
►场景应用图

►产品实体图

►展示板照片


►方案方块图

►核心技术优势
• 高效率(整流):99.03% @ 230Vac Vin
• 高效率(逆变):98.95% @ 230Vac Vout
• 高功率密度:65.6W/立方英寸
英诺SolidGaN 的先进功能包括:
• 稳压 Vgs,可实现最佳的导通电阻 (Rdson) 和栅极节点可靠性
• 去饱和检测,用于短路保护
• 过温保护
• 米勒钳位,可实现可靠的关断
►方案规格
正向整流参数规格:
• 输入电压:200-264V AC
• PFC整流工作频率:63kHz
• 输出电压:393V
• 输出功率:4000W max
逆变参数规格:
• 输入电压:375-425V DC
• PFC反向工作频率:63kHz
• 输出电压:230V
• 输出功率:4000W max
登录大大通网站查看原文,可下载Datasheet等技术文档!
原文链接:https://www.wpgdadatong.com.cn/reurl/67Fnay