时间:2023-09-12 13:12
人气:
作者:admin

参数说明
提示: 额定值请参照互感器铭牌数值设定。
额定一次电压:可根据需要设置数值:3.0KV-500KV。
额定二次电压:可根据需要设置数值:100V、100/√3V、100/3V、150V、220V。
Kpcf:准确级(误差极限),如互感器标有5P20,则“5”为准确级。
KALF:额定保护限制系数,如互感器标有5P20,则“20”为额定保护限制系数。
KSSC:额定对称短路电流倍数
Ktdn:额定暂态面积系数
T1、Tfr、T2 工作时间
Tpn:一次时间常数
Tsn:二次时间常数
参数:
项 目 | 参 数 | |
工作电源 | AC220V±10% 、50Hz | |
设备输出 | 0~220Vrms, 5Arms(20A峰值) | |
励磁测量精度 | ≤0.5%(0.2%*读数+0.3%*量程) | |
二次绕组 电阻测量 | 范围 | 0.1~300Ω |
精度 | ≤1%(0.2%*读数+0.3%*量程) | |
二次实际 负荷测量 | 范围 | 5VA~1000VA |
精度 | ≤0.5%(0.2%*读数+0.3%*量程)±0.1VA | |
相位测量 (角差) | 精度 | ±4min |
分辨率 | 0.01min | |
CT 变比测量 | 范围 | 1-10000 |
精度 | ≤0.05% | |
PT 变比测量 | 范围 | 1-10000 |
精度 | ≤0.5% | |
工作环境 | 温度:-10℃ ~ 40℃,湿度:≤90%,海拔高度:≤2000m | |
尺寸、重量 | 尺寸:410mm × 250mm × 300mm , 重量:≤10Kg | |
7.4.测试方法
开机后,进入如图2所示界面,旋转光标先选择被测互感器类型,可分为两大类:
选择后可看到不同的菜单界面如图8、9、10、11所示,进入相应测试界面后,设置相应测试参数进行试验。
测试前请确定被测互感器的所有接地线都断开。
直阻校零:
试验前,先校零,使测试结果更加准确(每次开机只需校零一次)。
以四芯线为例,校零方法如下:首先用四芯测试线的一端接测试仪的S1、S2、K1、K2四个测试端口,另一端相互短接(图3),其次CT类选择进入“直阻校零”测试进行校零,PT类选择进入(直阻)测试项目后,再选择进入“直阻校零”项目进行校零,校零结束,光标弹至“开始测试”处,校零结束。
CT励磁(伏安)特性、直阻、变比、极性、角差、比差测试:
校零结束,接线图对照图4所示,测试仪端口P1/P2用两芯电缆接被测CT一次对应P1/P2端,用四芯测试线的一端接测试仪的S1、S2、K1、K2四个测试端口,对应另一端S1和K1短接后接至被测CT二次的S1端,S2和K2短接并接至被测CT二次的S2端。接线完成后,点击“开始测试”即开始试验,试验结束将显示相应测试结果。
PT变比、极性、角差、比差测试:
接线图对照图5所示,测试仪端口P1/P2用两芯电缆接被测PT二次端子,测试仪端口S1/S2用两芯电缆接被测PT一次端子,接线完成后,点击“变比极性”即开始试验,试验结束将显示变比、极性、角差、比差测试结果。
PT励磁(伏安)特性、直阻测试:
校零结束,接线图对照图6所示,用四芯测试线的一端接测试仪的S1、S2、K1、K2四个测试端口,对应另一端S1和K1短接并接至被测PT二次的a/x端,S2和K2短接并接至被测PT二次的x/a端。接线完成后,选择相应测试项目(励磁/直阻),即完成相应试验,试验结束将显示相应测试结果。
CT/PT负荷测试:
对互感器二次所接的负载进行测试时,首先根据被测互感器铭牌设置好额定负荷、额定电压电流。其次参照图7进行接线,用四芯测试线的一端接测试仪的S1、S2、K1、K2四个测试端口,对应另一端S1和K1短接并接至被测二次负载的一端,S2和K2短接并接至被测二次负载的另端。接线完成后,选择进入“负荷”测试项目并开始试验,试验结束将显示相应测试结果。
独立做CT励磁、变比极性、角差比差试验时,见第16页。
8.3.试验结果
8.3.1 CT测试结果


CT类励磁(特性)测试结果说明:
每做一次励磁试验,设备自动退磁一次。

1)、励磁曲线
如图12、13、14,选择进入“励磁曲线”可得励磁曲线图(图18),进入界面可根据需要选择“打印”、 “保存”、和“返回”等选项。



图18、CT励磁曲线测试结果 图19、CT励磁曲线测试结果
2)、励磁数据
通过控制器可选择查看励磁数据(图 19)
3)、误差曲线
在图13中,选择进入“误差曲线”选项,出现5%、10%误差曲线选项,根据试验要求进入相应测试项目,即进入误差曲线界面(图20)



图20 图21
A.误差曲线计算公式:
M =(I*P)/N ZII =(U-(I*Z2))/(K*I)
I 电流 U 电压
N=1 (1A 额定电流) I 电流
N=5 (5A 额定电流) Z2 CT二次侧阻抗
P=20 (5%误差曲线 ) K=19 (5%误差曲线.1A 5A 额定电流)
P=10 (10%误差曲线 ) K=9 (10%误差曲线.1A 5A 额定电流)
B.如何判断互感器是否合格(满足误差要求)
根据互感器二次侧的励磁电流和电压计算出的电流倍数(M)与允许二次负荷(ZII)之间的5%、10%误差曲线的数据中可判断互感器保护绕组是否合格:
A. 在接近理论电流倍数下所测量的实际负荷大于互感器铭牌上额定负荷(见铭牌),说明该互感器合格。如图21资料说明;
B. 在接近理论负荷下所测量的实际电流倍数大于互感器铭牌上的理论电流倍数,也说明该互感器合格如图21资料说明;
C. 保护用电流互感器二次负荷应满足5%误差曲线的要求,只要电流互感器二次实际负荷小于5%误差曲线允许的负荷,在额定电流倍数下,合格的电流互感器的测量误差即在5%以内。二次负荷越大,电流互感器铁心就越容易饱和,所允许的电流倍数就越小。因此,5%误差曲线即n/ZL曲线为图20所示曲线。
例1:所测CT为5P10、20VA):其中5为准确级(误差极限为5%),P为保护级互感器,10为准确限值系数(10倍的额定电流),20VA表示额定二次负荷(容量)。
如图23数据显示,当电流倍数为M=10.27(接近10倍)时,所允许的二次负荷ZII=27.19Ω, CT的额定负荷20VA=(20VA/1=20Ω),因此:27.19Ω>20Ω互感器满足要求,合格。
例2:当二次负荷为19.58Ω(接近20Ω)时,所允许的电流倍数为12.85倍,大于该CT的额定电流倍数(10倍),因此判断该互感器合格。
4)、CT角差比差测试结果
测量类CT励磁、直阻、变比、极性、角差、比差测试结果见图12,;
保护类CT励磁、直阻、变比、极性、角差、比差测试结果见图13;
TP类CT励磁、直阻、变比、极性、角差、比差测试结果见图14。
5)、CT角差比差测试结果
在图12中,选择进入“角差比差”选项,即进入暂态数据结果界面(图16)。
6)、暂态数据测试结果
在图14中,选择进入“暂态数据”选项,即进入暂态数据结果界面(图17)。
TS:二次时间常数 LU:励磁电感 Ktd:额定暂态面积系数 Er:峰瞬误差
Kr:剩磁系数
7)、CT二次负荷测试结果
见图15。
8.3.1.1 CT励磁测试(独立)
按照被测CT互感器铭牌设定相应参数后,参照图22接线,测试仪的S1、S2为电压输出端,试验时将S1、S2分别接被测互感器的S1、S2(互感器的所有端子的连线都应断开)。检查接线无误后,选择“励磁”选项,即开始测试,试验结束后,测试仪会自动显示励磁(伏安)特性测试曲线(图18),可以选择 “保存” 、“打印”及“返回”选项进行下一步操作。



图22,CT励磁特性接线图 图23, CT变比极性、角差比差接线图
8.3.1.2 CT变比极性、角差比差测试(独立)
按照被测CT互感器铭牌设定相应参数后,参照图23接线,被测CT一次侧接测试仪P1、P2,CT二次侧接S1、S2,设置编号,检查接线无误后,选择“变比极性”选项,即开始测试,试验结束后,测试仪会自动显示变比极性或角差比差测试结果(图13),以选择 “保存” 、“打印”及“返回”选项进行下一步操作。
仪器本身的同色端子为同相端,即L1接CT的P1,S1接CT的K1时,极性的测试结果为减极性。
8.3.2 PT测试结果



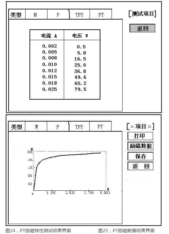
图24,PT励磁特性测试结果界面 图25,PT励磁数据结果界面


图26,PT二次负荷测试结果界面 图27,PT直阻测试结果界面


图28,PT变比、极性结果界面 图29,PT角差比差结果界面
1)、PT励磁特性结果见图24。
2)、PT二次负荷结果见图26。
3)、PT直阻测试结果见图27。
4)、PT变比、极性测试结果见图28。
5)、PT直阻测试结果见图29。
9.数据查询
点击数据查询,进入如图30所示界面,根据需要选择“励磁”、“变比”、“负荷”、“直阻”、“返回”等测试选项,选定测试项目后,进入图31测试界面,显示仪器中该项目下所保存的最新的测试结果。
插上U盘,点击“转存”则会将当前页面下所显示的测试记录转存进入U盘之中。每条记录所用时间约2秒钟。
10.PC 机操作软件使用说明
10.2首先,安装“wic_x86_chs.exe”文件,其次,安装“dotNetFx40_Full_x86_x64.exe”软件,默认安装地址即可。
10.3安装完毕后,打开“HGQCS”文件夹,选择打开“DlSYS.exe”操作软件,如图32即为上位机操作软件。
10.4在“DlSYS.exe”操作软件中,选择互感器种类“CT”或“PT”,应用语言“中文”或“英文”。
10.5如需生成报告格式文件,必须载入试验结果数据,具体操作方法如下:
a)、将存储试验数据的U盘连接至计算机。
b)、在图1中选择打开“选择文件”,出现图2操作窗口,在图33中可根据需要载入所需文件。
c)、试验结果数据说明:以“A”为开头的数据为励磁特性结果数据,以“B”为开头的数据为变比极性结果数据,以“C”为开头的数据为负荷结果数据,以“D”为开头的数据为直阻结果数据。以“E”为开头的数据为角差比差结果数据,以“F”为开头的数据为暂态结果数据。
10.6 载入数据结束后,选择“确定”出现图34界面,在此界面右上方设置相应参数后,选择“生成误差曲线”则完成所有试验结果的载入。
10.7 载入全部完成后,可根据需要选择“生成报表”或打印结果数据。
10.8 选择“生成报表”选项,则以报表的形式显示结果如图35,在此界面上方选择“export”则出现报告的三种输出方式:Excel、Pdf、Word,选择相应格式导出即完成报表的生成。
10.9 如需继续加载试验结果数据,请先清除上次载入的数据。
附 录
A. 低频法测试原理
IEC60044-6 标准(对应国家标准 GB16847-1977)声称,CT的测试可以在比额定频率低的情况下进行,避免绕组和二次端子承受不能容许的电压。
CT伏安特性测量的原理电路如下图:CT一次侧开路,从二次侧施加电压,测量所加电压 V 与输入电流 I 的关系曲线。此曲线近似 CT 的励磁电势 E 与励磁电流 I 的关系曲线。
设 CT励磁绕组在某一励磁电流 I 时的激磁电感为 L,激磁阻抗为 Z,则:
V = I·Z
电感 L与阻抗 Z之间具有下述关系:
Z = ω·L = 2πfL
则:V= I·2πfL
由公式中可见在某一激磁电感L时所加电压V与频率 f 成正比关系。
假设当 f = 50Hz时,为达到励磁电流 Ix,所需施加的电压 Vx为 2000V
Vx = Ix·2 π f L = 2000V,

若施加不同频率:
f = 50Hz,Vx = 2000V
f = 5Hz, Vx ≌ 200V
f = 0.5Hz,Vx ≌ 20V
由此可见需要使 CT进入相同饱和程度,施加较低频率信号所需电压可以大幅度降低这就是变频法的基本原理。
在此必须严格注意,所需电压并非与频率呈线性比例关系,并非随着频率等比例降低,需要严格按照互感器的精确数学模型进行完整的理论计算。