时间:2023-08-21 10:22
人气:
作者:admin
近年来我国城市内涝灾害频发,造成人员伤亡以及经济损失严重,严重威胁着城市的安全。数据显示,2015-2018年我国平均每年受淹或发生内涝城市的数量约占我国城市数量的1/5;人民生命财产也损失严重,据不完全统计,2021年截至上半年,我国因洪涝灾害所死亡失踪人数达26人,造成经济损失达135亿元。一方面,我们需要建设和管理排水设施;另一方面,建立城市防洪排涝监测预警系统。它不仅可以为管理部门提供城市河流和道路水位的实时信息,还可以为城市防洪管理提供技术和数据支持。泵站远程监控系统基于物联网和边缘计算等技术,以本地自控结合大数据远程监控平台,为城市洪涝灾情监测、内涝预警和治理等方面提供解决方案。
1. 城市泵站的分类
从应用场景划分,城市泵站可以分为三大类:排水泵站、污水泵站和供水泵站,排水泵站主要用以排水、排涝的泵站;污水泵站用来输送生活废水;而供水泵站主要用于城市生活供水。这三类泵站对于城市运转都必不可少,如何让泵站安全、低耗运行是管理者首先需要关注的问题。泵站管理平台通过现场监测控制传感器、边缘计算、云平台结合本地PLC为城市泵站的管理提供解决方案。
2. 城市排水泵站的电气设计
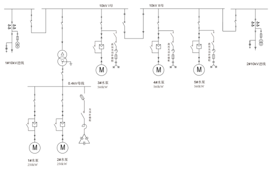
根据DJG 08-22-2018《城镇排水泵站设计标准》,排水泵站根据功率需求和当地供电条件,一般采用35kV或10kV供电。城市排水泵站负荷等级为二级负荷,重要地区的泵站应按照一级负荷设计。二级负荷的泵站一般需要有两路电源互为备用或一路常用一路备用;一级负荷的泵站需要有两路独立的电源,一路电源故障时另外一路电源可以不受影响独立供电,特殊情况下还需要设置自备电源。以一个排水泵站为例,设置3台10kV高压异步电动机和2台0.4kV异步电动机,平时2台0.4kV异步电机运行即可满足排涝要求,在汛期至大可以5台电机同时运行,见图1。
10kV母线采用单母分段接线,0.4kV母线采用单母线或单母分段接线。为了减小电机启动对系统造成的冲击,功率较大的电机采用软启动器启动。10kV电动机无功补偿采用就地补偿机制,并确保补偿后功率因数为0.95左右;0.4kV电动机采用集中式无功补偿,补偿后功率因数不低于0.9。

图1 中小型排水泵站电气接线示意图
3. 泵站的电气自动化二次设计
3.1 泵站电气设备的自动控制、测量、保护、监视、通讯方面。其内容包括:泵站高压送、变电系统;泵站0.4kV配电系统;泵站直流系统;电机的综合保护系统。泵站的保护测控装置配置如图2所示。所有装置均具备通讯接口,可通过智能网关接入本地监控系统或者区域泵站管理平台,智能网关具备边缘计算和逻辑控制功能,可根据现场运行工况进行自动控制。

图2 泵站保护测控装置配置图

表1 泵站保护测控装置选型
3.2泵站及重要辅机系统的自动控制、测量、监视、通讯方面。其内容包括:为主机配套的油系统的控制(例如:水泵叶片调节压力油系统、快速闸门液(油)压操作系统、油系统、齿轮箱冷却油系统等);为主机配套的气系统的控制(为真空破坏阀(虹吸式泵站)所配的低压气系统、为水泵叶片调节配套的压力油及其它气动工具用的中压储能气系统);泵站水系统(为主机组配套的冷却水系统、泵站排水系统和消防用水系统等)。
3.3 各种非电量的自动测量、监视、通讯方面。其内容如下:水工安全方面的位移、沉降、扬压力、应力等各种监测;水文、水位、水情、水量、水质等各种监测;各种温度、湿度的监测;绝缘监测;各闸门开度、荷重等监测。
这些信号均为模拟量和开关量形式输出,采集信号为4-20mA模拟量信号和开关量信号,这些信号主要PLC装置采集并进行相应的告警和控制,数据可上传泵站管理平台。
为了提高可靠性,4-20mA或者0-5V模拟量信号需要增加信号隔离装置来实现限压、限流、隔离等措施,增加系统的抗干扰能力。

表2 泵站信号采集及隔离装置选型
3.4 泵站应设置正常工作照明和应急照明,并满足各场所照度要求,应急照明持续供电时间应不少于30min。

表3 泵站照明系统要求
安科瑞为泵站提供消防应急照明和疏散指示系统和智能照明控制系统解决方案。正常工作照明可以采用感应控制、定时控制、远程控制等控制方式,满足泵站工作照明要求。应急照明和疏散指示系统提供不少于90min的应急照明,采用集中电源供电,确保消防安全。消防应急照明和工作照明控制均可接入泵站管理平台实现集中监测和控制。

图3 泵站消防应急照明和工作照明系统
3.5全站的视频监视系统及视频信息上传。
4. 泵站管理系统
泵站管理平台由本地保护测控装置、测量采集仪表、PLC自控装置、视频安防、本地控制系统以及区域泵站管理平台组成。通过泵站管理平台可以实现对区域内泵站的数据采集、运行监测、控制调节、能耗分析、事故预告报警、事件记录、运维管理等功能,实现泵站无人值守、集中运维管理,提高泵站的运行可靠性。

4.1 泵站管理系统(就地部署)
Acrel-2000M泵站管理系统部署在泵站内部,实现对泵站的监视、控制和运行记录,在异常时可及时发出报警信号,保障泵站运行安全。
①泵闸全景图
泵闸全景图可以帮助用户进行的监测泵闸的运行状态,比如内外河水位、节制闸东西方向的开度、内外侧闸门的开度、水泵运行的状态以及电流。

②泵站总览及单线图显示
查看泵站配电回路的分布和连接情况以及主要的电参量。主要数据包括:三相电流,三相电压,功率、电能、功率因数、回路名称。

③节制闸监控
监测节制闸运行状态,比如闸门开度,是否锁定解锁等状态,同时具备监测内外河水位的趋势、油泵的运行情况。另外在该功能模块可以实现对节制闸、油泵的远程控制功能,并可以进行远方/就地控制的切换。

④水泵运行监控
监测水泵运行状态,比如运行、停止、保护装置故障等状态,实现对水泵远程控制、排水引水联动控制,在实现远程控制功能之前将水泵、工作闸门PLC控制柜选择远方。排水引水联动时,系统将下发进水闸门打开命令,直至进水闸门全开状态。

⑤闸门监控
监测工作门、油泵运行状态,比如运行、停止等状态,在该功能模块可以实现对工作门、油泵远程控制。

⑥趋势曲线分析
可以监测电机运行负荷曲线、内外水位曲线等等,帮助用户分析和记录运行趋势。

此外,系统还具备异常报警、报表制表等功能,使管理人员及时了解电站运行情况。
4.2 区域泵站管理平台
AcrelEMS泵站管理平台设置在云服务器或者区域指挥中心,实现对区域内不同类型泵站的统一监控,提高管理效率。平台具备泵站地理位置显示、泵站3D展示、电力监控、数据查询、控制调节、能耗分析、视频监控、报警管理、设备管理、运维管理等功能。数据可通过4G无线专网或网络传输。
①泵站地理位置标识
可在地图标识泵站位置,点击地图上图标可直接进入泵站监视界面。

②泵站工艺3D展示
通过2.5D或3D界面实时展示泵站运行状态,包括电气数据、管网、水位、闸门状态等。

③电力监控
实时监测泵站配电系统运行状况,包括电气参数,越限/异常报警等等。

④泵站非电量监控
平台可展示泵站变压器、电机、线缆等关键接点温度,另外可对泵站电机振动、环境温湿度、水位、闸门状态、视频、门禁等各种参量,并可设置越限报警。

⑤能耗分析
分析各泵站电能消耗数据和碳排放分析,对标水泵能效指标,为管理者进行设备能效升级改造提供数据支持。

⑥报警分析
平台可对区域内泵站的报警进行分级:普通、严重、事故三个级别,并对所有事故进行分析,帮助管理者更好了解泵站的运行状况,避免错过重要的报警信息。

⑦设备档案及运维管理
平台针对泵站设备建立设备档案库,记录设备生产厂家、性能参数、维护保养信息,并生成设备二维码,支持运维巡检、缺陷记录、工单管理、事故抢修等运维管理流程,帮助用户管理泵站运维。

此外平台可接入各泵站的照明控制系统、应急照明和疏散指示系统数据,通过平台进行统一监控管理,提高泵站的运行安全和管理效率。
编辑:黄飞
上一篇:三孔插座错误接线的隐患分析
下一篇:配电智慧物联管理系统