时间:2022-09-27 15:59
人气:
作者:admin

6.1、使用前准备
※ 如做容性负载试验时,应接入限流电阻
6.1.1 直流高压发生器在使用前应检查连接电缆不应有断路和短路现象,倍压筒不应有凝露现象,设备无破裂等损坏。
6.1.2 将控制箱与倍压筒用五芯连接电缆连接好,倍压筒和控制箱必须保持足够距离。保护接地线与工作接地线以及放电棒的接地线均应单独接到试品的地线上(即一点接地)。严禁各接地线相互串联,为此,应使用DHV专用接地线。
6.1.3 电源开关置于关断位置并将调压电位器回至零位。过电压保护整定值设定为试验电压的1.1倍。
6.2、空载升压验证过电压保护整定
6.2.1 接通电源开关,此时高压断红灯亮,表示电源接通。
6.2.2 按下高压通绿色按钮,则绿灯亮,表示高压接通。
6.2.3 顺时针方向平缓调节调压电位器,输出端即从零开始升压,升至所需电压后,按规定时间记录电流表读数,并检查控制箱及高压输出线有无异常现象及声响。必要时用外接高压分压器校准控制箱上的电压表头。
6.2.4 降压,将调压电位器回零后,随即按高压断红色按钮,切断高压并关闭电源开关。
6.3、对试品进行泄漏及直流耐压试验
6.3.1 在进行6.1-6.2检查试验确认直流高压发生器无异常情况后,即可开始进行试品的泄漏及直流耐压试验。将试品、地线等连接好,检查无误后即打开电源。
6.3.2 根据步骤6.2.1-6.2.3升压至所需电压或电流。
升压速度以每秒3~5kV试验电压为宜。对于大电容试品升压时还需监视电流表充电电流不超过额定的最大充电电流。
对小电容试品如氧化锌避雷器、磁吹避雷器等,先升至所需电压(电流)的95%左右,再缓慢升压至所需的电压(电流),从数显表上读出电压(电流)值。如需对氧化锌避雷器进行泄漏值测量时,先升压至电流为1mA时的电压值,然后按下0.75倍黄色按钮,此时电压降至原来的0.75倍,并在一分钟内保持此状态。此时可读取泄漏电流值(uA)。测量完毕后,调压电位器逆时针回到零,按下高压断红色按钮,如需再次升压时按高压通绿色按钮即可。
6.3.3 试验完毕,根据步骤6.2.4降压。
※ 必要时用外接高压分压器比对控制箱上的电压。
6.4、几种测量方法
6.4.1 一般测量时,当接好线后,先将连接试品的线悬空,升压至试验电压后,记录空载试验时的电晕和杂散电流I1,然后接上试品连接线,升压至试验电压后,读取总电流I2,得到试品的泄漏电流为Io=I2-I1。
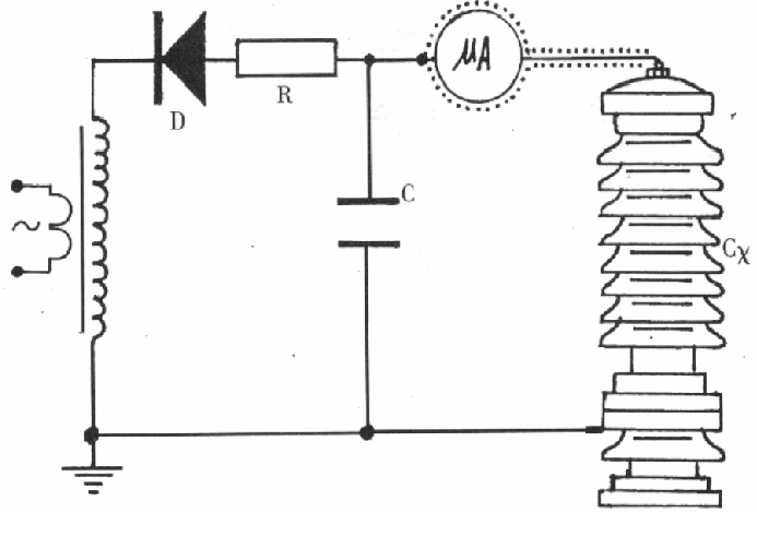
6.4.2 当需要精确测量被试品泄漏电流时,则应在高压侧串入高压微安表,如图5所示。

图5 微安表接入试品CX高压侧接线图
微安表必须有金属屏蔽,应采用屏蔽线与试品连接。高压引线的屏蔽引出应与仪表端的屏蔽紧密连接。如果试品表面污秽要排除试品表面泄漏电流的影响,可在试品高电位端用裸金属软线紧密绕几圈后与高压引线的屏蔽层相连接,如图6所示。

6.4.3对氧化锌、磁吹避雷器等试品接地端可拆开的情况下,也可采用在试品的底部(地电位侧)串入电流表进行测量的方式,如图7所示。当要排除试品表面泄漏电流的影响,可用软的裸铜线在试品地电位端绕上几圈并与屏蔽线的屏蔽层相连接,如图8所示。

6.4.4 对于氧化锌避雷器等小电容试品,试验完后一般通过机内测压电阻放电,时间很快。而对电缆等大电容试品,试验完后一般要待试品电压自放电至试验电压的20%以下,再通过配套的放电棒进行放电,待试品充分放电后挂好接地线,才允许进行高压引线的拆除和更换接线的工作。
6.5、保护动作后的操作
在使用过程中发现高压通绿灯灭,高压断红灯亮,电压下降的现象,即为保护动作。此时应关闭电源开关,面板指示灯均不亮,将调压电位器退回零位,一分钟后待机内低压电容器充分放电,查明情况后,才允许再次打开电源开关,重新进行试验。