时间:2021-12-09 10:28
人气:
作者:admin

在传统的输电线路工频参数测试中,采用三相自耦变和大容量隔离变压器提供测试电源,通过电力计量用的CT和PT作电信号变换,最后用指针式的高精度电压表、电流表、功率表测量各个电参数,最后计算得到输电线路工频参数测试结果。使整套试验设备体积大,重量大,需要吊车配合工作,十分不利于现场测量,而且由于测试电源为工频电源,极易与耦合的工频干扰信号混频,带来很大的测量误差,需要大幅度提高信噪比,这对电源的容量和体积又进一步提高。
本仪器能够准确测量各种高压输电线线路(架空、电缆、架空电缆混合、同杆多回架设的工频参数(正序电容、正序阻抗、零序电容、零序阻抗、互感和耦合电容等),完全满足《110千伏及以上送变电基本建设工程启动验收规程》、DL/T559-94《220-500kV电网继电保护装置运行整定规程》、《GB50150-2006》的规定要求。
仪器采用一体化结构,内置变频电源模块,可变频调压输出电源。采用数字滤波技术,避开了工频电场对测试的干扰,从根本上解决了强电场干扰下准确测量的难题。
1、快速准确的完成线路的正序电容、零序电容、正序阻抗、零序阻抗等参数测量,同时还可以测量线路间的互感电抗和耦合电容测量;
2、抗干扰能力强,能在异频信号与工频信号比为1:10的条件下准确测量;
3、外部接线简单,仅需一次接入被测线路的引线线就可以完成全部的线路参数测量;彻底解决现有测试手段存在的测试接线倒换繁琐、干扰、稳定度、精度等方面的问题。
4、仪器以高速单片机为内核,实现测试电源、仪表、计算模型一体化,将一卡车的设备浓缩为一台仪器。
5、仪器采用320*240大屏幕点阵液晶显示,美国进口旋转鼠标操作,嵌入式汉字微型打印机打印结果,操作十分简便;
6、仪器测试过程快捷,仪器自动完成测试方式控制、升降压控制和数据测量计算,并打印测量结果,一个序参数的测量为一分钟完成,试验时间缩短,工作量大大减少,20分钟内可完成传统方法两个小时的工作量;
7、测量精度高,仪器本身提供三组接近工频的异频电源(42.5Hz/57.5Hz 45Hz/55Hz 47.5Hz/52.5Hz)可供选择,轻松分离工频及杂波干扰,有效地实现小信号的高精度测量;
输入电源 | 三相AC380V±10% | ||
输出最大电压 | AC300V 精度:1% | ||
输出最大电流 | 5A | ||
输出信号频率 | 42.5Hz/57.5Hz;45Hz/55Hz;47.5Hz/52.5Hz;50Hz/50Hz | ||
测量范围 | 正序电容 零序电容 耦合电容 | 正序阻抗 零序阻抗 互感电抗 | 阻抗角 |
0.1-50μF | 0.5-400Ω | 0 O~360 O | |
测量分辨率 | 0.01μF | 0.01Ω | 0.01O |
测量准确度 | 0.1μF~1μF时±3%±0.05μF 1μF~50μF时±1.5%±0.03μF | 0.5Ω~1Ω时±3%±0.05Ω 01Ω~400Ω时±3%±0.03Ω | ±0.2 O(电压>1.0V) ±0.3O(电压>0.2~1.0V) |
外形尺寸 | 535 mm×435 mm×360mm(不含轮子);重量:61kg | ||
抗干扰参数 | 干扰电压:接入仪器测试电源后的纵向感应电压<350V; 干扰电流:线路首末两端短接接地时<40A; 能在仪器输出信号与干扰信号比为1:10的条件下稳定准确完成测试。 | ||
仪器使用环境 | 环境温度:- 15℃ ~ +40℃ 相对湿度:<90% | ||
测试开始前的准备
◆将被测线路的测量端引下线可靠接入大地,
◆将仪器面板左上角的接地端子可靠接入大地,
◆将电源输出信号地N可靠接入大地,
◆将仪器测试电源输出端子A、B、C与线路测量引下线连接。
◆将仪器仪器测试端子UA、UB、UC与线路测量引下线连接。
如图5-1,仪器测试接线完成后,再打开线路引下线的接地,以保证设备和操作人员的安全。

图5-1 现场试验接线示意图
如果测试引下线只引出3个端子,尽量用截面积足够大的导线,并保证与线路测量端可靠连接,避免引入较大的接线误差。
仪器测试接线极为简捷,只需一次接入上述测试线,通过仪器自动控制测量方式和被测线路对端接线方式配合,即可完成所有序参数测量,大大提高测试效率和操作安全性。
感应电压的测量,在测量选项的第一行,选中后垂直按下鼠标,仪器自动测量三相感应电压。接线如图5-1所示
在进行正序电容测试前必须测量线路的感应电压,如果三相线路上有任意一相感应电压超过100V,需将仪器所配的抗干扰器并在面板上的UA、UB、UC和N之间,如图5-2。
感应电压的测量在测量选项的第一行,选中后垂直按下鼠标,仪器自动测量三相感应电压

图5-2 正序电容测试并上抗干扰器后的接线图
在正序电容(正序开路)测试中,被测线路对端(相对于测量端)开路,将仪器电源输出至被测线路测量端外侧电流引下线,电压测量输入端接至电压引下线,如图5-3。

图5-3 正序电容测试接线及对端操作示意图
在进行零序电容测试前必须测量线路的感应电压,如果三相线路上有任意一相感应电压超过100V,需将仪器所配的抗干扰器并在面板上的UA、UB、UC和N之间,如图5-4

图5-4 零序电容测试并上抗干扰器后的接线图
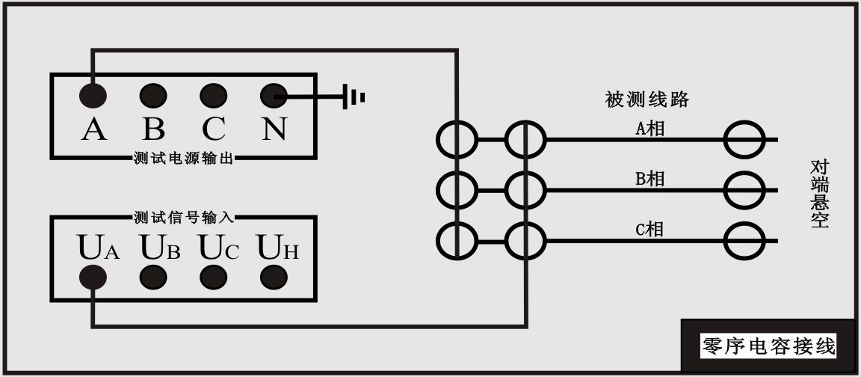
在零序电容(零序开路)测试中,仪器信号引线与正序阻抗测试接线一致,通过仪器内部的控制回路切换测试信号连接方式,实际的测试接线,如图5-5。

图5-5 零序电容测试接线示意图
进行正序阻抗测试时,将对端短接后接地,如图5-6。

图5-6 正序阻抗测试接线及对端操作示意图
零序阻抗(零序短路)测试时,将对端线路短接,并可靠接至大地,如图5-7。

图5-7 零序阻抗测试接线示意图
测试两条输电线路间的互感时,被测线路测量端和对端三相分别短接,对端接大地,将仪器输出A和电压测量端子UA分别接入被测线路1和被测线路2的测试引下线,如图5-8

图5-8 互感测试接线示意图
测试两条线路间的耦合电容时,被测线路1、2的测量端和对端三相分别短接,对端不接地,被测线路1的电流引下线A接至仪器输出端,电压引下线UA接至电压测量端,被测线路2的首端接至UH,N端接大地,如图5-9。

图5-9耦合电容测试接线示意图
图5-9的电路实际测量的是线路1、2间的耦合电容和被测线路1的零序电容之和,所以进行耦合电容测试前应先测量被测线路1的零序电容。