时间:2023-06-05 14:17
人气:
作者:admin

































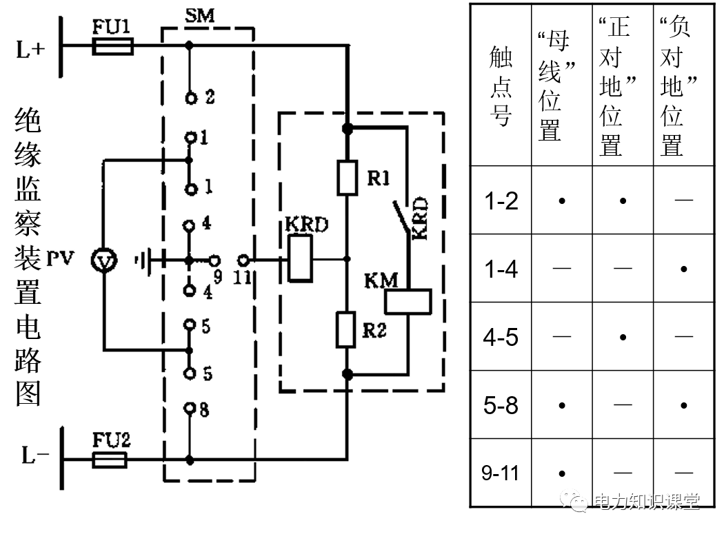
直流系统正常运行时,SM置于“母线”位置,R+=R- ,又R1=R2,所以电桥平衡,在KRD线圈中只有很小的不平衡电流,因此继电器KRD不会动作。当某一极母线的绝缘电阻下降至低于允许值时,电桥失去平衡,当KRD线圈中流过的电流足够大时,KRD动作,其常开触点闭合,启动KM,发预告信号。






编辑:黄飞
上一篇:如何合理地选择配电电缆和断路器
下一篇:电流互感器的作用及接线方法