时间:2022-05-30 09:43
人气:
作者:admin
摘 要:变电站综合自动化系统是将变电站内的二次设备经过功能的组合和优化设计,利用先进的计算机技术、通信技术、信号处理技术,实现对全变电站的主要设备和输、配电线路的自动监视、测量、控制、保护、并与上级调度通信的综合性自动化功能。
1.概述
静脉产业,这一概念最早由日本学者提出,专家们形象地将废弃物转换为再生资源的行业称为“静脉产业”——因其变废为宝,循环利用,如同将含有较多二氧化碳的血液送回心脏的静脉。安庆市静脉产业园是为创建安庆市经济健康持续 发展的长期环境安全保证、建设资源节约型社会、推进和发展循环经济、提高土地利用价值、构建固体废弃物综合处置和资源化平台、彻底改善安庆市整个城市的面貌、解决未来安庆市固体废弃物的出路,实现物质与能量循环利用最大化。
本次建设内容包括:危险废物处理中心、有机废弃物处理中心、配套建设园区污水处理厂和园区管理中心等,该建设内容包括了安庆市静脉产业园项目红线范围内得所有固体废弃物处理子项目,以及园区红线范围内、外为园区配套的市政设施。全厂共设置35kV变电所1座,区域变电所3座。35kV变电所为独立二层建筑物,其中一层为35kV开关室、35kV变压器室、10kV开关室,二层为10kV变压器及0.4kV开关室、通信室。区域变电所为装置楼一层独立区域,配置10kV开关柜、变压器及0.4kV低压柜。本项目外线电源由国网安庆市供电公司提供,第一路电源为晴岚变35kV京环313专线作为常用电源、35kV电压等级,第二路电源为朝阳变10kV山口17线作为备用电源、10kV电压等级。
2.系统结构
变电站综合自动化系统是指:通过执行规定功能来实现某一给定目标的一些相互关联单元的组合,变电站综合自动化系统是利用先进的计算机技术、现代电子技术、通信技术和信息处理技术等实现对变电站二次设备的功能进行重新组合、优化设计,对变电站全部设备的运行情况执行监视、测量。
系统可分为三层结构:即现场设备层、网络通讯层和平台管理层。
现场设备层:包含微机保护、智能操控、多功能仪表、计量表等设备,用于采集站内配电柜内电气运行参数、开关状态、电气接点温度等数据,同时分别在35kV变电站和10kV变电所配置多套直流电源,保障现场设备良好的运行环境。
网络通讯层:包含ANet-2E8S智能网关。网关主动采集现场设备层设备的数据,并可进行规约转换,数据存储,分散10kV变电站通过数据采集箱(内置智能网关)采集数据通过光纤上传至通信室变电站综合自动化监控系统平台;同时网关充当远动通信装置,将现场设备数据采集后通过交换机经纵向加密数据加密后上传调度网。
平台管理层:变电站综合自动化监控系统平台、国网安徽省安庆电力调度控制中心平台。

图2 监控系统网络结构图
3.解决方案
本项目35kV变电所1座,区域变电所3座,35kV变电所为独立二层建筑物,其中一层为35kV开关室、35kV变压器室、10kV开关室,二层为10kV变压器及0.4kV开关室、通信室。区域变电所为装置楼一层独立区域,配置10kV开关柜、变压器及0.4kV低压柜。。
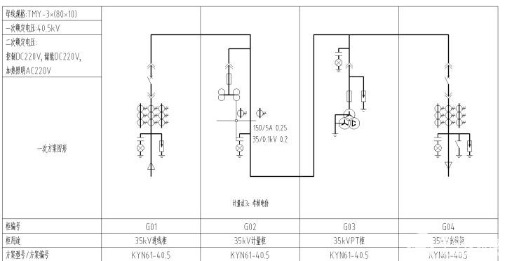
35kV变电所内35kV开关室一次系统图如图1所示,共有4面开关柜,分别为:1面进线柜、1面出线柜、1面计量柜、1面PT柜。

图3 35kV开关室一次系统图
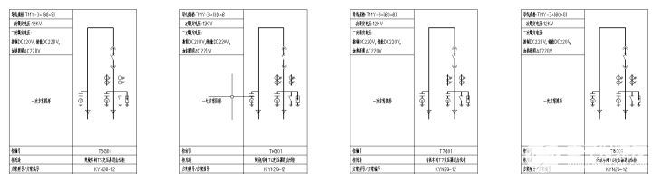
35kV变电所内10k开关室一次系统图如图2所示,共有16面开关柜、其中2面10kV进线柜、9面变压器出线柜(含备用出线柜3面)、1面母联柜、1面隔离柜、2面PT柜、1面计量柜。


图4 10kV开关室一次系统图

图5 各分散10kV变电所进线柜一次系统图
3.1.方案综述
本次工程在35kV、10kV配电系统中配置微机保护装置,对每面35kV、10kV高压开关柜内配置开关状态操控装置,对电气量采集和对电气设备(如断路器)的状态监视、控制和调节,发生故障时,由微机保护装置完成瞬态电气量的采集、监视和控制,迅速切除故障设备和完成事故后的恢复操作。
在每面35kV、10kV高压变配电开关柜配置1台多功能电表,在晴岚变35kV京环313专线间隔处、客户侧35kV变电所备用电源计量柜处、客户侧35kV变电所主用电源计量柜处、客户侧35kV变电所低压柜办公照明出线处、客户侧35kV变电所低压柜职工宿舍负荷出线处装有计量仪表,其中在总变电所安装负荷采集终端箱,收集计量点客户侧四处计量表的电能信息,用于远程监控及电量数据采集。
在35kV总变配置1套DC220V/100AH柜式直流电源,各区域变电所在高压柜配置DC220V/20AH分布式直流电源,为整个变电站的断路器、二次设备及监控主机等重要设备运行提供稳定可靠的电源。
在通信室配置一台时钟同步装置,实现变电站内所有微机保护装置、监控主机、规约转换装置、远动装置、厂站采集终端的时钟同步。
在通信室配置一套变电站综自自动化系统,通过规约转换装置采集站内UPS、直流屏数据,通过光纤组网与分散的各区域10kV变电所通信实现变电站综合自动化监控与管理。
在通信室配置一面通讯屏、一面调度数据网屏,通讯屏配置1套155M光传输设备,内配1块155M单光口板,配置2台PCM接入设备(1台安装在35kV静脉变,一台安装在安庆市调度),通过专用通道点对点方式实现变电站与调度端通讯。调度数据网屏配置数据1台路由器、2台交换机、2台纵向加密装置、1台网络安全监测装置、1台厂站采集终端,厂站采集终端实现站内的总电能计量与所用变计量。
3.2.功能需求
3.2.1.本地数据采集
变电站综合自动化系统需采集设备数量共计34台,本地设备根据数据类型主要分为遥测、遥信、电能三类数据,部分数据展示如下:
遥测量

遥信量

电能量

3.2.2.电力安全防护需求
为了加强安庆市静脉产业园配电工程电力监控系统安全防护,抵御黑客及恶意代码等对监控系统发起的恶意破坏和攻击,以及其它非法操作,防止电力监控系统瘫痪和失控,和由此导致的变电站一次系统事故和其他事故,需制定电力安全防护方案。
安庆市静脉产业园配电工程内配置变电站监控系统、调度数据网系统、电能量采集装置。
变电站监控系统
本站变电站监控系统采用系统组态软件Acrel-1000变电站综合自动化监控系统,配置一台监控后台主机兼操作员站。主要实现变电站的数据采集、监视和控制功能,以监测控制计算机为主体,加上检测装置、执行机构与被监测控制的对象(生产过程)共同构成的整体。在这个系统中,计算机直接参与被监控对象的检测、监督和控制,采用IEC104规约、端口号2404,并实时与地调自动化主站系统进行数据传输。装置操作系统采用64位WINDOWS 7旗舰版,数据库版本为SQL Server 2008R2。
电能量采集装置
本站配备了一套积成电子生产的型号为iES-E70厂站采集终端电能量采集装置。电能量采集器是一种用于采集、存储和转送电站关口表采集和生成的计量计费信息的装置,配置2个以太网口,电源供电方式为:交直流220V。装置通过与电度表通信,收集电度表采集和生成的计量计费信息。采集器通过调度数据网非实时业务与计量计费主系统通信,地调接入网上传通信端口为1020,上报所采集和生成的的计量计费信息。
项目二次系统及生产厂商、操作系统具体版本号等情况如下:
表1 监控系统或设备列表

表2 网络及安全防护系统和设备列表

3.2.3.主机与网络设备加固
安庆市静脉产业园配电工程现场应用的监控服务器系统组态软件Acrel-1000(超级狗用户锁),以及网络边界处的通信网关机ANet-2E8S1等,使用非LINUX Ubantu的安全加固操作系统,已关闭非必要的网络服务,具体内容如下:
(1)确定生产控制大区计算机设备各网卡的IP地址正确配置
(2)关闭非必要的网络服务
(3)禁止网络非法外联;
(4)USB口、光驱用封条贴住,禁止USB、光驱移动介质接入
(5)强化口令密码,删除默认多余账户,不同的账户对应不同的权限设置
(6)禁止在计算机上安装与运行监控系统无关的软件。
使用其它系统同样进行主机安全加固,加固方式包括:
(1)卸载不必要的应用软件、主机密码复杂度,
(2)主机多余账户删除,关闭3389、135、138、445端口
(3)使用无恶意芯片和无安全隐患计算机、存储设备
(4)确定生产控制大区计算机设备各网卡的IP地址正确配置
(5)关闭非必要的网络服务,禁止网络非法外联
(6)强化口令密码,删除默认多余账户,不同的账户对应不同的权限设置
(7)禁止在计算机上安装与运行监控系统无关的软件。
现场网络设备如A、B网交换机,业务交换机等,对网口实行MAC地址绑定,实现专口专用,对于多余网口进行关闭并用防尘塞封堵端口贴上“端口禁用标志”。
安庆市静脉产业园配电工程项目监控系统安全分区及边界防护如下图所示:

图6 监控系统安全分区及边界防护图
3.3.配置设备清单

3.4.现场应用图
4.系统功能
4.1.实时监测
Acrel-1000变电站综合自动化系统人机界面友好,能够以配电一次图的形式直观显示配电线路的运行状态,实时监测各回路电压、电流、功率、功率因数等电参数信息,动态监视各配电回路断路器、隔离开关、地刀等合、分闸状态及有关故障、告警等信号。其中,10kV配电系统中监测的开关量主要有:断路器分、合闸信号,手车工作、试验位置信号,远方/就地切换位置信号、弹簧储能状态信号、接地刀合分信号、变压器超温跳闸信号、高温报警信号,保护跳闸信号和事故预告信。

图11 实时监测主界面图
4.2.电参量查询
在配电一次图中,可以直接查看该回路详细电参量,包括三相电流、三相电压、三相总有功功率、总无功功率、总功率因数、正向有功电能等,并可以查看24小时相电流趋势曲线。

图12 电参量查询界面图
4.3.运行报表
能查询各回路或设备指定时间的运行参数,报表中显示电参量信息应包括:各相电流、三相电压、总功率因数、总有功功率、总无功功率、正向有功电能等。

图13 电参量运行统计报表界面图
4.4.历史事件查询
能够对遥信变位,保护动作、事故跳闸,以及电压、电流、功率、功率因数越限等事件记录进行存储和管理,方便用户对系统事件和报警进行历史追溯,查询统计、事故分析。

图14 历史数据查询界面图
4.5.电能统计报表
具备定时抄表汇总统计功能,用户可以自由查询自系统正常运行以来任意时间段内各配电节点的用电情况,即该节点进线用电量与各分支回路消耗电量的统计分析报表。

图15 电能量运行日报表界面图
4.6.网络拓扑图
系统支持实时监视接入系统的各设备的通信状态,能够完整的显示整个系统网络结构;可在线诊断设备通信状态,发生网络异常时能自动在界面上显示故障设备或元件及其故障部位。

图16 站内设备系统网络拓扑图
4.7.遥控功能
可以对整个配电系统范围内的设备进行远程遥控操作。配电系统维护人员可以通过监控系统的主界面完成遥控操作,并遵循遥控预置、遥控返校、遥控执行的操作顺序,可以及时执行调度系统或站内相应的操作命令。

图17 遥控操作界面图
4.8.曲线查询
在曲线查询界面可以直接查看各电参量曲线,包括三相电流、三相电压、有功功率、无功功率、功率因数等曲线。图18 曲线查询界面图
5.结语
变电站综合自动化系统在变电站的作用越来越显著,对实现电网调度自动化和运维管理现代化,提高电网的安全和可靠运行水平起到了很大的作用,因此县级电网中的变电站要进一步加强综合自动化系统水平,提高运维人员的技能,保证电网安全稳定运行。