时间:2021-01-12 16:51
人气:
作者:admin
2020年,庚子年,“中国战疫”举世瞩目。这一年,5G元年,中国通信同样表现抢眼。
根据最新的统计数据,中国完成5G基站建设超过70万座,5G终端连接数突破2亿。毫无疑问,中国通信人交出了一份令人满意的答卷,国内5G市场正在全面爆发。
但另一方面,关于5G基站高耗电的议论,时有出现。人们担心,5G的基站用电成本,会让运营商不堪重负。
今天这篇文章,笔者将详细分析5G的能耗,以及产品设计中的节能环节。
▉ 5G其实更省电
5G设备的耗电真的比4G多吗?
非常遗憾,这个答案是肯定的。5G的耗电高,主要有两点原因:
·5G使用Massive MIMO技术
4G基站RRU使用8天线,天线矩阵实现2D MIMO,满功率输出160W射频信号;5G基站AAU使用64天线,天线矩阵实现3D MIMO,满功率输出320W射频信号。如果效率相同,5G AAU的耗能是4G RRU的2倍。
实际上,得益于更高效的PA(Power Amplifier,功率放大器)芯片和更好的DPD(Digital Pre-Distortion,数字预失真)算法,5G设备的效率是比4G高的。也就是说,AAU的耗能不到RRU的2倍。
·5G使用了更高的频段
由于高带宽和Massive MIMO的要求,5G使用较高频率频段。在SUB-6GHz的频谱中,中国移动使用2.6GHz频段(和4G相同);中国电信和中国联通使用3.5GHz频段(两家运营商4G TDD LTE频段是2.6GHz频段)。
根据无线信号自由空间传输损耗公式:
Los (dB)= 32.44 +20lg( d(km)) +20lg( f(MHz))
中国移动5G覆盖和4G相当,而中国电信和中国联通的5G覆盖距离大概是4G时的0.75倍,站点数理论上增加1.8倍。达到与4G相同的覆盖效果,5G站点数理论上是4G的1.2~1.4倍。
以上两点因素叠加,5G全网的耗能将是4G全网耗能的2.4~2.8倍。
看来5G的能耗确实不可小觑。那么,又是什么原因让5G选择Massive MIMO和高频段呢?
Massive MIMO的优势显而易见:
利用垂直纬度和水平纬度的天线自由度,时频资源利用率提升;
用户间的干扰降低;
提升小区吞吐率;
提升小区边缘用户体验。
而高频段频谱助力5G Massive MIMO的实现。
天线的尺寸和频率有关。频率越高,射频信号波长越短,相应的天线尺寸越小。
5G的AAU现在使用64天线阵,往后发展还会有128天线阵和256天线阵。大规模的天线阵,促使5G选择高频段频谱资源。
5G确实比4G耗能更多,但不能片面看待这个问题。5G这匹“千里马”吃得虽然多,但是,它拉了辆更大的车——5G系统容量是4G的20倍以上。
实际上,就传输单位比特信息量的功耗而言,5G 是更省电的。5G每比特数据消耗的能量约是4G的1/10。
▉ 节能减排永远在路上
我们再来看一组数据——2018年三大运营商的电费:中国移动245亿元,中国电信140亿元,中国联通120亿元。
按之前的估算,5G能耗是4G的2.2~2.4倍。预计5G全网建成后,全网年电费将达到1200~1400亿元。虽然5G会给运营商带来利润回报,但基站设备的节能减排,是运营商必须重视的问题。
毛主席在《矛盾论》中提出——要抓住问题的主要矛盾。基站能耗的主要矛盾是AAU(RRU),AAU能耗的主要矛盾是发射机的射频功率放大器。
谈到AAU中射频功率放大器效率的提升,这里必须要提到一套“黄金提效方案”:Doherty+CFR+DPD。
我们首先来看这套高效率方案生成的背景。
实际上,这套高效率方案在4G时代就开始使用了,它是针对OFDM系统提出的。
由于OFDM符号是由多个独立的调制的信号相加而成的,这样合成的信号就有可能产生比较大的峰值功率。并且载波数越多,峰值信号功率越大。
在分析这种类型信号时,提出了峰均比(PAR,Peak-to-Average Ratio)的概念。PAR是符号的峰值功率与平均功率的比值:
PAR(dB)=Ppeak(dbm)-Pmean(dbm)

OFDM时频信号
OFDM系统信号的特点是时域为非恒包络状态,峰值功率随机出现。大峰均比信号的出现,会降低射频前端功放的效率。
伴随高峰均比信号的出现,削峰技术(CFR)就诞生了。
CFR即降低信号峰均比的技术。信号的削峰会带来一定的失真,过多的削峰会影响接收机的误码率。
在4G、5G移动通信中,信号的原始峰均比有十几dB,经过削峰后,送给发射单元的信号的峰均比一般为6~7dB。
为了满足发射机的线性指标,工程师在设计放大器时,可能会选择功率回退方案。功率回退是指,让功率放大器输出比自己饱和功率低得多的功率信号,以保证输出信号的线性指标。
该方案实现难度小,结构简单。
比如,输出10W的信号,工程师会选择饱和功率大于10W的功率放大器做方案。
但高峰均比信号的出现,使功率回退需要回退到峰值功率以上。比如输出平均功率为10W,峰均比为6dB的信号,工程师需选择饱和功率大于40W的功放管来做方案。
但是功放的输出功率和效率是正比关系,为了满足瞬时大信号的线性指标,高峰均比系统使用回退方案会导致效率低下。如果AAU发射机放大器使用纯回退方案,末级功放效率将不足15%,整机效率不足10%。
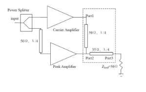
Doherty放大器解决了高峰均比系统效率低的问题。
其结构如图,Doherty放大器通常情况下使用两个完全相同的放大管来对信号进行放大。限于篇幅,其工作原理无法展开细说。它最大的特点是,放大器在输出功率低于饱和功率6db时的效率,与输出饱和功率时的效率相当。

Doherty结构
即在5G系统中,Doherty放大器输出平均功率时具有饱和功率效率。比如Doherty功放的饱和功率是100W,输入信号的峰均比是6db,当输出25W功率时,其效率与放大器输出100W功率相同。

Doherty效率曲线
目前国内几个大厂的AAU末级Doherty功放的效率已经做到50%以上,AAU整机效率超过40%。相对于纯回退方案,Doherty方案的整机能耗是其1/4。
但有得必有失,Doherty放大器并不是全能的,其在功率回退6db处得到了输出饱和功率时的效率,这是以线性指标劣化为代价的。为了保证系统的线性指标,DPD出场了。
先了解预失真技术(PD),它是人为地加入一个特性与系统非线性失真恰好相反的系统,两种非线性互相补偿,最终消除非线性分量,如图。DPD是数字预失真技术,预失真信号在数字域产生。

预失真的线性补偿
DPD技术通过采集分析Doherty放大器输出信号的非线性特性,在数字域内对原始基带信号进行补偿,使发射机输出的信号符合协议要求的线性指标(ACPR)。
现在各大厂商AAU的效率,很大一部分取决于其DPD算法对非线性功放的校正能力。其校正能力越强,发射机的效率就能做得越高。
梳理一下这套高效率发射机方案的工作流程:
CFR技术将高峰均比的信号削峰致6~7dB;
Doherty放大器放大削峰后的信号,其输出平均功率时具有输出饱和功率时相同的效率,但其线性指标(ACPR)较差;
DPD技术校正放大器的非线性,使发射机达到协议要求线性指标。
▉ 结语
除了使用Doherty+CFR+DPD外,5G还在其他方面实施了提高效率的举措:
选择效率更高GaN功放,取代LDMOS功率放大器;
将太阳能、风能等清洁能源应用于5G基站的能源补给;
“AI+大数据”智能监测、控制AAU通道开关,使5G基站的负荷更高效;
CU与DU分离,CU的集中管理一定程度上也提高了效率,降低5G能耗。
中国通信人正在不断创新和努力,优化AAU射频方案和能源方案,以获得更高的5G效率。虽然5G耗能较4G有所提高,但其带来的直接影响和间接影响都是非凡的。
中国信通院在《5G经济社会影响白皮书》中预测:“2030 年,在直接贡献方面,5G 将带动的总产出、经济增加值、就业机会分别为 6.3 万亿元、2.9 万亿元和 800 万个;在间接贡献方面,5G 将带动的总产出、经济增加值、就业机会分别为 10.6 万亿元、3.6 万亿元和 1150 万个。”
4G改变生活,5G将改变社会。让我们拭目以待吧!
责编AJX