时间:2018-04-19 16:35
人气:
作者:admin
高压直流输电:将三相交流电通过换流站整流变成直流电,然后通过直流输电线路送往另一个换流站逆变成三相交流电的输电方式。
高压直流输电原理图如下:

换流器(整流或逆变):将交流电转换成直流电或将直流电转换成交流电的设备。
换流变压器:向换流器提供适当等级的不接地三相电压源设备。
平波电抗器:减小注入直流系统的谐波,减小换相失败的几率,防止轻载时直流电流间断,限制直流短路电流峰值。
滤波器:减小注入交、直流系统谐波的设备。
无功补偿设备:提供换流器所需要的无功功率,减小换流器与系统的无功交换。
高压直流输电对比交流输电:
1)技术性
功率传输特性。交流为了满足稳定问题,常需采用串补、静补等措施,有时甚至不得不提高输电电压。将增加很多电气设备,代价昂贵。直流输电没有相位和功角,无需考虑稳定问题,这是直流输电的重要特点,也是它的一大优势。
线路故障时的自防护能力。交流线路单相接地后,其消除过程一般约0.4~0.8秒,加上重合闸时间,约0.6~1秒恢复。直流线路单极接地,整流、逆变两侧晶闸管阀立即闭锁,电压降为零,迫使直流电流降到零,故障电弧熄灭不存在电流无法过零的困难,直流线路单极故障的恢复时间一般在0.2~0.35秒内。
过负荷能力。交流输电线路具有较高的持续运行能力,其最大输送容量往往受稳定极限控制。直流线路也有一定的过负荷能力,受制约的往往是换流站。通常分2小时过负荷能力、10秒钟过负荷能力和固有过负荷能力等。前两者葛上直流工程分别为10%和25%,后者视环境温度而异。就过负荷而言,交流有更大灵活性,直流如果需要更大过负荷能力,则在设备选型时要预先考虑,此时需增加投资。
潮流和功率控制。交流输电取决于网络参数、发电机与负荷的运行方式,值班人员需要进行调度,但又难于控制,直流输电则可全自动控制。直流输电控制系统响应快速、调节精确、操作方便、能实现多目标控制。
短路容量。两个系统以交流互联时,将增加两侧系统的短路容量,有时会造成部分原有断路器不能满足遮断容量要求而需要更换设备。直流互联时,不论在哪里发生故障,在直流线路上增加的电流都是不大的,因此不增加交流系统的断路容量。
电缆。电缆绝缘用于直流的允许工作电压比用于交流时高两倍,例如35kV的交流电缆容许在100kV左右直流电压下工作,所以在直流工作电压与交流工作电压相同的情况下,直流电缆的造价远低于交流电缆。
输电线路的功率损耗比较。在直流输电中,直流输电线路沿线电压分布平稳,没有电容电流,在导线截面积相同,输送有用功率相等的条件下,直流线路功率损耗约为交流线路的2/3。并且不需并联电抗补偿。
线路走廊。按同电压500kV考虑,一条500kV直流输电电线路的走廊约40m,一条500kV交流线路走廊约为50m,但是1条同电压的直流线路输送容量约为交流的2倍,直流输电的线路走廊其传输效率约为交流线路的2倍甚至更多一点。
总的来说,下列因素限制了直流输电的应用范围:不能用变压器来改变电压等级;换流站的费用高;控制复杂。
2)可靠性
强迫停运率

电能不可用率

3)经济性
就变电和线路两部分看,直流输电换流站投资占比重很大,而交流输电的输电线路投资占主要成分;
直流输电功率损失比交流输电小得多;
当输送功率增大时,直流输电可以采取提高电压、加大导线截面的办法,交流输电则往往只好增加回路数。
在某一输电距离下,两者总费用相等,达一距离称为等价距离。这是一个重要的工程初估数据。超过这一距离时,采用直流有利;小于这一距离时,采用交流有利。

高压直流输电分类:
1)两端HVDC系统:由两个换流站组成的直流输电系统。分为单极类、双极类和背靠背,前两个很好理解,主要就是背靠背直流。
背靠背直流:
没有直流线路的HVDC系统。
主要用于两个非同步运行的交流电力系统之间的联网或送电,也称非同步联络站。
整流站和逆变站的设备通常装设在一个站内,也称背靠背换流站。
直流侧可选择低电压大电流;直流侧谐波不会造成通信线路的干扰;造价比常规换流站降低约15%~20%。

2)多端直流输电系统(MTDC):将直流系统联接到交流电网上的节点多于两个时,就构成了多端高压直流系统。

目前国内的高压直流输电工程还是非常多的。


关于换流器的原理就不展开了,很多电力电子内容,主要总结下直流输电控制方式。
直流输电控制系统的目标是:
1)保持直流功率、电压、电流和控制角在稳态值范围内;
2)限制暂态过电压和过电流;
3)交直流系统故障后,在规定的响应时间内平稳地恢复送电。
直流系统的主要优势就在于控制,其中也是比较复杂。
直流输电基本控制模块:
低压限流控制(VDCOL):低压限流环节的任务是在直流电压或交流电压跌落到某个指令值时对直流电流指令进行限制。

定电流控制(CCA):在极控制功能中定电流控制应用最为广泛。定电流控制的控制框图如图所示。在整流侧,定电流控制器的输入量是电流整定值TM3与实际电流TM4的偏差。

定熄弧角控制(AMAX):绝大多数直流工程的熄弧角定值都在15°~18°的范围内,熄弧角这一变量可以直接测量,却不能直接控制,只能靠改变换流器的触发角来间接调节。熄弧角不仅与逆变侧触发角有关,还取决于换相电压和直流电流的大小。
定电压控制(VCAREG):在整流和逆变方式下都设置了定电压控制功能模块,这个控制器的功能是用于降压运行,但它也有利于正常方式运行,其控制也采用的是PI调节方式。
辅助控制模块:
分接头控制(TCC):分接头控制的目的是保持触发角、熄弧角、直流电压运行在指定范围内,分接头控制的特点是调节速度比较慢。
无功功率控制(RPC):不同的直流工程,滤波器和电容器分成几组,由电力开关进行投切。
一般情况下,1)当两侧交流系统中的电压波动不大时,整流侧采用定电流控制,逆变侧采用定熄弧角控制。2)为了快速、精确地调节功率,整流侧采用定电流控制(或定功率控制),逆变侧采用定直流电压控制。
原因在于:整流侧用定电流控制可以控制触发角根据负载改变,定电压控制保持逆变侧触发角恒定,这样传输电流即功率传输大小可以通过整流侧触发角来控制。不过当整流侧触发角达到最小值(大概5°),就不能继续用定电流控制了,整流侧触发角只能恒定,也会变成定电压控制了。

这块和运行关系紧密,里面内容挺复杂,自己也不是特别熟悉,只是总结个皮毛。
1)换相失败
换相失败是直流系统比较关键且常见的故障。
当换流器做逆变运行时,从被换相的阀电流过零算起,到该阀重新被加上正向电压为止这段时间所对应的角度,也称为关断角(熄弧角)。如果关断角太小,以致晶闸管阀来不及完全恢复正常阻断能力,又重新被加上正向电压,它会自动重新导通,于是将发生倒换相过程,其结果将使该导通的阀关断,而应该关断的阀继续导通,称为换相失败。
换相失败主要原因是交流系统故障,其使得逆变侧换流母线电压下降。在一定的条件下,有些换相失败可以自动恢复。但是如果发生两次或多次连续换相失败,换流阀就会闭锁,中断直流系统的输电通道,在严重的情况下可能会出现多个逆变站同时发生换相失败,甚至导致电网崩溃。

换相重叠角的影响:当β》γ时,换相结束时,晶闸管能承受反压而关断。如果β《γ时(从图右下角的波形中可清楚地看到),该通的晶闸管(VT2)会关断,而应关断的晶闸管(VT1)不能关断,最终导致逆变失败。
2)无功补偿
直流系统的无功计算,也是要分为常规计算和系统仿真两部分。
采用普通晶闸管换流阀进行换流的高压直流输电换流站,一般均采用电网电源换相控制技术,其特点是换流器在运行中要从交流系统吸取大量的无功功率。与交换的有功功率成正比,在额定工况时整流装置所需的无功功率约为有功功率的30%~50%,逆变装置约为40%~60%。
常规计算的话,换流器消耗的无功功率可由下式表示:

P为换流器直流侧功率,MW;φ为换流器的功率因数角;μ为换相角;α为整流器触发角。当换流器以逆变方式运行时,式中的α用γ代替,γ为逆变侧关断角。
当然具体工程中,无功配置还涉及各种无功分组方案的比较,感性和容性都要考虑,但一般来说感性无功主要考虑小负荷方式无功过剩情况,很多时候计算出来是不需要配的。
然后就是系统仿真校核工作,就是用电力软件仿真各种工况下稳态和暂态的运行情况,故障方式下的稳定情况。
提供所需无功功率最节省的方法是使用并联电容器组。既然无功随着所传输的直流功率变化,就必须提供可切换的适当容量的电容器组,以便稳态直流电压在各种负荷水平下保持在可接受范围(通常±5%)。如果发电机在直流端附近,则对处理部分无功功率需求和保持稳态电压在可接受范围内是很有用处的。对于弱交流系统,或许有必要以静止无功补偿器(SVC)或静止同步补偿器(STATCOM)提供无功补偿。

3)谐波抑制
换流器在交流侧和直流侧都要产生高次谐波。换流装置对于交流侧是一个谐波电流源,对于直流侧则是一个谐波电压源。交流侧特征谐波举例如下。

在理想工况的运行下,系统存在特征谐波。但是实际直流输电工程的运行工况不可能是理想的,因此还存在非特征谐波。
换流站谐波抑制措施主要有两种:

4)直流调制
直流输电系统调制功能属系统控制层次的一种控制功能。
它利用直流输电系统所连交流系统的某些参量,对直流功率或直流电流、直流电压、换流器吸收的无功功率进行调整,借以充分发挥直流系统功率的快速可控性,改善交流系统运行性能。一个直流输电系统是否需要设计某种调制功能,完全取决于它所连接的交流系统的需要,因而每个工程都可能不一样。常用的调制功能有:(1)功率提升(或回降),(2)频率控制,(3)阻尼控制。
简单地总结这四种调制。
功率提升(或回降):当受端(或送端)交流电网发生严重故障时,有可能要求直流系统迅速增大(或减小)输送的直流功率,支援受端(或送端)电网,这种调制功能也称为紧急功率支援。

频率控制:利用直流输电系统功率的快速可控性,调节所连一端或两端交流系统频率,共同利用两端交流系统热备用容量。
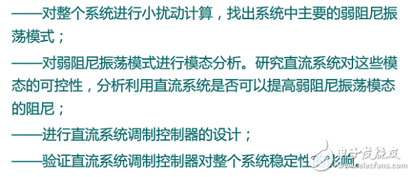
阻尼控制:这点工程中还是比较关注的,即利用功率的快速可控性用于组你控制。如阻尼所连交流系统中的次同步振荡,阻尼低频功率振荡等。主要过程如下:

这块主要是两部分内容,可能自己涉及的面不够广,所以应该还有其他的内容。
1)特高压直流输电
围绕交流特高压的争议已持续经年,力推交流特高压的国家电网认为该项目优势明显,可以解决新能源消纳、区域电力资源平衡和治理雾霾等问题;反对者则认为±500千伏超高压和直流特高压完全可以解决上述问题,交流特高压经济性差且存安全隐患,不宜开工建设。但是有一点两边的意见是一致的,就是特高压直流输电是非常好的一种输电方式。
国内投运和在建的特高压直流线路也很多,比如±800kV云广、向上、锦苏、哈郑线等。下图为向上线(向家坝-上海)路径图

UHVDC的系统组成形式与高压直流输电同,但单桥个数、输送容量、电气一次设备的容量及绝缘水平等相差很大。
2)轻型直流输电技术
轻型直流输电:以电压源型换流器(VSC)为核心,硬件上采用IGBT等可关断器件,控制上采用脉宽调制技术(PWM)以达到具有高可控性直流输电的目的。

由于VSC的应用,VSC-HVDC和HVDC的区别如下:

VSC-HVDC的控制方式还是比较成熟的,目前研究主要集中于拓扑结构方面,比如多电平等等(也有可能我的信息不够前沿),比如模块化多电平换流器(MMC)。
VSC-HVDC应用前景还是很广泛的,个人最看好新能源并网和中心城区电网的应用。