全球最实用的IT互联网信息网站!
AI人工智能P2P分享&下载搜索网页发布信息网站地图
充电桩微电网系统及应用场景
阅读全文2023-11-24
电力变压器健康状态多参量感知与智能评估
一文详解35kv变压器结构
阅读全文2023-11-20
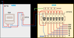
为什么会突然跳闸?空气开关工作原理解析
阅读全文2023-11-17
中国光伏产能过剩了吗?工信部回应
阅读全文2023-11-15
一文详解电气二次控制回路
全面解析一次、二次设备基础知识
阅读全文2023-11-14
新型电力系统故障暂态电气量宽频域应用
阅读全文2023-11-13
电网谐波产生的原因 电网产生谐波导致哪些危害
阅读全文2023-11-10
微网仿真测试系统解决方案
阅读全文2023-11-09
上海贝岭新一代国网电表内置负荷开关驱
车机DAB功能验证方法论及测试三神器简介
泰克示波器+IMDA软件优化光伏发电系统的
【新闻中心】智唤建筑 电联未来|2025年江
CPU | 内存 | 硬盘 | 显卡 | 显示器 | 主板 | 电源 | 键鼠 | 网站地图
Copyright © 2025-2035 诺佳网 版权所有 备案号:赣ICP备2025066733号 本站资料均来源互联网收集整理,作品版权归作者所有,如果侵犯了您的版权,请跟我们联系。