全球最实用的IT互联网信息网站!
AI人工智能P2P分享&下载搜索网页发布信息网站地图
高压柜无源无线测温系统
阅读全文2023-09-26
MCU在光伏逆变器和储能系统的应用
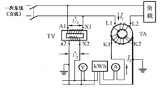
互感器基础知识大全 电流互感器和电压互感器的
变压器----改变电压的原理!
阅读全文2023-09-25
基于PXIBox5442的光伏逆变器实时仿真方案
配电房无人值守改造
智能配电房电力监控系统
配电室智能监控系统
配电房无人值守系统
三相电用电不平衡会有什么影响
上海贝岭新一代国网电表内置负荷开关驱
车机DAB功能验证方法论及测试三神器简介
泰克示波器+IMDA软件优化光伏发电系统的
【新闻中心】智唤建筑 电联未来|2025年江
CPU | 内存 | 硬盘 | 显卡 | 显示器 | 主板 | 电源 | 键鼠 | 网站地图
Copyright © 2025-2035 诺佳网 版权所有 备案号:赣ICP备2025066733号 本站资料均来源互联网收集整理,作品版权归作者所有,如果侵犯了您的版权,请跟我们联系。