时间:2025-06-12 11:44
人气:
作者:admin
IDO-EVB3562-V2开发板规格书 |
文档修订历史
版本 | PCBA版本 | 修订内容 | 修订 | 审核 | 日期 |
V2.0 | V2A | 文档修改 | GZH | IDO | 2024/12/30 |
1 产品概述
IDO-EVB3562-V2采用 Rockchip RK3562(Quad-core ARM Cortex-A53,主频最高2.0GHz)设计的评估板,最大支持 8GB 内存;内置独立的 NPU,可用于轻量级人工智能应用;RK3562 拥有 PCIE2.1 / USB3.0 OTG / 双以太网等各类型接口,支持多种视频输入输出接口,可应用于物联网网关、平板电脑、智能家居、教育电子、工业显示、工业控制等行业定制市场。丰富的外部接口支持,RK3562 SoC 内部组成。
1.1 产品特点
1搭载瑞芯微新一代SOC RK3562/RK3562J(Quad-core ARM Cortex-A53,主频最高 2.0GHz);
2
1TOPS的神经网络加速引擎,支持integer 8, integer 16, oat point 16, bfloat point 16 and tf32神经网络运算;
3
支持 4K 30fps H.265/H.264/VP9 视频解码;
4
支持 13M ISP,支持HDR;
5支持多路摄像头视频采集;
6单路MIPI-DSI,支持到2048*1080@60fps ;
7单通道LVDS,支持到1366*768@60fps ;
8两路独立的千兆以太网口;
9支持5G/4G/WIFI/蓝牙无线通信;
10丰富的系统支持, Android,Linux;
1.2 产品外观及尺寸
IDO-EVB3562-V2正面图,如下图所示:

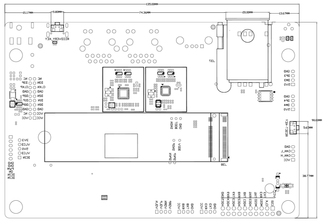
IDO-EVB3562-V2背面图,如下图所示:

IDO-EVB3562-V2正面尺寸图,如下图所示:

IDO-EVB3562-V2背面尺寸图,如下图所示:

2 技术参数
2.1 硬件参数
硬件参数,如下表所示:
基本参数 | |
SOC系统芯片 | RockChip RK3562/RK3562J |
CPU | 四核 Cortex-A53 处理器,主频最高2.0GHz |
GPU | ARM G52 2EE |
NPU | 1TOPS的神经网络加速引擎 |
VPU | 支持 4K 30fps H.265/H.264/VP9 视频解码 |
内存 | LPDDR4/LPDDR4x,默认2GB/4GB(最高支持8GB) |
存储 | eMMC 默认16GB/32GB(可选16GB/32GB/64GB) |
硬件参数 | |
以太网络 | 支持1路RGMII千兆以太网(1000 M bps) |
无线网络 | Mini PCIE 扩展 4G/5G LTE |
显示 | 视频输出: |
音频接口 | 1 × Speaker,左右双声道喇叭输出(4Ω3W) |
USB | 1 × Type-C(USB2.0 OTG) |
扩展接口 | 1 × Debug UART TTL(UART0) |
其他 | |
主板尺寸 | 135mm x 90mm |
2.2 工作环境
工作环境,如下表所示:
工作环境 | |
工作温度 | 0~+70℃【RK3562】 |
工作湿度 | 0~90% RH 非冷凝 |
存储温度 | -40~+85℃ |
2.3 系统支持
系统支持,如下表所示:
序号 | 操作系统 | 支持 | 说明 |
1 | Android | / | |
2 | Debian | / | |
3 | Ubuntu | / | |
4 | Buildroot | / |
3 接口定义
IDO-EVB3562-V2正面接口位号图,如下图所示:

IDO-EVB3562-V2背面接口位号图,如下图所示:

3.1 电源接口
主板额定电压: 12V。
电流要求:不小于2A 。
注意:
主板可适应的供电电压范围:9V-26V。当接LVDS大屏/EDP屏幕时,根据屏幕背光电压供电,一般为12V供电。
3.1.1 主板供电方法
1通过J2 DC-042座 (内径2mm,外径6mm) 连接电源适配器,电源插头参考图片,如下图所示:

2通过J20 LVDS背光座 PH2.0-6P座 。参考LVDS接口部分。
3.2 LVDS接口
1支持1路单通道LVDS屏幕接口,最大支持1280*800@60fps分辨率屏幕 ;
2可选屏幕驱动电压,支持3.3V/5V/12V跳线选择的;
31路LVDS背光座PH2.0-6P(红色)。
3.2.1 LVDS
(J14) 2X10P 2mm间距 双排针 直针 黑色,如下图所示:

IDO-EYB3562-V2A | |||
序号 | 定义 | 电平/V | 说明 |
1 | LVDS_VIO | 3.3V/5V/12V | 1LVDS屏幕供电 |
2 | LVDS_VIO | 3.3V/5V/12V | |
3 | LVDS_VIO | 3.3V/5V/12V | |
4 | NC | / | 悬空 |
5 | GND | GND | 电源地 |
6 | GND | GND | 电源地 |
7 | LVDS_D0N | / | LVDS0_D0信号对 |
8 | LVDS_D0P | / | |
9 | LVDS_D1N | / | LVDS0_D1信号对 |
10 | LVDS_D1P | / | |
11 | LVDS_D2N | / | LVDS0_D2信号对 |
12 | LVDS_D2P | / | |
13 | GND | GND | 电源地 |
14 | GND | GND | 电源地 |
15 | LVDS_CLKN | / | LVDS0_CLK信号对 |
16 | LVDS_CLKP | / | |
17 | LVDS_D3N | / | LVDS0_D3信号对 |
18 | LVDS_D3P | / | |
19 | NC | / | 悬空 |
20 | NC | / | 悬空 |
3.2.2 LVDS Power Jumper
(J21) 5P 2mm间距 单排针 直针 黑色,如下图所示:
IDO-EYB3562-V2A ![]() | |||
序号 | 定义 | 电平/V | 说明 |
1 | 12V | 12V | 1-2 短接选择 12V |
2 | LVDS_VIO | / | / |
3 | 5V | 5V | 2-3 / 3-4 短接选择 5V |
4 | LVDS_VIO | / | / |
5 | 3.3V | 3.3V | 4-5 短接选择 3.3V |
3.2.3 LVDS BL
(J20) PH2.0-6P 红色 直针,如下图所示:
IDO-EYB3562-V2A ![]() | |||
序号 | 定义 | 电平/V | 说明 |
1 | GND | GND | 电源地 |
2 | GND | GND | |
3 | LVDS_PWM | 3.3V | LVDS背光调节控制信号 |
4 | LVDS_ON | 3.3V | LVDS背光使能输出信号 |
5 | 12V | 12V | 电源12V,直连DC座电源输入 |
6 | 12V | 12V | |
3.3 MIPI_DSI_TX接口
主板默认1路MIPI-DSI输出,支持2048*1080@60fps;
(J13) 24Pin FPC 0.5mm 上接 MIPI_DSI_TX接口,如下图所示:
![]() IDO-EYB3562-V2A | |||
序号 | 定义 | 电平/V | 说明 |
1 | GND | GND | 电源地 |
2 | MIPI_DSI_TX_D0N | / | MIPI_DSI_TX_D0信号对 |
3 | MIPI_DSI_TX_D0P | / | |
4 | GND | GND | 电源地 |
5 | MIPI_DSI_TX_D1N | / | MIPI_DSI_TX_D1信号对 |
6 | MIPI_DSI_TX_D1P | / | |
7 | GND | GND | 电源地 |
8 | MIPI_DSI_TX_CLKN | / | MIPI_DSI_TX_CLK信号对 |
9 | MIPI_DSI_TX_CLKP | / | |
10 | GND | GND | 电源地 |
11 | MIPI_DSI_TX_D2N | / | MIPI_DSI_TX_D2信号对 |
12 | MIPI_DSI_TX_D2P | / | |
13 | GND | GND | 电源地 |
14 | MIPI_DSI_TX_D3N | / | MIPI_DSI_TX_D3信号对 |
15 | MIPI_DSI_TX_D3P | / | |
16 | MIPI_DSI_TX_RST | 1.8V | MIPI_DSI_TX复位信号 |
17 | VCC_1.8V | 1.8V | VCC_1.8V供电 |
18 | VCC_1.8V | 1.8V | |
19 | VCC_3.3V | 3.3V | VCC_3.3V供电 |
20 | VCC_3.3V | 3.3V | |
21 | VCC_LEDK_TX | 0.2V | MIPI-DSI背光源负极 |
22 | VCC_LEDK_TX | 0.2V | |
23 | VCC_LEDA_TX | 30V | MIPI-DSI背光源正极 |
24 | VCC_LEDA_TX | 30V | |
注意:
MIPI-DSI背光电流可通过更改物料调节,默认80mA。
3.4 TP接口
(J18) 6Pin FPC 0.5mm 前插后压,如下图所示:
IDO-EYB3562-V2A ![]() | |||
序号 | 定义 | 电平/V | 说明 |
1 | 3.3V | 3.3V | 3.3V电源 |
2 | TP_RST | 3.3V | TP复位信号 |
3 | TP_INT | 3.3V | TP中断信号 |
4 | TP_SCL | 3.3V | I2C总线信号 |
5 | TP_SDA | 3.3V | |
6 | GND | GND | GND |
3.5 MIPI-CSI接口
IDO-EVB3562-V2支持2路MIPI-CSI(2lan)+1路MIPI-CSI(4lan)或者 2路MIPI-CSI(4lan)
3.5.1 MIPI-CSI0
(J32) 30Pin FPC 0.5mm 翻盖下接,如下图所示:
IDO-EYB3562-V2A ![]() | |||
序号 | 定义 | 电平/V | 说明 |
1 | GND | GND | 电源地 |
2 | MIPI_CSI_RX0_D0N | / | MIPI_CSI_D0信号对 |
3 | MIPI_CSI_RX0_D0P | / | |
4 | GND | GND | 电源地 |
5 | MIPI_CSI_RX0_CLK0N | / | MIPI_CSI_CLK信号对 |
6 | MIPI_CSI_RX0_CLK0P | / | |
7 | GND | GND | 电源地 |
8 | MIPI_CSI_RX0_D1N | / | MIPI_CSI_D1信号对 |
9 | MIPI_CSI_RX0_D1P | / | |
10 | GND | GND | 电源地 |
11 | MIPI_CSI_RX0_D2N | / | MIPI_CSI_D2信号对 |
12 | MIPI_CSI_RX0_D2P | / | |
13 | GND | GND | 电源地 |
14 | MIPI_CSI_RX0_D3N | / | MIPI_CSI_D3信号对 |
15 | MIPI_CSI_RX0_D3P | / | |
16 | GND | GND | 电源地 |
17 | MIPI_CLKOUT | 1.8V | CIF时钟信号 |
18 | GND | GND | 电源地 |
19 | MIPI_PDN_L | 1.8V | CIF使能信号,低有效 |
20 | MIPI_RESET_L | 1.8V | CIF复位信号,低有效 |
21 | I2C_SCL | 1.8V | I2C总线信号 |
22 | I2C_SDA | 1.8V | |
23 | GND | GND | 电源地 |
24 | VCC2V8_DVP | 2.8V | 电源2.8V输出 |
25 | GND | GND | 电源地 |
26 | NC | / | 悬空 |
27 | VCC1V8_DVP | 1.8V | 电源1.8V输出 |
28 | VCC1V2_DVP | 1.2V | 电源1.2V输出 |
29 | VCC2V8_DVP | 2.8V | 电源2.8V输出 |
30 | NC | / | 悬空 |
3.5.2 MIPI-CSI1
(J61) BTB连接器(OK-14F030-04) 30Pin 0.4mm间距,如下图所示:
![]() | |||
序号 | 定义 | 电平/V | 说明 |
1 | MIPI_CSI_RX1_D2P | / | MIPI_CSI_D2P信号对 |
2 | MIPI_CSI_RX1_D3P | / | MIPI_CSI_D3P信号对 |
3 | MIPI_CSI_RX1_D2N | / | MIPI_CSI_D2N信号对 |
4 | MIPI_CSI_RX1_D3N | / | MIPI_CSI_D3N信号对 |
5 | CIF2_RST | 1.8V | CIF复位信号,低有效 |
6 | GND | GND | 电源地 |
7 | MIPI_CSI_RX1_D1P | / | MIPI_CSI_D1P信号对 |
8 | VCC2V8_DVP | 2.8V | 电源2.8V输出 |
9 | MIPI_CSI_RX1_D1N | / | MIPI_CSI_D1N信号对 |
10 | NC | / | 悬空 |
11 | MIPI_CSI_RX1_D0P | / | MIPI_CSI_D0P信号对 |
12 | GND | GND | 电源地 |
13 | MIPI_CSI_RX1_D0N | / | MIPI_CSI_D0N信号对 |
14 | MIPI_CLKOUT | 1.8V | CIF时钟信号 |
15 | MIPI_CSI_RX1_CLK0P | / | MIPI_CSI_CLK信号对 |
16 | GND | GND | 电源地 |
17 | MIPI_CSI_RX1_CLK0N | / | MIPI_CSI_CLK信号对 |
18 | NC | / | 悬空 |
19 | GND | GND | 电源地 |
20 | MIPI_PDN_L | 1.8V | CIF使能信号,低有效 |
21 | I2C_SCL | 1.8V | I2C总线信号 |
22 | VCC1V2_DVP | 1.2V | 电源1.2V输出 |
23 | I2C_SDA | 1.8V | I2C总线信号 |
24 | VCC1V8_DVP | 1.8V | 电源1.8V输出 |
25 | VCC2V8_DVP | 2.8V | 电源2.8V输出 |
26 | MIPI_PDN_L | 1.8V | CIF使能信号,低有效 |
27 | GND | GND | 电源地 |
28 | NC | / | 悬空 |
29 | GND | GND | 电源地 |
30 | GND | GND | 电源地 |
3.5.3 MIPI-CSI2
(J31) 24Pin FPC 0.5mm 抽屉上接,如下图所示:
IDO-EYB3562-V2A ![]() | |||
序号 | 定义 | 电平/V | 说明 |
1 | VCC2V8_DVP | 2.8V | 电源2.8V输出 |
2 | VCC2V8_DVP | 2.8V | 电源2.8V输出 |
3 | VCC1V5_DVP | 1.5V | 电源1.5V输出 |
4 | VCC1V8_DVP | 1.8V | 电源1.8V输出 |
5 | MIPI_RESET_L | 1.8V | CIF复位信号,低有效 |
6 | MIPI_PDN_L | 1.8V | CIF使能信号,低有效 |
7 | I2C_SCL | 1.8V | I2C总线信号 |
8 | I2C_SDA | 1.8V | |
9 | MIPI_CLKOUT | 1.8V | CIF时钟信号 |
10 | GND | GND | 电源地 |
11 | MIPI_CSI_RX0_D2N | / | MIPI_CSI_D2信号对 |
12 | MIPI_CSI_RX0_D2P | / | |
13 | GND | GND | 电源地 |
14 | MIPI_CSI_RX0_D3N | / | MIPI_CSI_D3信号对 |
15 | MIPI_CSI_RX0_D3P | / | |
16 | GND | GND | 电源地 |
17 | MIPI_CSI_RX0_CLK1N | / | MIPI_CSI_CLK信号对 |
18 | MIPI_CSI_RX0_CLK1P | / | |
19 | GND | GND | 电源地 |
20 | NC | / | 悬空 |
21 | NC | / | 悬空 |
22 | GND | GND | 电源地 |
23 | NC | / | 悬空 |
24 | NC | / | 悬空 |
3.6 Speaker接口
(J34) PH2.0-4P 直插 白色 双声道扬声器接口,每个声道支持4ohm 3W输出,如下图所示:
IDO-EYB3562-Y2A ![]() | |||
序号 | 定义 | 电平/V | 说明 |
1 | VOLN | / | 左声道喇叭驱动输出 |
2 | VOLP | / | |
3 | VORN | / | 右声道喇叭驱动输出 |
4 | VORP | / | |
3.7 Headphone接口
(J4) 支持1路3.5mm四节耳机座(CTIA),如下图所示:
IDO-EYB3562-V2A

意:
美标耳机的插头示意图如下所示。国标(OMTP)和美标(CTIA)的区别在于MIC和GND,两者相反, IDO-EVB3562-V2 CTIA接口示意图,如下图所示:
MIC
GND
CTIA

3.8 Mic接口
(J5) MX1.25-2P 立贴 米白色 单麦克风录音接口,支持驻极体麦克风输入,如下图所示:
IDO-EYB3562-V2A ![]() | |||
序号 | 定义 | 电平/V | 说明 |
1 | MIC1_IN | 3.3V | 麦克风音频输入 |
2 | GND | GND | 电源地 |
3.9 PCIe2.1(M2_NGFF-M-KEY)接口
(J38) M.2接口座
注意:
USB3.0 OTG / PCIe2.1接口复用,默认为PCIe2.1功能(通过YT6801扩展千兆以太网)
IDO-EVB3562-V2预留了标准M2_NGFF-M-KEY座(J38),支持PCIe2.1通信,适用2280尺寸固态硬盘。可通过修改主板上的配置电阻可支持外扩2280尺寸固态硬盘,如下图所示:

3.10 TF卡接口
(J6) TF卡座支持SDIO3.0, 支持高速SD卡,如下图所示:
IDO-EYB3562-V2A

3.11 USB接口
3.11.1 TypeC接口
(J1) 主板支持1个Type-C接口(USB2.0 OTG),可用来下载固件,如下图所示:

3.11.2 USB-A接口
IDO-EVB3562-V2主板默认支持3个USB2.0接口,其中1路用TYPE-A母座引出,2路用PH-4连接器引出。USB接口默认提供5V@1A的驱动能力。
IDO-EYB3562-V2A

3.11.3 PH2.0-4P接口
(J11、J17) 主板支持两个USB2.0 接口 PH2.0-4P 直插 米白色 ,如下图所示:
IDO-EYB3562-V2A ![]() | |||
序号 | 定义 | 电平/V | 说明 |
1 | 5V | 5V | 5V电源输出 |
2 | DM | / | USB2.0信号 |
3 | DP | / | |
4 | GND | GND | 电源地 |
3.12 Ethernet接口
注意:
USB3.0 OTG / PCIe2.1接口复用,默认为PCIe2.1功能(通过YT6801扩展千兆以太网)
IDO-EVB3562-V2主板支持2路独立千兆以太网接口J7、J8,如下图所示:
IDO-EYB3562-V2A

3.13 RS232接口
主板一共扩展2路RS232接口,通过2个PH2.0-4P 米白色 直针座子接出,如下表所示:
连接器(设备节点) | UART TTL | RS232 |
J35(/dev/ttyS8) | (默认功能) | |
J36(/dev/ttyS3) | (默认功能) |
![]() | |||
序号 | 定义 | 电平/V | 说明 |
1 | VCC | 5V/3.3V | 默认5V电源输出,可配置为3.3V |
2 | RX | / | RS232-接收 |
3 | TX | / | RS232-发送 |
4 | GND | GND | 电源地 |
3.14 Debug接口
(J19) 1.25T 3P 立贴 米白色,如下图所示:
IDO-EYB3562-Y2A ![]() | |||
序号 | 定义 | 电平/V | 说明 |
1 | UART0_RX_M0_DEBUG | 3.3V TTL | 默认1.5Mbps波特率 |
2 | UART0TX_M0_DEBUG | 3.3V TTL | |
3 | GND | GND | 电源地 |
3.15 LED指示灯
LED指示灯如下图所示:
IDO-EYB3562-V2A ![]() | |||
序号 | 定义 | 电平/V | 说明 |
黄灯(LED1) | System_LED | 3.3V | 上电常亮,系统运行状态指示灯,频率表示当前CPU负荷 |
蓝灯(LED2) | 4G/5G_LED | 3.3V | 无线模块工作指示灯 |
3.16 GPIO接口
(J33) 2.0mm双排针 20Pin 直插 黑色,如下图所示:
![]() | |||
序号 | 定义 | 电平/V | 说明 |
1 | VCC | 5V/3.3V | 默认5V供电输出,可配置为3.3V |
2 | SPI0_CSN0_M0/PWM5_M0/UART2_CTSN_M0/GPIO0_C2_d | 3.3V | SPI0_CSN0_M0信号 |
3 | UART3_TX_M1/GPIO3_B7_d | 1.8V | UART3_TX_M1信号,TTL |
4 | SPI0_CLK_M0/PWM0_M0/UART2_RTSN_M0/GPIO0_C3_d | 3.3V | 默认SPI0_CLK_M0信号 |
5 | UART3_RX_M1/GPIO3_C0_d | 1.8V | UART3_RX_M1信号,TTL |
6 | SPI0_MOSI_M0/PWM1_M0/UART6_CTSN_M0/GPIO0_C4_d | 3.3V | 默认SPI0_MOSI_M0信号 |
7 | UART6_TX_M0/CAN0_TX_M2/GPIO0_C6_d | 3.3V | GPIO0_C6_d信号,默认悬空 |
8 | SPI0_MISO_M0/PWM2_M0/UART6_RTSN_M0/GPIO0_C5_d | 3.3V | 默认SPI0_MISO_M0信号 |
9 | UART6_RX_M0/CAN0_RX_M2/GPIO0_C7_d | 3.3V | GPIO0_C7_d信号,默认悬空 |
10 | ADC0 | 1.8V | ADC信号 |
11 | UART8_TX_M0/GPIO3_B2_d | 3.3V | UART8_TX_M0信号,TTL |
12 | ADC1 | 1.8V | ADC信号 |
13 | UART8_RX_M0/GPIO3_B3_d | 3.3V | UART8_TX_M0信号,TTL |
14 | ADC2 | 1.8V | ADC信号 |
15 | I2C5_SCL_M0/UART9_TX_M1/GPIO3_C2_d | 3.3V | 默认I2C5_SCL_M0 |
16 | ADC3 | 1.8V | ADC信号 |
17 | I2C5_SDA_M0/UART9_RX_M1/GPIO3_C3_d | 3.3V | 默认I2C5_SDA_M0 |
18 | ADC4 | 1.8V | ADC信号 |
19 | GND | GND | 电源地 |
20 | ADC5 | 1.8V | ADC信号 |
3.17 4G/5G接口
主板默认通过Mini PCIE 扩展 4G LTE/5G,适配移远EC20/EC200T/EC25/RG200U等通用模组,使用M2的螺丝固定,如下图所示:


3.18 SIM卡座
(J37) SIM卡座位于主板背面,将标准尺寸SIM卡放入卡槽,如下表所示:
序号 | 名称 | 图片 | |
1 | 标准尺寸SIM卡 | ![]() | |
3.19 WiFi/BT
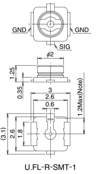
板载WiFi/BT模组,支持WiFi5(802.11 a/b/g/n/ac)+BT5.2功能;WIFI天线采用IPEX 1代座,如下图所示
IDO-EVB3562-V2A

IPEX天线座一代示意图,如下图所示:

3.20 RTC电池
(J25) 使用CR1220纽扣电池,如下图所示:

IDO-EYB3562-V2A
3.21 CAN
(J22) PH2.0-4P 直插 米白色,如下图所示:
IDO-EVB3562-V2A ![]() | |||
序号 | 定义 | 电平/V | 说明 |
1 | VCC | 5V/3.3V | 默认5V供电输出,可配置为3.3V |
2 | CAN0_H | / | CAN信号 |
3 | CAN0_L | / | |
4 | GND | GND | 电源地 |
3.22 按键
主板提供了3种按键(Recovery按键、Power-on按键、Reset按键),方便开发调试使用。
3.22.1 Recovery按键
(SW2) Recovery按键默认为高电平(1.8V)。
关机状态下:在没有按键动作且系统已经烧录固件的前提下,上电直接进入系统;若系统启动时 Recovery 按键处于按下状态,且电脑通过USB线连接主板TypeC接口,则RK3506进入 Loader 烧写模式,当PC 识别到USB 设备时,松开按键恢复为高电平(1.8V),即可进行固件烧写,系统开机后此按键为音量+键。

3.22.2 Power-on按键
(SW1) Power-on按键:
1开机状态下,长按Power-on键6s,系统强制断电;
2开机状态下短按Power-on键,系统进入待机状态;再次短按Power-on按键退出待机模式,如下图所示:
IDO-EYB3562-V2A

3.22.3 Reset按键
(SW3) 开机状态下,按下Reset按键,系统复位。如下图所示:

4 电气性能
4.1 标准电源
标准电源,如下表所示:
属性 | 最小 | 典型 | 最大 | |
标准电源 | 电压 | 9V | 12V | 26V |
纹波 | / | / | 80mV | |
电流 | 1A | / | / | |
4.2 裸板工作电流
裸板工作电流:不接任何外设下的工作电流,如下表所示:
属性 | 最小 | 典型 | 最大 | |
标准电源 | 静态桌面工作电流 | / | 130mA | 160mA |
安兔兔跑分峰值电流 | 280mA | 310mA | ||
待机电流 | / | 19mA | / | |
关机电流 | / | / | <1mA | |
4.3 GPIO DC特性
Parameters | Symbol | Min | Typ | Max | Unit | |
Digital GPIO @3.3V | Input Low Voitage | Vil | -0.3 | NA | 0.8 | V |
Input High Voitage | Vih | 2.0 | NA | VDDO+0.3 | V | |
Output Low Voitage | Vol | -0.3 | NA | 0.4 | V | |
| Output High Voitage | Voh | 2.4 | NA | VDDO+0.3 | V |
Pullup Resistor | Rpu | 16 | NA | 43 | kohm | |
Pulldown Resister | Rpd | 16 | NA | 43 | kohm | |
| Input Low Voitage | Vil | -0.3 | NA | 0.35*VDDO | V |
Input High Voitage | Vih | 0.65*VDDO | NA | VDDO+0.3 | V | |
Output Low Voitage | Vol | -0.3 | NA | 0.4 | V | |
Output High Voitage | Voh | 1.4 | NA | VDDO+0.3 | V | |
Pullup Resistor | Rpu | 16 | NA | 43 | kohm | |
Pulldown Resister | Rpd | 16 | NA | 43 | kohm | |
4.4 USB供电
USB供电,如下表所示:
属性 | 电压 | 典型电流 | 最大电流 | |
标准电源 | USB3.0 | 5V | 1A | 1000mA |
USB2.0 | 5V | 0.5A | 1000mA | |
注意:
USB 外设总电流建议不超过 2000mA ,否则会导致机器无法正常运转。
4.5 LVDS屏工作电流
LVDS屏幕工作电流,如下表所示:
属性 | 最小 | 典型 | 最大 | |
LVDS屏工作电流 | 3.3V工作电流 | / | 400mA | 800mA |
5V工作电流 | / | 550mA | 1000mA | |
12V工作电流 | / | 580mA | 1500mA | |
4.6 MIPI屏工作电流
MIPI屏工作电流,如下表所示:
属性 | 最小 | 典型 | 最大 | |
MIPI屏工作电流 | 3.3V工作电流 | / | 400mA | 800mA |
5V工作电流 | / | / | / | |
12V工作电流 | / | / | / | |
6 使用注意事项
主板在使用时,请特别注意以下事项:
1从包装盒中取出主板后,请确认没有由于运输过程造成的针脚或其它短路再上电。
2电子产品对静电非常敏感,拿主板前,请戴上静电手环或静电手套以将您身上的静电导走。
3请在断电条件下插拔部件。在连接电源接头到主板前请先确认电源处于关闭状态,以避免瞬间的电源冲击造成敏感元件的损坏。
4通过线材连接外设时,请确保各外设针脚定义和主板接口对应,避免因线序错误导致短路烧板。
5螺丝固定主板时,注意避免板卡因变形导致PCB开路或元件脱落。
6在连接可选择电压的屏幕(LVDS),请注意跳线选择的电压与屏幕规格书一致。
7连接外设如USB/扩展座时,注意电流限制。
8连接串口,CAN口时,注意串口电平是否匹配,避免将UART接到RS232或RS485电平上。UART/RS232 注意RX-TX互连。 RS485/CAN接口注意 A-A/B-B,H-H/L-L。
9选择电源时注意电压和电流符合主板及外设功率要求。
10设计整机产品时,应考虑主板散热和限高问题。
11平时不使用主板的时候,请将主板放置在静电桌垫或静电袋内密封保存。