时间:2024-05-11 09:20
人气:
作者:admin
稳压降压模块,是现实生活中常见的一款电源模块,能够处理和调节电流和电压。

1、LM2596是非同步降压型电源管理单片集成电路的开关电压调节器,能够输出3A的驱动电流,同时具有很好的线性和负载调节特性。LM2596内部包含150KHZ振荡器、1.23v基准稳压电路、热关断电路、电流限制电路、放大器、比较器和内部稳压电路等。
2、输入电压范围宽,最高可达40V。范围4.5V~40V。该稳压器能够提供高达3-A的直流负载电流。
3、输出电压:3.3V、5V、12V及(ADJ)等,最大输出电压37V。可调范围1.23~37V。
4、工作模式:低功耗/正常两种模式。可外部控制。
5、工作模式控制:TTL电平相容。
6、所需外部组件:仅四个(不可调);六个(可调)
7、器件保护:热关断及电流限制
8、封装形式:5脚(TO-220(T);TO-263(S))

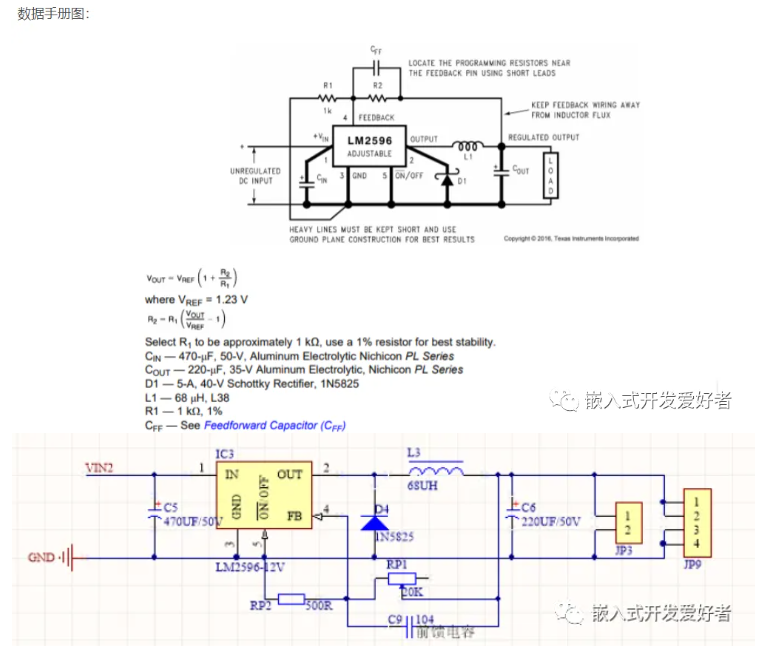
1-Vin: 是IC开关稳压器的正输入电源。引脚上必须有合适的输入旁路电容器,以将电压瞬变降至最低,并为调整器提供所需的开关电流。
2-Output:内部开关。该引脚上的电压在大约(+VIN−VSAT)和大约−0.5V之间切换,占空比为VOUT/VIN。为了最大限度地减少与敏感电路的耦合,必须将连接到此引脚的pcb铜缆面积保持在最小。
3-Ground:电路接地。
4-Feedback:感测调整后的输出电压以完成反馈回路。
5-ON/OFF:允许使用逻辑信号关闭开关稳压器电路,从而将总输入电源电流降至约80µA。将此引脚拉到约1.3 V的阈值电压以下会打开调整器,而将此引脚拉到1.3 V以上(最高可达25 V)将关闭调整器。如果不需要此关机功能,则开/关引脚可以接线到接地引脚,也可以保持打开状态。在任何一种情况下,调节器都将处于ON状态。

说明:
1、D4叫做续流二极管,为L3续流
2、 DCDC开关频率提高,电源纹波变小,环路的带宽变高, 系统的瞬态响应会好,同时频率越高,电感量越小(对应pcb尺寸),但是同时Buck的开关损耗和电感的迟滞和涡流损耗也变大了,实际设计中需要做一些取舍;
由于LM2596内部开关频率较低,对于12V输入,电感最好选择33uH或者47uH,若输入为20V以上,电感量最好用100uH以上的。
3、输出电压:
VOUT=1.23*(1+RP2/RP1)
4、电感选择:
Vsat = 1.16V,VD= 0.5V(二极管的压降)
E·T=(Vin-Vout-Vsat) * (Vout+VD)/(Vin-Vsat+VD) * (1000/150kHZ)
5、前馈电容选择:
CFF= 1 / (31 * 1000 * PR1)

现实生活中,有的需要24V,有的需要19V,有的需要5V,等等,突然想可以通过单片机引脚,使用DAC功能控制输出电压,果断尝试,上原理图先:

计算过程:流过电阻R3的电流I3 ,流过电阻R2的电流I2 ,流过电阻R1的电流I1
FB引脚反馈电压VFB, 单片机DAC输出电压VG,二极管压降VD,
通过下面推导:
I3=(VG-VD-VFB)/R3
I2=(VOUT-VFB)/R2
I1=VFB/R1
VD为二极管导通电压0.4V VFB=1.23
(VG-1.23-0.4)/R3+(VOUT-1.23)/R2=1.23/R1
(VG-1.63)/R3+(VOUT-1.23)/R2=1.23/R1
VG<=1.63V时,I3=0,VOUT=1.23*(1+R2/R1)=23.78V
VG>1.63V时,VOUT=1.23*(1+R2/R1)-(VG-1.63)*R2/R3
VG=3.25V时输出最小 VOUT=23.78-35.64/R3=23.78-23.78=0V
所以可以实现0-23.78V可调
总结:稳压降压模块是现实生活中常见的模块,掌握其中的原理,方能走的更远。