时间:2023-10-31 14:10
人气:
作者:admin
音乐可以将平凡的画面赋予深厚的意义,那么音频接口就是这个支点;今天就来给大家详细介绍一下ELF1/ELF1S开发板的音频接口。
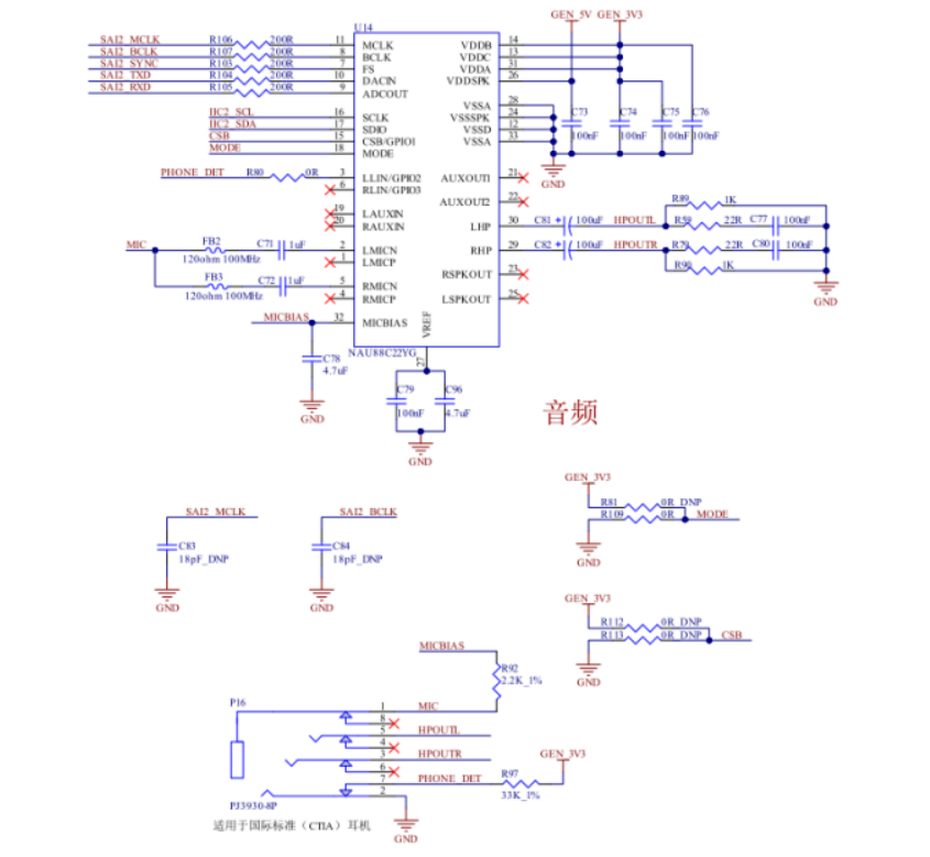
ELF1/ELF1S开发板的音频模块采用了 NAU88C22 芯片,芯片数据信号使用 I2S 接口进行通讯,主要信号功能:

同时,芯片还使用了一组 IIC 接口,对芯片进行配置,I2C 地址:0x1A,硬件电路如下图所示:

底板提供的 3.5mm 音频插座,有 4 级触片,支持左右双声道播放声音,和 MIC 录音。也就是默认的 3.5mm 音频插座的设计,采用了CTIA (国际标准四段式插针)标准,如果插入 OMTP(非国际标准四段式插针)标准耳机,会有放音和录音功能失效的现象。

音频接口问题排查思路
(1)首先检查焊接器件是否与底板的原理图一致,音频芯片是否使用同一型号,电阻电容对应;阻值容值如有改动是否会有影响;
(2)检查焊接上是否有问题:是否芯片虚焊空焊,接地是否良好,画器件封装时中心焊盘是否有过孔接地。
确定以上都没有问题后,要分以下两种情况进行问题排查:首先是核心板不能识别到音频芯片
(1)测量音频芯片的电源脚供电是否正常,是否欠压过压,上电是否有跌坑;
(2)音频芯片通过 I2C 通信,检查核心板是否能读到音频芯片(如果有驱动看驱动能否正常加载,没驱动用 I2C tools 看是否挂载到总线上),如果读不到检查数据时钟线是否上拉;
(3)检查芯片是否有工作模式选择引脚上下拉是否选对了。
核心板能识别到音频芯片
(1)音频芯片和接口间电路连接是否正常,耳机座、耳机是否正常;
(2)如果可正常挂载音频芯片,检查 I2S 电平是否匹配,1.8V / 3.3V 是否要加电平转换;
(3)I2S 总线在 PCB 走线时是否受到电源线等干扰;
(4)检查音频信号波形,先测量音频芯片的输出端,如果正常有波形,则是芯片和音频座连接的问题,如果没有波形,测量 I2S 信号是否给到音频芯片。
关于ELF1/ELF1S开发板的音频接口就先介绍到这里,希望能对各位小伙伴在使用开发板的过程中有所帮助。