时间:2023-10-09 11:14
人气:
作者:admin
加法器(Adder) 是非常重要的,它不仅是其它复杂算术运算的基础,也是** CPU 中 ALU **的核心部件(全加器)。
在数字计算机中,两个二进制数之间的算术逻辑运算(加、减、乘、除),基本上都是化成若干步加法操作进行的。因此,学好数字电路,数字 IC 设计的入门,从学好加法器开始。
加法器分为 半加器 (Half Adder)**** 和 全加器 (Full Adder)**** 。全加器和半加器相比,只是 多了一个来自低位的单比特信号相加的进位输入 ,
全加器就是 3 位相加,半加器就是 2 位相加。例如,我们在做加法运算的时候,总是需要进行低位进位的判断,接着进行下一位的计算,这就是全加器的由来。
此外,下文的 RTL 代码中的 **{} 符号表示的是 ** “拼接位” ,即先计算 a 与 b 的值,当 a 与 b 分别为 “0” 和 “1” 时,它们之和为 1,那么就是{01},对应 cout 和 sum ;当 a 与 b 为 “1” 和 “1” 时,它们之和为 2,那么就是转换为二进制就是{10},同样对应 cout 和 sum 等等。
说太多,都不如底层硬件代码和设计电路看一看、学一学!!!
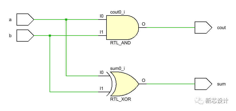
可基于多种方式描述的半加器的 Verilog 代码和 RTL 电路
module Half_Adder(
input wire a, // 加数
input wire b, // 加数
output reg sum, // 和
output reg cout // 进位输出
);
// 行为描述
always @(a or b) begin
sum = a ^ b; // 实践证明,这里 <= 和 = 的结果都一样;都是纯粹的组合逻辑;
cout = a & b;
end
// 数据流描述
// assign sum = a ^ b;
// assign cout = a & b;
// 门级描述
// and(cout,a,b);
// xor(sum,a,b);
endmodule

可基于多种方式描述的全加器的 Verilog 代码和 RTL 电路
module Full_Adder(
input wire a, // 加数
input wire b, // 加数
input wire cin,// 进位输入
output reg sum, // 和
output reg cout // 进位输出
);
// 行为描述
always @(a or b or cin) begin
{cout,sum} <= a + b + cin;
end
// 行为描述
// always @(a or b or cin) begin
// sum = a ^ b ^ cin; // 实践证明,这里 <= 和 = 的结果都一样;都是纯粹的组合逻辑;
// cout = a & b | b & cin | a & cin;
// end
// 数据流描述
// assign {cout,sum} = a + b + cin;
endmodule
