时间:2023-08-08 10:04
人气:
作者:admin
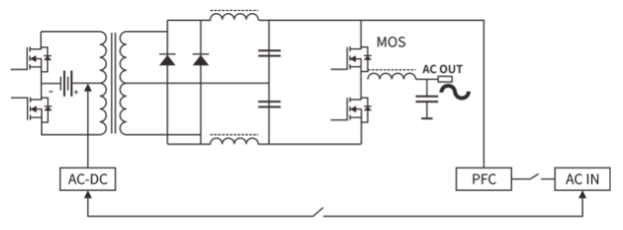
便携式储能电源又被称作户外电源,是一种内置锂离子电池的小型储能设备,可以提供稳定交流/直流电压输出的电源系统,具有大容量、大功率、安全便携等特点,其电池容量一般在100Wh-2000Wh,以下是主逆变储能单元电路拓扑图:

MOS这一功率器件,它驱动电路设计容易,不容易发生一次击穿,电子线路中无处不在,在户外电源应用中也占据了关键位置,高品质的MOS能让户外电源的电气品质进一步提升。
根据户外储能电源对MOS管的需求,这里推荐使用无引脚的TOLL封装中低压MOS管PGT06N009,器件具有较小的尺寸和占用空间,使得器件在储能电源中较小的空间环境中易于集成和布局,相比TO-263-6L,TOLL占板面积缩小30%,高度减小50%,节省了宝贵的PCB应用空间,而且热阻更小从而散热效率更高,封装寄生电感更小,有助于降低生产成本和散热解决方案成本、提高功率密度。

PGT06N009的电流、电压分别为422A、60V,当RDSON@VGS=10V时,内阻为0.67mΩ,当RDSON@VGS=6V时,内阻为0.92mΩ,最高栅源电压(VGS):±20V,具有100%雪崩测试,EAS测试、可靠性高、低Qgd、低RDSon等特点。目前已经广泛用于应用于锂电池保护板、储能、电机驱动、低速电动车、服务器电源、LED电源、PD快充及电动工具;园林工具,电源,无人机等。
注:如涉及作品版权问题,请联系删除。