全球最实用的IT互联网信息网站!
AI人工智能P2P分享&下载搜索网页发布信息网站地图
时间:2023-08-16 17:06
人气:
作者:admin
标签: 线路 差动 常规 纵联 继电
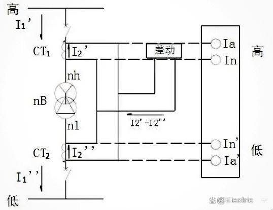
线路纵联差动常规继电保护原理中,减小不平衡电流及其影响的主要措施有:
1.应采用型号和特性相同的D级电流互感器,且两侧互感器的负荷尽可能平衡 。
2.在差动回路中接入速饱和变流器。
3.采用带制动特性的差动继电器。
上一篇:浅析单母线完全差动保护原理及整定原则
下一篇:沐渥工器具物料管理柜,实现物料智能有序管理
雅特力MCU -40℃~105℃宽温认证保障两轮车
RK3588 PCIe设备识别失败?一招避坑“非法
51单片机与stm32单片机,先学习哪一个?
新一代嵌入式开发平台 AMD嵌入式软件和工
睿擎派配件上新!4.3寸/7寸MIPI屏、UVC摄像
使用恩智浦FRDM-MCXN947开发板移植触摸屏
CPU | 内存 | 硬盘 | 显卡 | 显示器 | 主板 | 电源 | 键鼠 | 网站地图
Copyright © 2025-2035 诺佳网 版权所有 备案号:赣ICP备2025066733号 本站资料均来源互联网收集整理,作品版权归作者所有,如果侵犯了您的版权,请跟我们联系。