全球最实用的IT互联网信息网站!
AI人工智能P2P分享&下载搜索网页发布信息网站地图
时间:2023-08-16 16:19
人气:
作者:admin
标签: 浅析 单 完全 母线 单母线
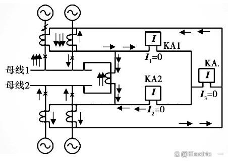
关于单母线完全差动保护原理及整定原则的说法:
第一、母差保护启动元件动作电流应躲开外部故障在差动回路中可能产生的最大不平衡电流。
第二、母差保护启动元件动作电流应躲开母线上任一联接元件的电流互感器二次回路断线时由负荷造成的最大差电。
第三、母差保护装置必须装设二次回路断线闭锁元件。
上一篇:变压器的直流电阻是指什么?直流电阻的测量方
下一篇:线路纵联差动常规继电保护中减小不平衡电流及
雅特力MCU -40℃~105℃宽温认证保障两轮车
RK3588 PCIe设备识别失败?一招避坑“非法
51单片机与stm32单片机,先学习哪一个?
新一代嵌入式开发平台 AMD嵌入式软件和工
睿擎派配件上新!4.3寸/7寸MIPI屏、UVC摄像
使用恩智浦FRDM-MCXN947开发板移植触摸屏
CPU | 内存 | 硬盘 | 显卡 | 显示器 | 主板 | 电源 | 键鼠 | 网站地图
Copyright © 2025-2035 诺佳网 版权所有 备案号:赣ICP备2025066733号 本站资料均来源互联网收集整理,作品版权归作者所有,如果侵犯了您的版权,请跟我们联系。