时间:2023-07-31 22:47
人气:
作者:admin
本文基于Arduino开发板,设计了基于压电原理的呼吸检测系统。系统采用柔性聚偏氟乙烯(Polyvinylidene Fluoride,PVDF)压电薄膜传感器采集呼吸信号,实现了无接触式检测到呼吸信号。该传感器不仅可以避免使用者在使用时的尴尬,也减少了使用者的看病时间和费用,同时还可以更加紧凑有效的使用医护资源。设计过程中将数据传入云端,为使用者及时查看提供方便。
引 言
作为人体重要的生命活动之一,呼吸对于维持身体正常的生理代谢至关重要。随着生活水平的提高,人们对呼吸信号等生理信号的关注度也增加,提前检测并积极防治呼吸相关问题变得越来越重要。因此,对人体呼吸信号状况进行检测具有极其重要的意义。在一些特殊场合,例如大面积烧伤患者,传统的贴片式传感器与皮肤直接接触的方法可能不适用于实时监护。此外,非接触式呼吸检测在军事和医学领域也具有特殊的意义。呼吸分析在肺部疾病的诊断和管理中发挥着重要作用。目前,人们对医疗方面的需求更加倾向于方便、快捷和精准,而不仅仅是在身体不适时才在医院进行检测。因此,呼吸监测设备的使用方便、价格合理和安全性高等特点成为使用者的首选要求。◆呼吸检测原理人体呼吸是全身组织细胞传送氧气并排出二氧化碳气体的过程。如图1所示,呼吸过程总体包括外呼吸、气体在血液中运输以及内呼吸3个基本环节。根据资料数据表明,人体呼吸信号的频率范围约为 0.2~0.8 Hz, 人体的一次胸部起伏就代表了一次呼吸,呼吸频率是人体每分钟呼吸的次数。

图1人体的呼吸过程示意图
压电效应(压电原理)是某些电介质在沿某个方向上,受到外在挤压力作用下而变形时,其内部发生的极化现象。同时,在其两个相对表面上出现极性相反的电荷信号。当外在挤压力去除以后,若能恢复到不带电的状态,则称此为正压电效应。相反,当在电介质的极化方向上添加一个电场力,若电场去除后,电介质的变形随之消失,则称为逆压电效应。
系统总体设计
本设计利用压电薄膜传感器采集人体呼吸信号,经过电荷放大模块以及Arduino开发板,将最终得到的电压值显示在LCD屏上;并通过LabVIEW显示波形变化,可以完成呼吸的实时监测;通过WIFI模块上传数据,实现对人体呼吸信号的稳定测量。基于压电原理的呼吸检测系统总体架构如图2所示。

图2呼吸检测系统整体架构
Arduino开发板是本次设计的核心。与其它压电传感器相比,PVDF压电薄膜传感器具有良好的静态特性,且具有较强的灵敏度,应用在呼吸信号的测量中具有很大的优势。传感器电路使用PVDF压电传感器,用于呼吸信号的采集。由于人体呼吸信号较微小,直接测量可能数值不太准确且不易于观察,在电路中也可能伴有干扰信号影响测量数值。因此,本设计采用电荷放大电路,将收集的呼吸信号通过传感器转换为合适的电信号,并将放大后的电信号传给开发板。
(一)系统硬件设计系统的硬件方案设计如图3所示。电源主要是给单片机供电,通过USB线连接实现。主控制器是整个呼吸检测系统中最重要的一部分,采用Arduino开发板实现。人体的呼吸信号是通过人体在呼吸时腹部或胸腔有规律的运动,对压电薄膜传感器产生一个挤压力来获得。呼吸信号采集模块将采集到的信号传送给Arduino开发板,处理后的数字量显示在LCD显示屏上,WIFI模块将采集到的呼吸信号上传至云端。

图3 系统硬件总体框图
◆ 主控芯片Arduino作为智能系统的底层控制芯片,下位机程序可通过Arduino IDE烧录完成。Arduino可通过两种不同方式供电,一是利用USB与串口连接供电,一是利用USB与串口连接供电,二是通过VIN、GND外接稳压5 V工作电源。相比于只有单独的一块芯片的AT89C51单片机,Arduino开发版则相当于一个单片机系统,不需要其它电路也可工作。此外,AT89C51单片机引脚较多,芯片接线多,需要单独的程序软件才可烧写,而Arduino开发版不需要单独的烧录器,只需要USB线就可以完成下载,轻松上手,易懂易学。
所以Arduino开发板在电子产品制作中有较大的优势,更易于上手操作,在程序的烧录中也较为方便。更为重要的是其自带的模数转换功能,可以直接将采集到的数据转换为数字量,方便数据的后续处理。
◆EPS8266WIFI模组
为了满足设计要求,WIFI选用的是ATK-esp8266模块,其主要优势是能耗很低,且非常适合电池供电。设计中采用ATK-ESP8266模块将采集到的呼吸信号数据上传到云端。实物图如图4所示。

图4ATK-ESP8266模块实物图
◆电荷放大电路模块
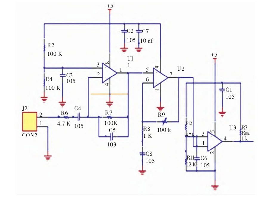
电荷放大电路等效电路如图5所示。电荷放大电路是一种输出电压与输入电荷成比例关系的测量放大电路。此次设计采用的压电传感器,可将一些测量数据转换成电荷信号输出(如本设计中传感器将采集的压力信号转换为电荷信号输出),再通过电荷放大电路输出放大的电压信号。图6为电荷放大模块原理图,其中展示了各电容、电阻的具体取值。

图5电荷放大电路等效电路图

图6 电荷放大模块原理图
(二)系统软件设计
系统的软件方案设计如图7所示。利用Arduino软件程序代码进行器件的初始化、以及LCD显示屏显示管理等,并将编译无误后的程序烧录进对应的硬件部分。本设计主要是针对呼吸检测系统进行调试,其是为了呼吸检测系统而存在的。

图6 呼吸检测系统软件整体框架
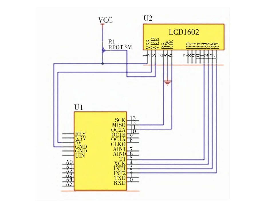
(三)系统实物搭建Arduino模块与LCD1602屏的引脚连接方法有两种:一是两个模块的引脚直接连接,但这种方法在使用过程中会出现引脚不够用的问题;二是两个模块通过面板来转接,其优点是有利于引脚的使用以及接线的美观。Arduino模块与LCD1602模块的连接如图8所示。在系统调试时,若能在显示模块显示初始化的字符串,则说明LCD写入数据。

图8Arduino模块与LCD1602模块的连接
在实验过程中,利用母线、公线将压电薄膜传感器、电荷放大电路模块、Arduino开发板等实物按照引脚连接起来。所有接线以及供电无误后,将程序代码下载到实物中进行数据的采集。TK-ESP8266与Arduino的连接示意如图9所示。

图9ATK-ESP8266与Arduino的连接
上位机呼吸数据显示
LabVIEW是NI公司推出的上位机图形化编程软件,图形化编程方式简单易学,可以极大地提高编程效率。◆上位机LabVIEW显示
如果某一信号达到傅里叶展开的条件,就可以用无限多个不同频率的正弦信号之和来进行描述,并且每一个正弦信号的频率、相位和幅值集组成了该信号的频谱。从图10-图12中可见,被测试者的呼吸信号波形图、呼吸信号幅度频谱及呼吸信号相位频谱。信号频谱图是对信号进行频域内的描述。

图10呼吸信号显示图
从图10可以了解到被测试者的呼吸信号显示图,了解到被测试者在测试时间内的呼吸信号变化。实验过程中,将PVDF传感器贴于被测者腹部,经过电路处理,可以得到被测者的呼吸信号图。

图11呼吸信号幅度频谱图
从图11可以了解到被测试者的呼吸信号幅度频谱图。正弦信号不同频率的幅值描述的图称为幅值频谱图。通过处理LabVIEW程序采集到的被测者呼吸信号,得到被测者的呼吸信号的幅度频谱图,观察被测者的呼吸信号。

图12呼吸信号相位频谱图
图12为被测试者的呼吸信号幅度频谱图。正弦信号不同频率的相位描述图形称为相位频谱图。◆机智云物联网平台机智云是一个综合的物联网设计平台,为开发者提供了物联网设备的自助开发工具、设备远程操控管理、数据存储分析、第三方数据整合、硬件社交化等技术服务,也为智能硬件厂家提供一站式物联网开发和运维服务,缩短了智能硬件产品开发周期,快速实现智能化。
该平台还提供了丰富的自助开发工具和后台技术支持服务,帮助开发者轻松构建物联网设备应用程序和功能。同时,它还提供了设备远程操控管理功能,使用户能够通过云端与物联网设备进行通信和控制,实现远程监控和操作。
机智云物联网平台可以给虚拟设备到移动端的数据互现。移动端通过发送控制指令,经过云端处理将数据在虚拟设备中展现,虚拟设备也可以通过发送指令将数据体现在移动端。图13展示了呼吸信号上传至云端的信号图。设计中将PVDF压电薄膜传感器贴于被测试者的腹部,数据采集模块经电路处理模块后,实时将数据传送至云端。

图12 呼吸信号上传云端图
总 结
基于压电原理的呼吸检测系统具有较为深远的研究意义,为了规避人体潜意识或者无意识的运动给呼吸检测系统带来的干扰,采取使用多块PVDF压电薄膜传感器同时采集呼吸信号,可以较好程度的实现呼吸信号的检测。
再加上各种电阻电容,实现了人体心率的计数及显示功能。此呼吸检测系统采用压电传感器实现人体呼吸信号的测量,能够保证对人体呼吸信号测量的精准性和简便性,且价格实惠,具有广阔的应用前景。