时间:2023-04-26 16:31
人气:
作者:admin
运放的失调电压是指,在理想条件下运放两个输入端的电压应该相等,但实际上会存在一定的差异。这个差异产生的原因是运放内部元器件的不对称性、制造工艺等因素。

失调电压通常用偏置电压或输入失调电压这两个参数来表示。偏置电压是指运放在两个输入端都接地时,输出端的电压偏离零电平的电压值,而输入失调电压是指将同样的信号分别接到运放的两个输入端时,输出端出现的偏移电压。
失调电压的存在会对运放的增益、带宽、线性度等性能产生影响,因此在使用运放时需要考虑并减小失调电压对电路性能的影响。
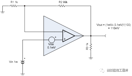
如下图所示,是一个常见的100倍增益放大的同相比例放大电路(non-inverting gain,也称之为noise gain),这颗器件的Vos=0.1mV,这样我们实际预期的输出电压是Vin的100倍放大100mV,但因为输入失调电压的存在,实际输出电压为110mV,整整带来了10%的误差。

对于实际的工程应用,如果被测量信号包含直流量且这个直流量是需要被计算在内,就需要选择失调电压远远小于被测量直流量的器件,或者可以通过调零的方式来消除该影响。如果对于被测量信号,仅仅关注交流量,则可以在输入端增加交流耦合电路来消除直流分量。此外,也可以通过系统调零的方式去消除失调电压带来的影响。
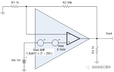
关于失调电压还有一个非常重要的指标,offset drift(温漂),如下图所示,这是一个比较通用的关于温漂的定义,以下公式可以看出,是考虑了整个温度范围内,-40℃和85℃对于25℃的offset voltage的漂移,同时注意到该公式都是绝对值计算,所以温漂都是正数。

上面我们提到失调电压本身是可以通过直流量消除或者调零的方式去解决,但对于offset drift,对于实际的工程应用需要通过系统在宽温度范围内因温漂带来的影响。下面是一个对于100倍放大电路的drift带来的影响的计算。

可以看到,对于25℃下offset voltage=100uV,对于125℃下offset voltage=250uV,下表给出对于不同温度下因为温漂所带来的不同的offset voltage,请记住对于offset drift本身是可以正也可以负,所以两种情况都在下表体现。对于校准过的一个系统,温漂是非常重要的,在已校准系统,在室温下的失调电压通过软件的方式去校准,但温漂则是一个难题,往往这个时候低温漂的器件会是一个比较好的选择。

