时间:2023-04-26 16:39
人气:
作者:admin
运放的环路稳定性是指在负反馈控制下,运放的输出是否稳定,即不会出现震荡、失控等不稳定的情况。
为了更好的理解运放环路稳定性,让我们先来回顾下两个最基本的概念,极点和零点。
首先对于极点,下图是给出的在波特图中极点的所表征的意义,对于截止频率(cutoff frequency)的定义是在随着频率变化输出信号幅值降低为输入信号的0.707倍的时候对应的频率点,这个也是我们通常所说的-3dB频率点(20×lg0.707)。一个极点会引起-20dB/decade的滚降在其幅频曲线上,且在对应的相频曲线上会引起一个-90°的相移。



接下来是零点,如下图所示,给出了零点对应在幅频和相频曲线上的表现,一个零点引起波特图上20dB/decade的增加,同时零点会引起+90°的相位移动。



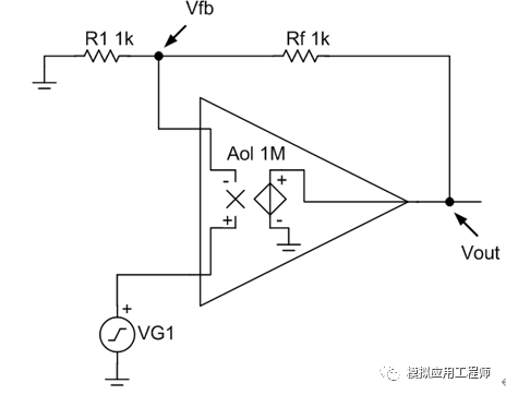
由于现代运算放大器的复杂性,使用一个直观的模型对交流稳定性分析时非常有帮助。在这个简化的模型中,应用于输入的差分输入电压被传递到放大器的输出级,在通过放大器的开环增益和开环输出阻抗后到达输出端。

运算放大器的开环增益Aol,对于理想运放Aol是无穷大的,不受频率限制。开环输出阻抗Zo是衡量运算放大器开环输出级阻抗的一个重要参数。 Zo不应与放大器的闭环输出阻抗Zout混淆,后者取决于Zo,Aol和电路配置。实际上,对于新的轨到轨输出级,Zo可以在频率上大幅变化,从而使稳定性分析变得更加困难。



如上图所示,我们给出运算放大器的环路稳定性的模型,理解运放的环路稳定性,需要了解几个概念:
1.相位裕度(phase margin):相位裕度是指在放大电路的增益等于1时,相位差与180度的差值。相位裕度越大,系统越稳定。
2.增益裕度(gain margin):增益裕度是指在相位差等于-180度时,放大电路的增益与1的差值。增益裕度越大,系统越稳定。
3.开环增益(open-loop gain, Aol):开环增益是指运放在没有负反馈的情况下的增益。
4.闭环增益(closed-loop gain, Acl):闭环增益是指运放在有负反馈的情况下的增益。
5.反馈系数(feedback factor):输出电压反馈到输入的比例,通常也被称为beta系数。
通过了解这些概念,我们可以更好地理解运放的环路稳定性。如果运放的相位裕度和增益裕度都很小,就容易出现震荡和失控现象。这是因为在这种情况下,即使有微小的干扰,也可能引起输出振荡。因此,为了保证系统的稳定性,我们需要选择相位裕度和增益裕度较大的运放。
此外,如果运放的开环增益太高,那么在有负反馈的情况下,闭环增益就会非常大,容易引起不稳定的情况。为了解决这个问题,可以采用限制放大电路的带宽等方法,以降低放大电路的增益,从而提高系统的稳定性。
总之,要系统地理解运放的环路稳定性,需要对运放的基本特性和负反馈控制的原理有深入的了解,并结合实际应用进行分析和设计。
上一篇:运算放大器的失调电压介绍