时间:2019-10-10 11:26
人气:
作者:admin
●基于TI ARM Cortex-A8 AM335X高性能处理器
●集成SGX5303D图形协处理器
●支持两路千兆网口(可扩展到6路以太网)
●多达6个串口、内置CAN 总线控制器
●支持HDMI及LCD显示输出
●支持16位地址数据复用总线和12位地址总线扩展
●支持锂电池供电及充电,低功耗设计
●工业级IO设计和宽范围工作环境
●支持android4.1.2和linux3.2.0 QT图形界面,
●支持 linux3.2.42 Preempt实时操作系统


CM335X 是一种小封装的计算机模块,基于 TI AM335x Cortex-A8商业级温度的 Cortex A8 处理器的峰值可以达到 1 GHz,工业级的峰值为800 MHz。超低功耗及高度集成的外设集。作为Sitara™ ARM Cortex™-A8 CPU的一员,AM335x的特色在于PowerVR™ SGX530图形加速器系统,以及支持EtherCAT、PROFINET、EtherNet/IP、PROFIBUS、Ethernet Powerlink、Sercos等实时协议的可编程实时控制单元PRU/工业用通信子系统ICSS.
CM335X 定位于广泛的工业领域,包括汽车、车载娱乐系统、导航、工业车辆、HMI、航空电子和机器人等。
模块支持大量的工业接口,包括 CAN、UART、I2C、USB、24位LCD显示屏等。
一、技术参数
|
核心系统 |
CPU |
TI ARM CORTEX-A8AM335X处理器500、600、720MHZ |
|
内存 |
256MByte DDR SDRAM,(128MB、256MB、512MB可选) |
|
|
FLASH |
256MByte NAND Flash,(128MB、256MB、512MB可选) |
|
|
PMU |
集成电源管理,多路电源输出,低功耗、支持休眠唤醒 |
|
|
多媒体 |
3D协处理器 |
集成SGX5303D图形协处理器 |
|
图形控制器 |
CPU内嵌24bit LCD控制器 |
|
|
LCD |
TTL电平、TFTLCD显示输出分辨率1280x800@60hz;单色显示屏 |
|
|
音频 |
I2S或者AC97接口 |
|
|
通信接口 |
以太网 |
支持2个MAC,GMII,RGMII,RMII或者MII接口,支持10M/100M/1000M PHY |
|
串口 |
支持6个UART TTL电平(5路4线、1路8线) |
|
|
USB2.0 OTG |
2路USB2.0 OTG PHY,可设置为USB HOST或者USB CLIENT |
|
|
CAN |
2路CAN PHY, |
|
|
I2C |
3路I2C |
|
|
SPI |
2路SPI |
|
|
存储 |
MMC |
2个MMC控制器,支持2路MMC卡(如SD卡,TF卡),支持SDIO WIFI |
|
ADC |
ADC |
8路ADC,12bit,支持电阻触摸屏 |
|
总线 |
总线 |
16bit数据地址复用总线,12bit地址总线,可用于扩展以太网、串口、摄像头等外设。 |
|
结构 |
结构尺寸 |
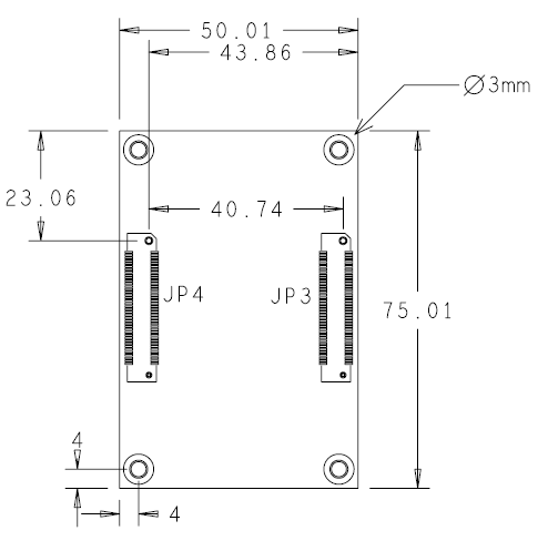
长x宽x高:75mm x 50mm x 8.3mm |
|
环境 |
环境 |
0°-70°(-40°-85°可选) |
|
操作系统 |
操作系统 |
支持android4.1.2和linux3.2.0 QT图形界面; linux3.2.42Preempt实时操作系统 |
|
备注:以上信号有部分复用,不能同时支持所有的信号接口。请联系本公司方案设计人员确认。
|
||
二、结构图

三、应用领域
低功耗、锂电池供电、充电功能、休眠唤醒功能。:手持终端、工业PAD、集抄手持设备、电子菜单。
支持实时linux操作系统:数控机床系统、实时性要求高的工业设备
工业级设计、宽温度范围、多工业总线:智能电网、智能交通、物联网网关、工业控制。
上一篇:电力监测设备嵌入式主板