时间:2024-07-05 08:25
人气:
作者:admin
线性拓扑是CAN总线布线规范中最为常见的,如果采用了线性拓扑中的“T”型分支连接,按规定分支长度是不能大于0.3m的,需要更长的分支应该怎么办呢?
CAN拓扑分类
CAN (控制器局域网, controller area network)属于工业现场总线的范畴,是一种有效支持分布式控制和实时控制的多主异步串行通信网络。CAN网络的拓扑结构主要有线性拓扑、星形拓扑、树状拓扑和环形拓扑,这几种拓扑的结构的特点如图1所示。

图1 CAN拓扑结构特点
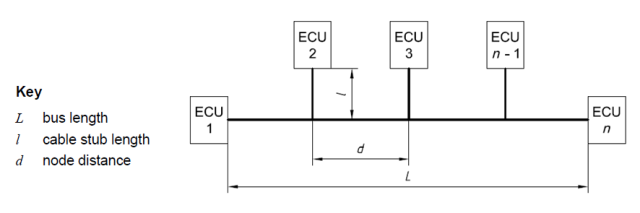
线性拓扑接线方式在IOS-11898-2中有高速CAN物理层规范,其中推荐CAN网络采用总线形式的线性拓扑结构,如图2所示,线性拓扑CAN网络采用单一信道(总线)作为传输介质,所有的站点通过相应的硬件接口接到一条公共的总线上。线性拓扑阻抗匹配比较简单,只需要在主干的两端并上合适的终端电阻即可(2km内通常为120Ω)。

图2 线性拓扑
线性拓扑结构是CAN总线布线规范中最为常见的,线性拓扑结构中,最常用的就是“手拉手”式的连接,如图3所示。

图3 “手拉手”式连接
但是在绝大多数的工业现场、轨道机车中,由于整体线缆非常多,均需要使用接线排,以方便维护。所以会采用“T”型分支式连接,如图4所示。

图4 “T”型连接
“T”型连接分支约束T型接线方式会存在由于分支长度以及分支长度的积累造成阻抗的不连续,因而接头处产生信号“反射”的现象。反射的信号量由瞬态阻抗的变化量决定,变化量越大,反射就越严重。分支处产生的是负相反射,引起信号电平下冲,这种下冲可能会超过噪声容限,造成误触发。为了避免这种情况发生,希望反射波尽快回到源端,也就是支线要尽可能短。
如图5所示,在IOS-11898-2中规定分支长度在1M波特率下不得大于0.3m,1M波特率是CAN的最高波特率,所以其他波特率时,分支长度如果也遵循0.3m规范,则可以稳定运行。

图5 “T”型网络拓扑参数
如何确定分支长度IOS 11898-2中分支长度的规定是在1M波特率的条件下,有些场合或许无法做到很短的分支,根据不同波特率,分支长度规范可以有适当的调整。不同波特率下分支长度可以达到多少?需要分析节点的信号质量进行评判,测量节点在不同分支长度下的信号质量,即可找到合适的分支长度范围。
如图6所示,评估节点信号质量需要测量节点CAN差分信号的最小电压幅值、最大电压幅值、信号幅值、波形上升沿时间、波形下降沿时间、信号时间等进行综合评分,具体参数指标在ISO 11898-2中有详细规定。

图6 信号质量参数
信号质量评估没有专业的工具显然是件麻烦的事情,想要快速评判节点的信号质量,可以使用CANScope的信号质量分析插件一键分析。分析插件通过分析每个CAN节点发出的波形,自动对其进行综合评分,然后通过柱状图来直观显示出每个CAN 帧ID 的信号质量(如图7所示),从而获得每一个节点的信号质量,定量评价节点的物理层质量。

图7 信号质量柱状图
从profibusDP转ModbusTCP,一网打尽转换技巧!