时间:2024-07-18 09:15
人气:
作者:admin
川土微电子CA-IS3020WG 超宽体低功耗双向I2C隔离器新品发布!该产品爬电距离和电气间隙高达15mm,隔离耐压高达7.5kVRMS(1分钟),增强绝缘等级。
01产品概述
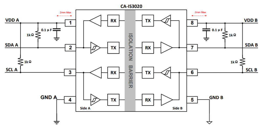
CA-IS3020WG为完备的双向、双通道数字隔离器,可提供7.5kVRMS电气隔离,以及高达±150kV/μs的典型CMTI。所有器件的输入采用施密特触发器,提高抗干扰能力。每个隔离通道的数字输入与输出通过二氧化硅(SiO2)绝缘层隔离,提供较高的电磁干扰抑制和低EMI特性。高集成度设计仅需两个外部VDDA、VDDB旁路电容和上拉电阻,即可构成I2C隔离接口。
CA-IS3020WG可支持DC至2.0MHz传输速率,提供两路双向、开漏输出隔离通道,用于支持多主机I2C等需要在同一总线双向传输数据或时钟的双向隔离应用。器件A侧(VDDA)、B侧(VDDB)单独供电,供电电压范围为3.0V至5.5V。
CA-IS3020WG可工作在-40°C至+125°C温度范围,采用8引脚超宽体SOIC封装。由于较宽的工作温度范围和较高的隔离耐压,该系列器件适用于强干扰的工业环境。
02产品特性
•支持DC 至 2.0MHz双向数据传输
•可靠的数字信号电气隔离
- 较长的工作寿命: > 40年
- 提供7.5kVRMS(超宽体SOIC)电气隔离
- ±150kV/μs典型CMTI
- 施密特触发输入提高抗干扰能力
- 较高的电磁抑制,可承受最高±12.8kV浪涌
- ±8kV ESD保护(人体模式)
•开漏输出:
-A侧可支持最高3.5mA灌电流
- B侧可支持最高35mA灌电流
•3.0V至5.5V宽压工作范围
•较宽的工作温度范围:-40°C to 125°C
•提供超宽体SOIC8-WWB (WG)封装
03封装对比

CA-IS3020/3021隔离I2C收发器系列对比

SOIC8封装外观对比
04应用领域
•I2C, SMBus, PMBus 接口
•电机控制系统
•医疗设备
•电池管理系统
•仪器仪表
05典型应用

川土微电子CA-IS302X低功耗双向隔离I2C接口提供丰富的封装选型,包括窄体SOIC8、宽体SOIC8、宽体SOIC16以及本次推出的超宽体SOIC8,能够充分满足客户的应用需求,有效订购型号如下表所示:

截至目前,川土微电子超宽体系列已量产CA-IS38XX双通道、三通道及四通道增强绝缘数字隔离器,本次推出的超宽体隔离I2C接口可提供送样,更多超宽体系列产品,敬请期待!
从profibusDP转ModbusTCP,一网打尽转换技巧!