时间:2024-02-25 11:02
人气:
作者:admin
IIC 简介
IIC(Inter-Integrated Circuit)总线是一种由NXP(原PHILIPS)公司开发的两线式串行总线,用于连接微控制器及其外围设备。多用于主控制器和从器件间的主从通信,在小数据量场合使用,传输距离短,任意时刻只能有一个主机等特性。
在 CPU 与被控 IC 之间、IC 与 IC 之间进行双向传送,高速 IIC 总线一般可达 400kbps 以上。
PS:这里要注意IIC是为了与低速设备通信而发明的,所以IIC的传输速率比不上SPI

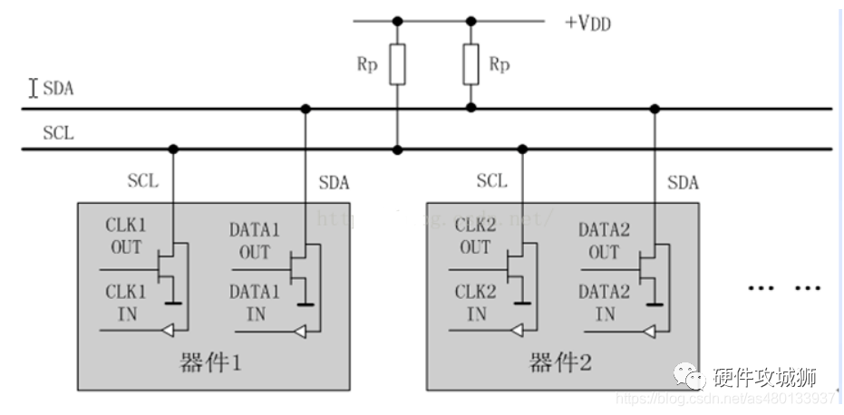
IIC的物理层
IIC一共有只有两个总线:一条是双向的串行数据线SDA,一条是串行时钟线SCL
SDA(Serial data)是数据线,D代表Data也就是数据,Send Data 也就是用来传输数据的
SCL(Serial clock line)是时钟线,C代表Clock 也就是时钟 也就是控制数据发送的时序的
所有接到I2C总线设备上的串行数据SDA都接到总线的SDA上,各设备的时钟线SCL接到总线的SCL上。I2C总线上的每个设备都自己一个唯一的地址,来确保不同设备之间访问的准确性。

IIC主要特点:
通常我们为了方便把IIC设备分为主设备和从设备,基本上谁控制时钟线(即控制SCL的电平高低变换)谁就是主设备。**
IIC主设备功能:主要产生时钟,产生起始信号和停止信号
IIC从设备功能:可编程的IIC地址检测,停止位检测
IIC的一个优点是它支持多主控(multimastering), 其中任何一个能够进行发送和接收的设备都可以成为主总线。一个主控能够控制信号的传输和时钟频率。当然,在任何时间点上只能有一个主控。
支持不同速率的通讯速度,标准速度(最高速度100kHZ),快速(最高400kHZ)
SCL和SDA都需要接上拉电阻 (大小由速度和容性负载决定一般在3.3K-10K之间) 保证数据的稳定性,减少干扰。
IIC是半双工,而不是全双工 ,同一时间只可以单向通信
为了避免总线信号的混乱,要求各设备连接到总线的输出端时必须是漏极开路(OD)输出或集电极开路(OC)输出。这一点在等下我们会讲解
IIC的高阻态
漏极开路(Open Drain)即高阻状态,适用于输入/输出,其可独立输入/输出低电平和高阻状态,若需要产生高电平,则需使用外部上拉电阻
高阻状态:高阻状态是三态门电路的一种状态。逻辑门的输出除有高、低电平两种状态外,还有第三种状态——高阻状态的门电路。电路分析时高阻态可做开路理解。
我们知道IIC的所有设备是接在一根总线上的,那么我们进行通信的时候往往只是几个设备进行通信,那么这时候其余的空闲设备可能会受到总线干扰,或者干扰到总线,怎么办呢?
为了避免总线信号的混乱,IIC的空闲状态只能有外部上拉, 而此时空闲设备被拉到了高阻态,也就是相当于断路, 整个IIC总线只有开启了的设备才会正常进行通信,而不会干扰到其他设备。

IIC器件地址:每一个IIC器件都有一个器件地址,有的器件地址在出厂时地址就设定好了,用户不可以更改,比如OV7670的地址为0x42。有的器件例如EEPROM,前四个地址已经确定为1010,后三个地址是由硬件链接确定的,所以一IIC总线最多能连8个EEPROM芯片。
IIC物理层总结:
I2C 总线在物理连接上非常简单,分别由SDA(串行数据线)和SCL(串行时钟线)及上拉电阻组成。通信原理是通过对SCL和SDA线高低电平时序的控制,来产生I2C总线协议所需要的信号进行数据的传递。在总线空闲状态时,SCL和SDA被上拉电阻Rp拉高,使SDA和SCL线都保持高电平。
I2C通信方式为半双工,只有一根SDA线,同一时间只可以单向通信,485也为半双工,SPI和uart通信为全双工。
主机和从机的概念:
主机就是负责整个系统的任务协调与分配,从机一般是通过接收主机的指令从而完成某些特定的任务,主机和从机之间通过总线连接,进行数据通讯。
发布主要命令的称为主机
接受命令的称为从机
半双工和全双工:
IIC的协议层
I2C 总线在传送数据过程中共有三种类型信号, 它们分别是:开始信号、结束信号和应答信号。
开始信号:SCL 为高电平时,SDA 由高电平向低电平跳变,开始传送数据。
结束信号:SCL 为高电平时,SDA 由低电平向高电平跳变,结束传送数据。
应答信号:接收数据的 IC 在接收到 8bit 数据后,向发送数据的 IC 发出特定的低电平脉冲,表示已收到数据。CPU 向受控单元发出一个信号后,等待受控单元发出一个应答信号,CPU 接收到应答信号后,根据实际情况作出是否继续传递信号的判断。若未收到应答信号,由判断为受控单元出现故障。
这些信号中,起始信号是必需的,结束信号和应答信号,都可以不要。
IIC 总线时序图

下面我们来详细的介绍下IIC的通信协议流程:
初始(空闲)状态
因为IIC的 SCL 和SDA 都需要接上拉电阻,保证空闲状态的稳定性
所以IIC总线在空闲状态下SCL 和SDA都保持高电平
代码:

开始信号:
SCL保持高电平,SDA由高电平变为低电平后,延时(>4.7us),SCL变为低电平。

代码表示:

停止信号
停止信号:SCL保持高电平。SDA由低电平变为高电平。


在起始条件产生后,总线处于忙状态,由本次数据传输的主从设备独占,其他I2C器件无法访问总线;而在停止条件产生后,本次数据传输的主从设备将释放总线,总线再次处于空闲状态。

数据有效性
IIC信号在数据传输过程中,当SCL=1高电平时,数据线SDA必须保持稳定状态,不允许有电平跳变,只有在时钟线上的信号为低电平期间,数据线上的高电平或低电平状态才允许变化。
SCL=1时 数据线SDA的任何电平变换会看做是总线的起始信号或者停止信号。
也就是在IIC传输数据的过程中,SCL时钟线会频繁的转换电平,以保证数据的传输


应答信号
每当主机向从机发送完一个字节的数据,主机总是需要等待从机给出一个应答信号,以确认从机是否成功接收到了数据,
应答信号:主机SCL拉高,读取从机SDA的电平,为低电平表示产生应答
应答信号为低电平时,规定为有效应答位(ACK,简称应答位),表示接收器已经成功地接收了该字节;
应答信号为高电平时,规定为非应答位(NACK),一般表示接收器接收该字节没有成功。

**每发送一个字节(8个bit)**在一个字节传输的8个时钟后的第九个时钟期间,接收器接收数据后必须回一个ACK应答信号给发送器,这样才能进行数据传输。
应答出现在每一次主机完成8个数据位传输后紧跟着的时钟周期,低电平0表示应答,1表示非应答,


等待应答信号:

IIC数据传送
数据传送格式
SDA线上的数据在SCL时钟“高”期间必须是稳定的,只有当SCL线上的时钟信号为低时,数据线上的“高”或“低”状态才可以改变。输出到SDA线上的每个字节必须是8位,数据传送时,先传送最高位(MSB),每一个被传送的字节后面都必须跟随一位应答位(即一帧共有9位)。
当一个字节按数据位从高位到低位的顺序传输完后,紧接着从设备将拉低SDA线,回传给主设备一个应答位ACK, 此时才认为一个字节真正的被传输完成 ,如果一段时间内没有收到从机的应答信号,则自动认为从机已正确接收到数据。

IIC写数据:

多数从设备的地址为7位或者10位,一般都用七位。
八位设备地址=7位从机地址+读/写地址,
再给地址添加一个方向位位用来表示接下来数据传输的方向,
0表示主设备向从设备(write)写数据,
1表示主设备向从设备(read)读数据
IIC的每一帧数据由9bit组成,
如果是发送数据,则包含 8bit数据+1bit ACK,
如果是设备地址数据,则8bit包含7bit设备地址 1bit方向

在起始信号后必须传送一个从机的地址(7位) 1~7位为7位接收器件地址,第8位为读写位,用“0”表示主机发送数据(W),“1”表示主机接收数据 (R), 第9位为ACK应答位,紧接着的为第一个数据字节,然后是一位应答位,后面继续第2个数据字节。
IIC发送一个字节数据:


IIC读取一个字节数据:

IIC发送数据


Start: IIC开始信号,表示开始传输。
DEVICE_ADDRESS:: 从设备地址,就是7位从机地址
R/W:W(write)为写,R(read)为读
ACK:应答信号
WORD_ADDRESS :从机中对应的寄存器地址 比方说访问 OLED中的 某个寄存器
DATA: 发送的数据
STOP: 停止信号。结束IIC
主机要向从机写数据时:
主机首先产生START信号
然后紧跟着发送一个从机地址,这个地址共有7位,紧接着的第8位是数据方 向位(R/W),0表示主机发送数据(写),1表示主机接收数据(读)
主机发送地址时,总线上的每个从机都将这7位地址码与自己的地址进行比较,若相同,则认为自己正在被主机寻址,根据R/T位将自己确定为发送器和接收器
这时候主机等待从机的应答信号(A)
当主机收到应答信号时,发送要访问从机的那个地址, 继续等待从机的应答信号
当主机收到应答信号时,发送N个字节的数据,继续等待从机的N次应答信号,
主机产生停止信号,结束传送过程。
IIC读数据:

主机要从从机读数据时
主机首先产生START信号
然后紧跟着发送一个从机地址,注意此时该地址的第8位为0,表明是向从机写命令,
这时候主机等待从机的应答信号(ACK)
当主机收到应答信号时,发送要访问的地址,继续等待从机的应答信号,
当主机收到应答信号后,主机要改变通信模式(主机将由发送变为接收,从机将由接收变为发送)所以主机重新发送一个开始start信号,然后紧跟着发送一个从机地址,注意此时该地址的第8位为1,表明将主机设 置成接收模式开始读取数据,
这时候主机等待从机的应答信号,当主机收到应答信号时,就可以接收1个字节的数据,当接收完成后,主机发送非应答信号,表示不在接收数据
主机进而产生停止信号,结束传送过程。
以AT24C02为例子

24C02是一个2K Bit的串行EEPROM存储器(掉电不丢失),内部含有256个字节。在24C02里面有一个8字节的页写缓冲器。
A0,A1,A2:硬件地址引脚
WP:写保护引脚,接高电平只读,接地允许读和写
SCL和SDA:IIC总线
可以看出对于不同大小的24Cxx,具有不同的从器件地址。由于24C02为2k容量,也就是说只需要参考图中第一行的内容:

芯片的寻址:
AT24C设备地址为如下,前四位固定为1010,A2~A0为由管脚电平。AT24CXX EEPROM Board模块中默认为接地。A2~A0为000,最后一位表示读写操作。所以AT24Cxx的读地址为0xA1,写地址为0xA0。
也就是说如果是
写24C02的时候,从器件地址为10100000(0xA0);
读24C02的时候,从器件地址为10100001(0xA1)。
片内地址寻址:
芯片寻址可对内部256B中的任一个进行读/写操作,其寻址范围为00~FF,共256个寻址单位。

对应的修改 A2A1A0 三位数据即可
向AT24C02中写数据

操作时序:
MCU先发送一个开始信号(START)启动总线
接着跟上首字节,发送器件写操作地址(DEVICE ADDRESS)+写数据(0xA0)
等待应答信号(ACK)
发送数据的存储地址。24C02一共有256个字节的存储空间,地址从0x00~0xFF,想把数据存储>在哪个位置,此刻写的就是哪个地址。
发送要存储的数据第一字节、第二字节、…注意在写数据的过程中,E2PROM每个字节都会>回应一个“应答位0”,老告诉我们写E2PROM数据成功,如果没有回应答位,说明写入不成功。
发送结束信号(STOP)停止总线
注意:
在写数据的过程中,每成功写入一个字节,E2PROM存储空间的地址就会自动加1,当加到0xFF后,再写一个字节,地址就会溢出又变成0x00。
写数据的时候需要注意,E2PROM是先写到缓冲区,然后再“搬运到”到掉电非易失区。所以这个过程需要一定的时间,AT24C02这个过程是不超过5ms!
所以,当我们在写多个字节时,写入一个字节之后,再写入下一个字节之前,必须延时5ms才可以
从AT24C02中读数据
读当前地址的数据

2、读随机地址的数据

MCU先发送一个开始信号(START)启动总线
接着跟上首字节,发送器件写操作地址(DEVICE ADDRESS)+写数据(0xA0)
注意:这里写操作是为了要把所要读的数据的存储地址先写进去,告诉E2PROM要读取哪个地址的数据。
发送要读取内存的地址(WORD ADDRESS),通知E2PROM读取要哪个地址的信息。
重新发送开始信号(START)
发送设备读操作地址(DEVICE ADDRESS)对E2PROM进行读操作 (0xA1)
E2PROM会自动向主机发送数据,主机读取从器件发回的数据,在读一个字节后,MCU会回应一个应答信号(ACK)后,E2PROM会继续传输下一个地址的数据,MCU不断回应应答信号可以不断读取内存的数据
如果不想读了,告诉E2PROM不想要数据了,就发送一个“非应答位NAK(1)”。发送结束信号(STOP)停止总线
3、连续读数据

E2PROM支持连续写操作,操作和单个字节类似,先发送设备写操作地址(DEVICE ADDRESS),然后发送内存起始地址(WORD ADDRESS),MCU会回应一个应答信号(ACK)后,E2PROM会继续传输下一个地址的数据,MCU不断回应应答信号可以不断读取内存的数据。E2PROM的地址指针会自动递增,数据会依次保存在内存中。不应答发送结束信号后终止传输。

软件IIC和硬件IIC
IIC分为软件IIC和硬件IIC
软件IIC:软件IIC通信指的是用单片机的两个I/O端口模拟出来的IIC,用软件控制管脚状态以模拟I2C通信波形,软件模拟寄存器的工作方式。
硬件IIC:一块硬件电路,硬件I2C对应芯片上的I2C外设,有相应I2C驱动电路,其所使用的I2C管脚也是专用的,硬件(固件)I2C是直接调用内部寄存器进行配置。
硬件I2C的效率要远高于软件的,而软件I2C由于不受管脚限制,接口比较灵活。
审核编辑:黄飞
从profibusDP转ModbusTCP,一网打尽转换技巧!