时间:2024-03-08 17:24
人气:
作者:admin
RS485接口也称为TIA-485(-A)或EIA-485接口,是一种定义UART串行通信系统中使用的驱动器和接收器的电气特性的标准。RS485具有电信号平衡、支持多点系统的功能。
RS485通信标准由电信行业协会和电子工业联盟(TIA/EIA)联合发布。实施RS485接口标准的数字通信网络可以在长距离和电噪声环境中有效使用。多个接收器可以通过线性多点总线连接到这样的网络。 这些特性使RS485接口在工业控制系统和类似物联网应用中收到广泛应用。
rs485接口支持哪些协议
RS-485接口是一种串行通信接口,它支持多种协议。以下是一些常见的使用RS-485接口的协议:
1. Modbus: Modbus是一种通信协议,广泛应用于自动化控制系统中。它支持RS-485接口,通过Modbus协议可以实现与传感器、执行器、PLC等设备的通信。
2. Profibus: Profibus是一种用于工业自动化领域的通信协议。它支持RS-485接口,并提供了高速和可靠的通信方式,用于连接传感器、仪表、驱动器等设备。
3. DMX512: DMX512是一种用于舞台照明和灯光控制的通信协议。它使用RS-485接口进行传输,并支持多个设备之间的数据通信和控制。
4. BACnet: BACnet是一种用于建筑自动化系统的通信协议。它支持RS-485接口,并提供了对建筑设备如空调、照明、安全系统等的监控和控制。
5. DALI: DALI是一种用于照明系统的通信协议。它使用RS-485接口进行传输,支持连接多个照明设备,并实现对其亮度、颜色等参数的控制和调节。
典型的RS-485组网结构
RS-485,是一种半双工的工作方式,即任何时候只有一点处于发送状态。RS-485支持总线型结构,总线长度可达上千米,节点数可以多达256个。由于总线结构布线简单,因此广泛应用于门禁对讲、楼宇报警等网络。图显示了两种典型的RS-485组网结构。
(a) 总线直连 (b) 通过RS-485集线器连接

图 典型的RS-485组网结构
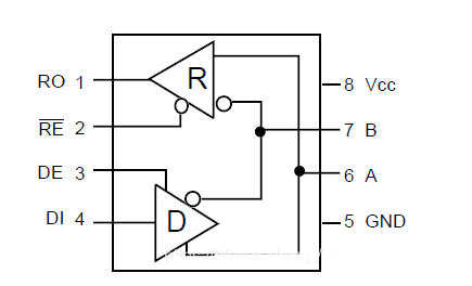
RS485内部结构

图中A、B总线接口,用于连接485总线。RO是接收输出端,Dl是发送数据收入端,RE是接收使能信号(低电平有效),DE是发送使能信号(高电平有效)。
总体来说RS485接口是一种工业规范,定义了电气设备点对点通信的电气接口和物理层。RS485接口标准允许在电噪声环境中实现较长的布线距离,并且支持rs485总线上同时通信多个设备。
审核编辑:黄飞
从profibusDP转ModbusTCP,一网打尽转换技巧!