时间:2023-09-25 12:44
人气:
作者:admin
问:各位老师这句话没看懂,想请教一下这是指哪里?

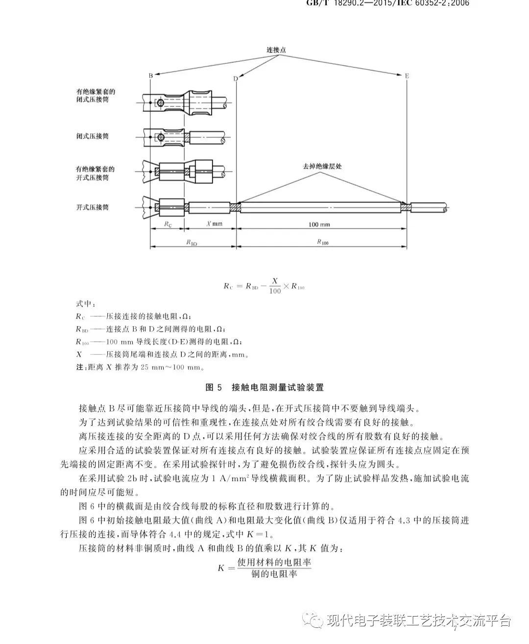
俞工:字面意思,测试点为压接筒的两端(一端尾部往导线方向1.5mm,另一端***交界处)。找一个加工好导线的O型端套焊片对照看看。
问:我是对照wws-436-36压线筒来看的,压接件和压线筒不是一个东西吗?怎么有交界处
俞工:附录C有类似的图片
问:

俞工:我理解为,压接件是指整个零件,压线筒是其中的组成部分,指模压部分的圆柱形那一段(裸端子,预绝缘端子,一样理解)。图C.2
问:我也是这么理解的
俞工:靠上边的端子(压接件)
问:

俞工:条文中说的压接件外接部分,我理解为图中的圆环部分,也就是螺钉固定那个部分。
问:那对于两端压接的那种压接端子呢?
俞工:它和压接筒交界部位,为另一个测试点。两端压接的端子,为中间部位。或者直接按两端导线与压接筒交界部位,也可。你这样理解,压接质量好,接触电阻小,电压降小。
问:那这种就是我标的位置吗?

张工: 对的

问:明白了,谢谢两位老师!
编辑:黄飞
从profibusDP转ModbusTCP,一网打尽转换技巧!