时间:2023-09-11 14:55
人气:
作者:admin
在高功率应用中,碳化硅(SiC)MOSFET与硅(Si)IGBT相比具有多项优势。其中包括更低的传导和开关损耗以及更好的高温性能。
SiC MOSFET快速开关的挑战
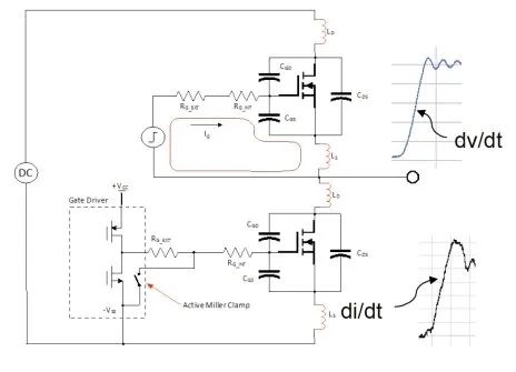
电路布线中的器件电容、寄生电感和电容元件会极大地影响开关性能。图1显示,高开关di/dt会因栅极-源极回路中的寄生电感而在栅极驱动器中产生振铃和振荡。这会通过栅极-漏极电容(Cgd)耦合到关断状态的器件,并导致误导通。

图1:显示来自SiC MOSFET器件和电路板布局中寄生元件的高压和电流尖峰
这些瞬变会降低设备性能和可靠性。例如,超过额定栅极电压的持续栅极过冲会损坏栅极氧化层并限制器件的使用寿命。
FET导通时的高栅极瞬变会使FET进入饱和状态,而不是首选的线性区域,从而产生更高的损耗并影响可靠性。
减慢开关瞬变,例如,通过增加更高的栅极电阻器或包括一个外部栅极-源极电容,可以减少此类过冲,但会带来更高的开关损耗。
因此,我们的目标是尽量减少这些瞬态效应,同时保持尽可能高的开关效率。让我们看看实现这一目标的一些潜在方法。
关于最大限度地提高SiC MOSFET性能的一些建议
使用源开尔文接法
如图2所示,添加一个源开尔文连接将电源和信号回路分开,即使在外部寄生电感Ls的情况下也能实现平滑的开关转换。此类4引线器件推荐用于大功率应用。

图2:通过使用源开尔文连接改进开关
分裂栅电阻的使用
分裂栅电阻基本上可以形成一个RLC网络来抑制栅极振荡。栅极电阻RG在添加的外部CGS电容之前和之后一分为二,如图3所示。该外部CGS两端的电压VAB在开启和关闭期间具有更小的瞬态峰/谷过程。这导致器件栅极上的VGS信号更平滑,即使在3引脚器件中存在外部源电感的情况下也是如此。

图3:使用分裂栅电阻实现更平滑的栅极驱动
平衡并联器件中的寄生电感
并联SiC MOSFET是提高整体驱动电流的重要方法。匹配固有的MOSFET参数(例如阈值电压VTH)对于实现平衡电流共享很重要。同样重要的是平衡电路板布局中的寄生路径。图4显示了源极电感不匹配的影响,导致2个MOSFET的漏极电流高度不平衡。对称布局可以改善负载分配和模块的整体安全工作区(SOA)。

图4:并联SiC MOSFET的源极电感失配的影响
平衡并联器件中的输入电容
与上述电感的情况类似,输入电容的不匹配会延迟一个器件相对于另一个器件的开关转换,从而产生不平衡的瞬态电流,并可能超过其中一个器件的额定值。图5(a)说明了这种影响。如图5(b)所示,使用分裂栅电阻可以减少这种不匹配的影响。


图5:(a)显示并联连接的SiC MOSFET的器件输入电容不匹配的影响,而(b)显示即使在这种电容不匹配的情况下,使用分裂栅电阻也能改善平衡
还可以考虑几个其他因素来最大限度地提高SiC MOSFET性能:
结论
以数百kHz的频率切换1000V以上的高压电源轨是一项复杂的操作,需要优化功率器件、电路板布局、栅极驱动器和外部无源元件。在本文中,我们重点介绍了一些可以大大改进单个和并联器件开关的技术。
从profibusDP转ModbusTCP,一网打尽转换技巧!