时间:2023-09-15 17:03
人气:
作者:admin
一、矢量控制FOC
矢量控制(FOC, Field Oriented Control)在转子磁场定向的前提下,将定子电流分解成励磁分量和转矩分量,再利用PI调节器实现两者的独立调节得到参考电压,最后利用脉冲调制(SVPWM,Space Vector Pulse Width Modulation)生成参考电压矢量对应的六路开关脉冲去触发逆变器。矢量控制在国际上一般被称为磁场定向控制技术,即用电机自身磁场矢量的方向作为坐标轴的基准方向和坐标变换的方向来控制电动机电流的大小、方向的控制方法。

图1-1 异步电机转子磁场定向矢量控制框图
二、混合模型磁链观测器
转子磁链观测器利用定子电压、定子电流或转子转速信号观测出转子磁链的相位和幅值。如果转子磁链的相位观测不准,那么定子电流的励磁分量与转矩分量就不能实现完全的解耦,可能会造成系统的振荡甚至不稳定。如果观测出转子磁链的幅值偏小,会使得电机运行在弱磁状态,减小电机的带载能力;如果观测出转子磁链的幅值偏大,会导致过大的励磁电流,使电机的铁心饱和,严重时还会导致绕组过热而烧坏电机。因此决定整个矢量控制系统性能优劣的最为关键环节就是转子磁链观测器。

图2-1 混合模型磁链观测器控制框图
分别采用电压模型和电流模型的感应电机矢量控制在低速和高速时估计的转子磁链精度不高。在此基础上研究电压电流混合模型转子磁链观测器,使其在低速时采用电流模型,在高速时采用电压模型,两者能平滑过渡。根据磁链观测器结构,采用开环转速估计器,并做相应的抗噪声处理,使它结构简单,能满足动态和稳态的要求。
现有文献定义了一种统一的转子磁链特性方程,几乎所有的线性磁链观测器都可以用其表示,方程如下:

三、仿真建模与波形分析
由于篇幅原因,只比较低速区域下的磁链观测情况。

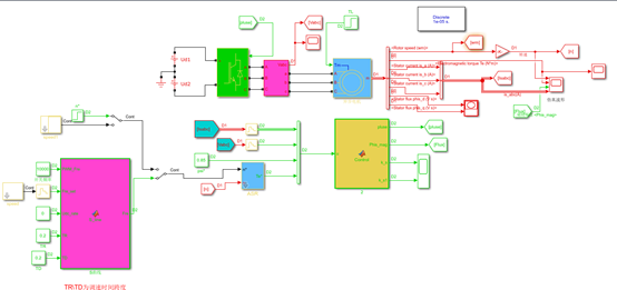
图3-1 基于混合模型磁链观测器的FOC控制仿真系统


从图(3-2)可知,电流型磁链观测器在低速区域的观测性能最好;电压模型磁链观测器在低速区域的观测性能最差;相反,在高速区域,电压模型的观测性能最好,电流模型的观测性能最差;混合模型磁链观测器的观测性能居中。

图3-3 基于混合模型磁链观测器的异步电机FOC控制系统仿真波形(1500r/min)
四、总结
混合模型磁链观测器集合了电流模型磁链观测器在低速区域的优点和电压模型磁链观测器在高速区域的优点,实现在全速范围内较为准确地观测转子磁链。
审核编辑:刘清
上一篇:SPI接口硬件设计介绍
下一篇:汽车自动空调基本结构及原理图解
从profibusDP转ModbusTCP,一网打尽转换技巧!