时间:2023-09-08 15:22
人气:
作者:admin
0. 概述
PWM控制型IGBT工作在斩波模式,使得IGBT本身自带干扰源属性,自扰与互扰系统中的其他设备。
随着近几年功率半导体器件的发展,像SIC、GAN等半导体器件的出现,提升开关速率降低了损耗,但却带来了EMI的巨大挑战。
以三相AC380V输入驱动器的轻载低频运行为例,其整流母线电压为DC513V左右,Vce的turn on/off时间达到了ns级,产生dv/dt约为几KV/us ~几十KV/us,dv/dt在回路中产生的共模噪声电流为几十A甚至100A以上,严重干扰周围设备,仅从路径上去抑制,需要付出巨大的滤波成本,所以IGBT的EMI抑制一直是业界的关注点。
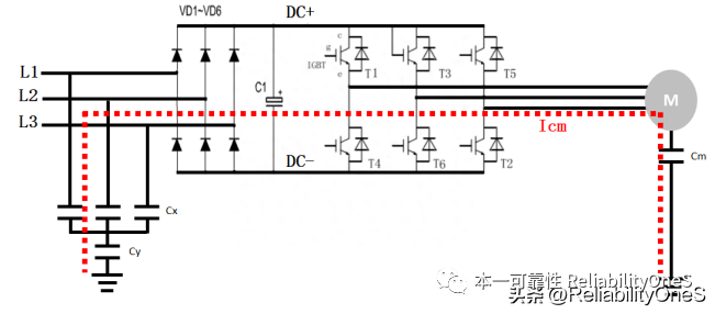
1. 驱动器共模噪声的回路示意图

干扰路径示意图

Cm测量示意图
参数说明:
2. 驱动器噪声电流及场强估算
示例:Cx=1uf,Cy=0.1uf,Cm=10nf,Vdc=500V,Tr=50ns,电机线长度1m;
(1)共模点估算:


Icm电流波形示意图
(2)3m远处共模辐射场强估算:

由估算结果可知,共模电流峰值达到了百安级,3m远处电场强度达到了90dB,在产品认证及实际应用中需要付出更多的抑制代价。
3. 原理分析

共模电压等效简化电路

Vcm共模电压波形示意图
三相PWM脉冲之和不为0而形成的四电平阶梯波是产生驱动器共模干扰的本质原因。共模电压:

IGBT的Vce频谱特性:

Vce梯形波

梯形波频谱
4. 改变Vce的高频部分的频谱特性有二种方法
(1)改变幅值(B→A,使得f3→f1偏移)

幅值对频谱的影响
(2)改变turn on/off时间(图5:1/πtr→1/πtr1,使得 f1→f2偏移)

tr时间对频谱的影响
在实际应用中很难去改变幅值,所以把改变Vce频率特性的重任交给了turn on/off时间(也就是改变Vce的dv/dt)。
从profibusDP转ModbusTCP,一网打尽转换技巧!