时间:2023-08-28 16:08
人气:
作者:admin
随着汽车电子化的迅速发展,车规级晶振作为一种专为汽车应用设计的高性能元件,对于提升汽车电子系统的稳定性和可靠性起着关键作用。本文将深入介绍车规级晶振的概念、特点、应用和选择要点,帮助读者更好地了解和应用这一重要的汽车电子元件。
#01
车规级晶振概述
车规级晶振是专为汽车应用而设计的晶振,符合汽车行业的严格标准和要求。与普通晶振相比,车规级晶振在稳定性、可靠性和耐受性方面具有更高的性能。它经过严格的测试和验证,以适应汽车工作环境的挑战,包括温度变化、振动和电磁干扰等。
#02
车规级晶振特点
车规级晶振具有多种特点,使其成为汽车电子系统的理想选择。首先,它具有卓越的频率稳定性,能够提供高精度的时钟信号和频率参考。其次,车规级晶振具备较低的相位噪声和频率漂移,确保信号传输的准确性和稳定性。此外,车规级晶振具有良好的抗振动和抗冲击能力,能够在恶劣的道路条件下保持正常运行。
#03
车规级晶振应用
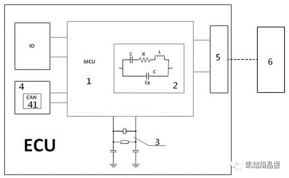
车规级晶振在汽车电子系统中应用广泛,涵盖多个关键领域。首先,它在发动机控制单元(ECU)中发挥重要作用。车规级晶振提供稳定的时钟信号和频率参考,确保发动机的精确控制,包括燃油喷射、点火系统和排放控制。其高稳定性和准确性使发动机能够实现更高的性能和燃油效率。

其次,车规级晶振在车载信息娱乐系统中发挥关键作用。音频和视频系统需要精确的时序控制和同步信号,以实现高质量的音视频播放。车规级晶振提供稳定的时钟信号,确保音频和视频的同步性和准确性。
此外,车规级晶振还应用于车辆导航系统和通信模块。导航系统需要精确的时钟信号,以提供精准的定位和导航功能。通信模块依赖于稳定的时钟信号,确保可靠的数据传输和通信连接。
车规级晶振也广泛应用于车身电子系统,如安全气囊系统、防抱死制动系统(ABS)和车身稳定控制系统(ESC)。这些系统需要精确的时序控制和同步操作,以确保车辆在紧急情况下的安全性和稳定性。

#04
如何选择合适的车规级晶振
在选择适合的车规级晶振时,有几个关键因素需要考虑。首先是频率要求,根据具体应用确定所需的频率范围。其次是频率稳定性和精度,选择具有较低频率漂移和相位噪声的车规级晶振,以确保信号的准确性和稳定性。
此外,工作温度范围和环境适应能力也是重要考虑因素。车规级晶振应能在广泛的温度范围内正常工作,并具备抗振动和抗冲击的能力。
供应商的可靠性和产品质量也需要考虑。选择有经验和声誉良好的供应商,确保车规级晶振的品质和长期供应能力。凯越翔KYX品牌晶振就具备这样的特点。
#05
车规级晶振在车载方面应用
01 车载BMS :40M 3225 2016 10PPM 8PF等
02 车载蓝牙 :3225 16M 24M 12PF等
03 BCM :40M 3225 10PPM 8PF 等
04 车载360影像 :27M 3225 3.3V XO 、3215
05 汽车仪表 :25M 2520 1.8V XO、3225 20M
06 车载中控屏:40M 3225 10PPM 8PF
07 汽车钥匙:27.6M 3225
08 车载尾门 :3225 16M 12PF
09 娱乐中控 :40M 3225 10PPM 8PF
10 TPMS :24.305M 2016
11 电控模块:40M 3225 10PPM 8PF
12 安全带控制器 :20M 2016
13 DC-DC控制:25M 3225
综上所述,车规级晶振作为汽车电子系统中的重要元件,对提升稳定性和可靠性起着关键作用。其卓越的性能特点使其广泛应用于发动机控制、车载信息娱乐、车辆导航和通信模块等关键领域。选择适合的车规级晶振需要考虑频率要求、频率稳定性、工作环境适应能力和供应商的可靠性等因素,以确保汽车电子系统的高性能和可靠性。
审核编辑:刘清
从profibusDP转ModbusTCP,一网打尽转换技巧!