时间:2022-11-04 17:03
人气:
作者:admin
CS8.1是一款USB 2.0高速4端口集线器控制器,具有支持GSMA“通用充电解决方案”(UCS)的特殊功能。它是
完全符合USB-IF“通用串行总线规范修订版2.0”和“电池充电规范修订版1.1/1.2”。
CS8.1是用于USB 2.0 4端口集线器的高度集成、高质量和高性能解决方案。其占地面积小,功耗极低,是嵌入式应用程序和独立集线器的最佳选择。
CS8.1的高质量由具有全面扫描链的测试设计和内置自检模式保证,该模式可在封装和测试阶段使用所有高速、全速和低速模拟前端(AFE)组件。
CS8.1可选择性配置为支持USB-IF电池充电规范定义的下游端口充电。具有此功能
启用后,USB集线器可以轻松转换为充电站–USB充电集线器适用于通用充电解决方案兼容的基于电池的便携式设备。
CS8.1特征
完全符合通用串行总线规范修订版2.0(USB 2.0);
面向上游的端口支持高速(480MHz)和全速(12MHz)模式;
4个面向下游的端口支持高速、全速和低速(12MHz)模式;
符合通用充电解决方案和USB电池充电规范1.1/1.2。
集成USB 2.0收发器;
集成上游1.5KΩ上拉、下游15KΩ下拉和串行
电阻器;
集成5V至3.3V和1.8V稳压器;
带电源故障检测电路的集成上电复位;
集成12MHz振荡器,带反馈电阻和晶体负载电容器;
集成12MHz至480MHz锁相环(PLL);
支持UCS的集成便携式设备检测电路;
CS8.1管脚配置:

CS8.1管脚说明:


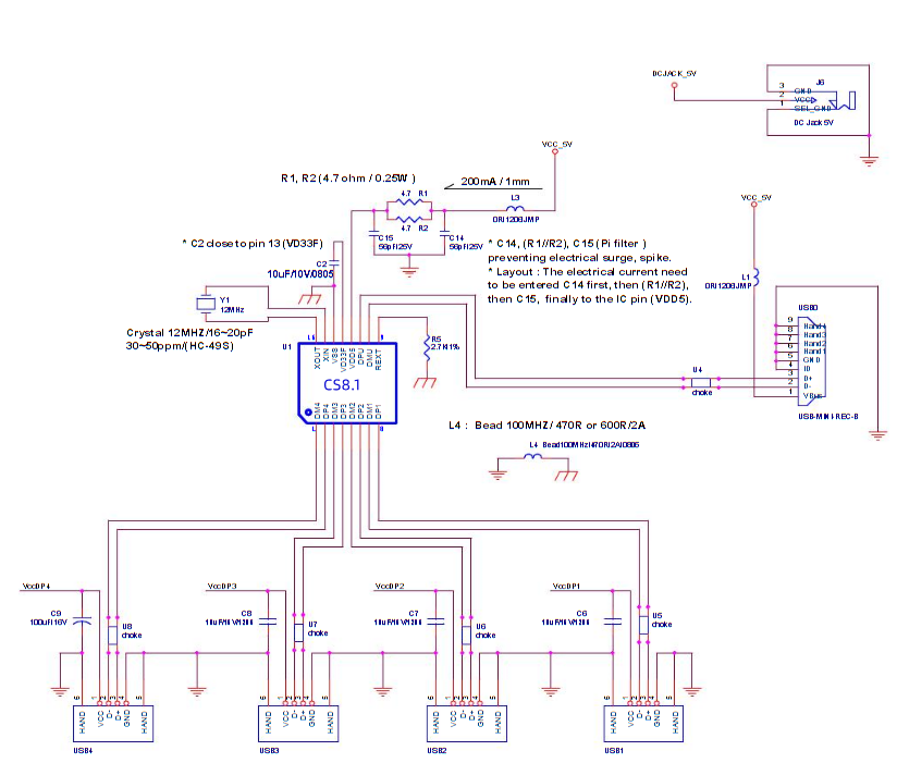
CS8.1设计USB HUB t拓展坞方案一拖四可替代FE8.1方案原理图如下所:
从profibusDP转ModbusTCP,一网打尽转换技巧!