时间:2023-07-27 15:54
人气:
作者:admin
电源对电子设备的重要性不言而喻,它是保证系统稳定运行的基础,而保证系统能稳定运行后,又有低功耗的要求。在很多应用场合中都对电子设备的功耗要求非常苛刻,如某些传感器信息采集设备,仅靠小型的电池提供电源,要求工作长达数年之久,且期间不需要任何维护;由于智慧穿戴设备的小型化要求,电池体积不能太大导致容量也比较小,所以也很有必要从控制功耗入手,提高设备的续行时间。

STM32的备份域包括LSE振荡器、RTC、备份寄存器及备份SRAM这些器件,这部分的电路可以通过STM32的VBAT引脚获取供电电源,在实际应用中一般会使用3V的钮扣电池对该引脚供电。
在图中备份域电路的左侧有一个电源开关结构,它的功能类似图中的双二极管,在它的上方连接了VBAT电源,下方连接了VDD主电源(一般为3.3V),右侧引出到备份域电路中。当VDD主电源存在时,由于VDD电压较高,备份域电路通过VDD供电,当VDD掉电时,备份域电路由钮扣电池通过VBAT供电,保证电路能持续运行,从而可利用它保留关键数据。

在STM32的电源系统中调压器供电的电路是最主要的部分,调压器为备份域及待机电路以外的所有数字电路供电,其中包括内核、数字外设以及RAM,调压器的输出电压约为1.2V,因而使用调压器供电的这些电路区域被称为1.2V域。

调压器可控制调节供电电路使系统运行在“运行模式”、“停止模式”以及“待机模式”下:
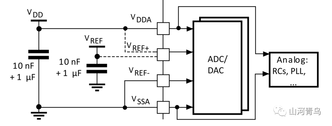
为了提高转换精度,STM32的ADC配有独立的电源接口,方便进行单独的滤波。ADC的工作电源使用VDDA引脚输入,使用VSSA作为独立的地连接,VREF引脚则为ADC提供测量使用的参考电压。

很多单片机都有低功耗模式,STM32F4 也不例外 ,运行状态下的 HCLK 为 CPU 提供时钟,内核执行程序代码。当 CPU 不需继续运行时,可以利用多个低功耗模式来节省功耗,例如等待某个外部事件时。 STM32F4 按功耗由高到低排列具有运行、睡眠、停止和待机四种工作模式。 上电复位后STM32处于运行状态时,当内核不需要继续运行,就可以选择进入后面的三种低功耗模式降低功耗,这三种模式中,电源消耗不同、唤醒时间不同、唤醒源不同,用户需要根据应用需求,选择最佳的低功耗模式。这三种低功耗模式层层递进,运行的时钟或芯片功能越来越少,因而功耗越来越低。
从profibusDP转ModbusTCP,一网打尽转换技巧!