时间:2023-07-11 10:35
人气:
作者:admin
1
逆变的拓扑结构
就变频器的逆变部分拓扑结构也是多种多样,通常按照输出侧相对于直流母线的电平数量区分,比如两电平、三电平、甚至多电平,当然电平数越多,电路越复杂;加上电压等级、功率密度等等因素,所采用的开关器件也大不一样, 比如IGBT、IGCT、IEGT、SIT、SITH等等。
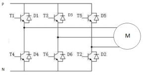
在电压源型变频器逆变回路中,最常见的就是两电平拓扑结构,相信各位同仁对下面这张图应该不陌生吧。

这就是逆变桥的主回路拓扑结构,顺便回顾一下主回路逆变桥的功率器件:
1 )六单元 模块:每个模块由六个IGBT集成到一起,常用于小容量变频器。
2)七单元 模块:每个模块由七个IGBT集成到一起,其中第七个IGBT用作制动回路,此种形式的模块,常用于小容量变频器。
3)两单元模块:最常见的IGBT组成形式。
4)一单元模块:通常大功率IGBT为单管形式。
5)智能模块(IPM),有些厂家将IGBT的驱动电路、保护电路集成到模块里边,做成一体化功率模块,使得变频器开发更加容易,可靠性也相对提高。
6)对于每个桥臂反向并联的二极管主要功能有:在电机工作于发电状态时,回馈能量到直流母线, 相当于一个三相六脉动整流桥;另外就是在IGBT关断过程中,由于电机感性负载的存在,瞬间产生高的尖峰电压,通过反并联的二极管吸收掉,对IGBT起到保护作用。
2
变频器的维修
我们大多同仁对硬件的维修感兴趣,甚至总想尝试修复一台损坏的变频器,才有成就感,可以理解这种心情,比如用万用表简单测试逆变桥反并联二极管特性,间接反映IGBT的好坏,测量三相输出有没有短路等等,这种方式可以帮助我们分析问题,比如说变频器发生了过流故障、接地故障,这可能有IGBT硬件损坏情况;单靠一块万用表的测试手段还是很有限的,到底管子特性发生了什么变化?如果重新装到机器上能否承受高电压、大电流?在这里不建议工程师自己拆机维修,有可能故障扩大化,建议联系厂家,毕竟每个厂家有自己专业的工装及测试台,我们自己的测试手段太泛泛了,切忌!

3
制动单元选型
说到制动单元,可以简单理解成一个电子开关,开关条件是直流母线电压的限值。大家先看一下变频器中能量的流向,电动 状态,电能从电网流向直流回路,直流通过逆变桥流向电机,电机输出机械能;回馈状态,当电机拖动位能性负载,或者拖动大惯性负载急降速时,负载拖动 电机,电机处于发电状态,机械能转化为电能,通过逆变桥的二极管向直流回路回馈电能,同时直流环节的电压升高,由于电容容量所限,器件耐压所限,所以直流电压不能无限制升高,此时制动单元开通,将制动电阻接入,将电能转换成热能,实现电机的快速制动。
制动单元使用需要注意的问题:
1)比如制动电阻阻值选配不合适,电阻阻值过大,制动效果差,电阻阻值过小,导致流过制动单元的电流过大, 可能导致制动单元损坏。
2)制动电阻功率选配不合适,比如功率选择过小, 电阻可能烧毁,最合理的功率选配,要根据电机回馈时的峰值功率和平均功率计算。
3)制动电阻的工作实际上是斩波动作的,如果接线错误,比如直接连接到了直流母线上,可能导致电阻红热甚至烧毁,整流桥损坏、前级开关跳闸等等。
4)制动电阻需要增设温度保护回路,并且连锁到进线开关,防止在制动回路异常时,断开主回路,防止问题扩大化。
5)通常变频器选型样本上提供了制动电阻参数,阻值需要 严格一致,功率要根据实际回馈功率选择,需要考虑制动时的峰值功率、平均功率以及90秒的重复周期。

从profibusDP转ModbusTCP,一网打尽转换技巧!