时间:2023-07-04 11:35
人气:
作者:admin
RS-485 接口因其稳健性和长距离通信能力而广泛用于工业应用。自 RS-485 标准于 1998年推向市场以来,电子系统的尺寸和复杂性不断增加。许多终端设备(例如电机驱动器、PLC 和工业 PC)现在都需要高速 (》10Mbps) 通信。TI 的THVD1550 是新款 TI RS-485 收发器,可支持高达 50Mbps 的数据速率。在本文中,我将向您展示如何评估 THVD1550在这种高速传输下的功率耗散。这样,您可以了解功率消耗情况并评估系统的热性能。
要计算功率损耗,您可以将功率分成几个部分。成功评估每个部分后,将所有部分相加可得到总功率。当器件在没有外部负载的情况下上电时,该集成电路 (IC)
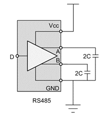
本身会消耗功率。如果您在其输出引脚上添加负载,该器件会提供驱动负载的功率。由于 RS-485 具有差分信号,负载通常加在 A 和 B 引脚之间。
进一步研究负载,您可以将负载分为两种类型:阻性和容性。阻性负载本身会消耗一些功率,而容性负载仅在其极板之间传输能量,无任何能量损失。由于每种类型的特性不同,功率计算方式有所不同。
图 1 是三种类型的功率耗散图。

图 1:典型 RS-485 收发器的电流流动
PDic(蓝色)是器件自身消耗的功率。PDdc(红色)是来自阻性负载的功率,PDac(绿色)是来自容性负载的功率。总功率是所有这三个部分的总和,使用公式
1 计算得出。

要计算 PDic,您可以使用数据表中的静态电源电流值 Icc。THVD1550 中的典型值为 700µA。(在本文中,我将使用典型值;例如,Vcc 为5V。)根据电压和电流值,可以使用公式 2 计算器件功率。

如果在总线上放置阻性负载,驱动器会在阻性负载上产生电压 (Vod)。RS-485 标准要求 54Ω 电阻上的最小 Vod 为1.5V。在典型情况下,THVD1550 的驱动器在 54Ω 上产生 2.7V,这意味着器件电流为 50mA。
这里重要的是,您需要区分负载的功率耗散和器件的功率。要了解器件的热性能,只需关注器件的功率。因此,公式 3 从电源总功率 (Vcc*I)
中减去负载功率 (I2*R):

下面,我们来看看开关功率,即驱动容性负载所需的功率。为了简化计算,将差分电容器分成两个接地的单端电容器(图 2)。

图 2:典型 RS-485 收发器的等效容性负载
每个电容器上的信号幅度为 Vod,频率为数据速率的一半(图 3)。尽管 A 和 B 引脚上的电压相反,但它们消耗的功率相同。

图 3:RS-485 收发器输出引脚的信号
在这里,您还需要考虑器件的寄生电容。在一些数据表中,它被称为 Cod。我们取 SN65HVD82 的典型值 8pF。假设负载电容为 50pF。现在,图2 中每个电容器 C 的容值是 50pF + 8pF 之和。开关功率与频率和振幅有关。在每次充电期间,从电源消耗的能量等于公式 4:

其中 Vc 是电容器上的电压。
在每一时刻,流过电容器的瞬时电流为 C(dVc/dt)。您可以对一段时间内的瞬时功率进行积分,得出为电容器充电所需的能量。因此,可通过公式 5计算驱动容性负载的功率:

在得出所有三个部分耗散的功率值后,公式 6 可计算出总功率为:

在 THVD1550 数据表的第 7.5 节中,表格显示了器件功率耗散的测试数据,其中电源电压为 5.5V,温度为 125°C,数据速率为50Mbps,这是一种最坏情况。这些值包括一些非理想因素,如直通电流,因此可用于评估系统设计中器件的最大功率耗散。
从profibusDP转ModbusTCP,一网打尽转换技巧!