时间:2023-05-06 10:50
人气:
作者:admin
USB Type-C®端口和电缆的普及
自 90 年代早期发展以来,USB 逐渐变得更快、更小、更强大,并且随着它在现代电子设备和设备中的普及而不断发展。标准和规范的最新更新导致对USB Type-C或USB-C的需求激增,使其成为在各种计算设备之间移动电源和数据的先驱和标准。
如今,使用USB供电(PD)的基于USB Type-C端口的充电器越来越受欢迎,而不是用于为笔记本电脑,显示器和平板电脑等设备以及功率范围从5瓦(W)到100W的智能手机等设备充电或供电的传统充电器。较新的版本将获得更高的功率水平,范围从140-240W。即使是更小、更低功耗的手持设备,如耳机和可穿戴电子设备,也正在转向基于 USB Type-C 的充电系统,因为 USB-C 具有小尺寸和灵活性。
为了执行传统的USB功能,客户不仅需要USB来满足其数据要求,还需要毫不费力地为其设备供电或充电。在这篇文章中,了解我们高度灵活的USB PD双端口参考设计,支持USB 3.0,如何实现有效的应用。
USB 的设计优势
现在需要更高的电压和功率水平,以满足USB PD充电器对快速充电和高功耗设备的需求。随着USB PD相对于传统充电方法的不断发展和发展,了解USB PD设计可以克服的不同挑战非常重要。
USB PD 利用电源规格提供高达 100W 的功率,并通过 USB-C 电缆和连接器支持 9V、15V 和 20V。事实上,USB PD 修订版 3.1 规范是一项重大改进,允许通过全功能 USB Type-C 电缆和连接器提供高达 240W(48V)的功率。基于 USB PD 的充电器为各种电子设备充电或供电的宽功率范围如下:
| USB PD 功率范围 | 固定电压 | 电流范围 | 示例设备 |
| 0.5–15W | 5V | 0.1–3.0A | 耳机、小型 USB 配件 |
| 15–27W | 9V | 1.67–3.0A | 智能手机、相机、无人机 |
| 27–45W | 15V | 1.8–3.0A | 平板电脑、小型笔记本电脑 |
| 45–100W | 20V | 3.0–5.0A(仅限额定电缆) | 大型笔记本电脑、显示器 |
我们基于 USB PD 3.0 的参考设计支持高达 100W 的功率,并为客户提供可扩展性和灵活性,以便根据需要轻松升级。
借助USB PD,连接的设备可以根据电源要求或角色充当电源或电源接收器/负载。这有助于消除对不同设备的不同电源适配器和充电器的需求。例如,由墙上的标准交流电源供电的显示器可以为笔记本电脑供电/充电;使用USB PD和墙上电源的手机可以在显示的同时为笔记本电脑供电或充电。这大大提高了便利性,同时减少了电子废物,这是USB PD设计的共同主题。视频通信、数据传输和电源均使用单个USB终端实现,提供无缝和同步传输。
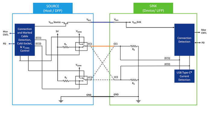
USB 连接中的数据/电源流
USB 连接中有三种不同类型的数据流和电源流。如果我们看一下电源角色,接收器端口是连接下游并从 VBUS 接收电源的端口。通常,电子设备包括灌电流端口。源端口通过 VBUS 供电。壁式充电器是包含源端口的单元的示例。此外,双角色电源 (DRP) 端口可用作接收器或源,在两种状态之间交替使用。一种常见的情况是笔记本电脑,它包含一个DRP端口,用于接收电源为电池充电,同时还能够提供电源并为外部设备或配件充电。
现在查看数据角色,面向下游的端口 (DFP) 是集线器或主机上的端口,设备通过提供 VBUS 电源(设备和主机之间的路径)连接到该端口并向下发送数据。坞站是 DFP 的一个示例。面向上游的端口 (UFP) 连接到集线器或主机的 DFP,并在设备上接收数据,通常接收 VBUS。显示监视器是 UFP 的一个示例。双重角色数据 (DRD) 端口可以作为 DFP 或 UFP 运行,端口的初始电源角色由首次连接时的角色确定。例如,源端口承担 DFP 的数据角色,而接收器端口承担 UFP 的数据角色,但数据角色是动态交换的,就像在具有 DRD 端口的智能手机、笔记本电脑和平板电脑中一样。

图 1:USB-C:主机到设备的连接
随着电子和技术的复杂性不断进步,USB的标准也在不断发展。接口计算机和设备的新特性和功能正在稳步引入,以克服可预见的挑战。例如,USB PD 版本 3.0 规范中定义了快速角色交换 (FRS),以防止集线器及其设备在移除电源时遇到数据通信中断。发生这种情况时,主机会将其电源角色从接收器更改为源,并且 DRP 集线器开始吸收电源并继续运行,尽管发生断电事件。
为了满足对更高效设备充电日益增长的需求,定义了可编程电源(PPS)标准。在PPS的帮助下,可以根据每10秒交换的数据实时改变电流和电压。这允许根据设备的充电状态提供最大功率。这不仅有助于实现更快的充电速度,还有助于降低充电过程中的转换损耗,从而降低发热并延长电池寿命。
USB的不同应用
智能手机、平板电脑、笔记本电脑和台式机是 USB 充电的一些常见应用。然而,汽车的现代化现在需要安装内置于控制台中的USB-C端口。每年生产的汽车往往平均有四个端口,每个端口根据所制造的汽车的大小而变化。甚至没有提到只有充电USB端口的第二排和第三排座椅,汽车为USB Type-C不断增长的市场量做出了巨大贡献。我们开发了自己的USB PD设计,可在双端口模式下提供高达90W的功率,并支持9-18V的汽车应用。
双端口 USB-C PD 参考设计
我们提供基于 DSPIC33CK128MP505 单核数字信号控制器 (DSC) 的 USB-C PD 参考设计。这种高度灵活的基于软件的解决方案除了过压和过流保护等标准功能外,还实现了热管理和电荷平衡。该设计可为汽车应用支持 9-18V 输入,在双端口模式下可提供高达 90W 的功率。我们的综合解决方案根据最新的 USB 3.0 规范进行了更新,包括一个 MCP16331 降压稳压器、一个 MCP1755 LDO、两个 MCP14700 半桥栅极驱动器和 UPD350B 收发器,为灌电流、拉电流、DRP、FRS 和 PPS 提供全面支持。

图2.双端口 USB-C® PD 参考设计

图3.差异化特性(USB-C PD 参考设计)
结论
在为现代电子设备供电和传输数据方面,USB-Type C 因其灵活性和可扩展性而成为每个人的首选。随着它的普及,我们将继续看到USB-C端口数量的增加,特别是对于供电(USB PD)应用。我们的成本和性能优化参考设计与dsPIC33控制器的最佳外设和软件灵活性相结合,可以帮助您进行下一个USB设计,并有助于加速开发。
审核编辑:郭婷
上一篇:AXI协议的几个关键特性
从profibusDP转ModbusTCP,一网打尽转换技巧!