时间:2023-03-23 10:27
人气:
作者:admin
RS-485收发器相关问题已经困扰您许久?别担心!本文就常见问题提供了一些见解,对于想要了解这一既定通信标准的人来说,相信会为您提供帮助!
1. 何时需要在RS-485总线上端接,以及如何正确端接?
RS-485总线端接在许多应用中均很有用,因为此方式有助于提高信号完整性并减少通信问题。“端接”是指将电缆的特征阻抗与端接网络匹配,使总线末端的接收器能够观察到最大信号功率。未端接或端接不当的总线将无法很好的匹配,从而在网络末端产生反射,导致整体信号完整性降低。
在网络的双向环路时间远大于信号位时间时,无需终止,因为每次反射到达网络末端时,它们都会损失能量。但是,对于位时间基本上不长于电缆环路时间的应用,为使反射最小化,端接至关重要。
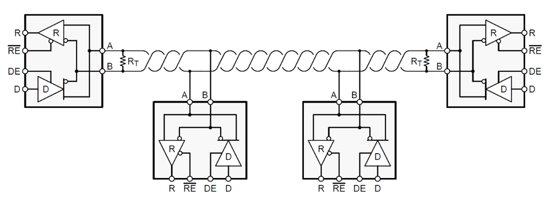
最基本的端接称为并联端接,由单个电阻组成,如图1所示。RS-485标准要求标称特性阻抗达到120Ω,因此端接电阻的默认值应为RT = 120Ω。

图1:具有并联端接的RS-485总线什么是故障安全偏置,如何实现?
2.什么是故障安全偏置,如何实现?
故障安全偏置是确保RS-485接收器不会因差分输入电压而处于不确定状态的一种方式。电子工业联盟(EIA)-485标准指出:当差分电压≥+ 200mV时,RS-485的输入阈值是逻辑高;差分电压≤-200mV时,RS-485的输入阈值是逻辑低,从而在高低阈值之间保持400mV的不确定状态。
可通过以下两种方式实现故障安全偏置:
选择在接收器中具有内置故障安全输入阈值的收发器。
添加外部电阻,以在空载总线上产生外部偏置。
两种方法都可以确保总线上的逻辑高状态。阅读博文:“RS-485基础:故障安全偏置网络的两种方法。
3. 如何计算RS-485总线上的最大节点数?
RS-485是多点差分总线,意味着总线上的所有节点都共享一个公共传输介质。随着节点总数增加,每个驱动器上的负载也将随之增加。
电信行业协会(TIA)/ EIA-485标准创建了一个假设的单位负载(UL),以帮助计算RS-485总线上的最大节点数。该标准规定:驱动器必须能够在最多32个单元负载上并行驱动至少1.5V差分信号,并在总线的两端分别连接两个120Ω终端电阻。
公式1表示输入电压除以漏电电流后最坏情况下的比值来计算输入电阻。在确定了节点的输入电阻后,可使用公式2计算RS-485总线上的最大节点数:
输入电阻=最大(VIN/Ileakage)(1)
节点数= 32 /输入电阻(2)
4. 如何了在恰当时间需要在节点之间添加一根地线?
设计远程数据链路时,必须假设存在一些接地电位差。这些电压会给发射机输出增加共模噪声Vn。即使总叠加信号处在接收机的输入共模范围内,依靠当地的地电位差作为返回电流的可靠路径也是不安全的。接地电位差(GPD)超出接收器的共模范围时(在长电缆和大电流负载的情况下经常发生),需要使用适当的接地技术。

图2:远程节点配置:独立的接地点(a);直接连接的远程接地(b);器件接地和本地系统接地的分离(c)
图2a所示为可能从电气安装的不同部分汲取功率的远程节点。对安装的任何变动(例如在维护工作期间)均可将GPD以至于超出接收器的输入共模范围的程度。因此可能会导致目前正工作的数据链路将来停止运行。
也不建议通过接地线直接连接远程接地(图2b),因为直接连接会导致大的接地回路电流作为共模噪声耦合到数据线。
为实现远程接地的直接连接,RS-485标准建议通过插入电阻器将设备接地与本地系统接地分开(图2c)。虽然这种方法降低了环路电流,但由于存在一个大接地环路使数据链路对环路其他地方产生的噪声保持敏感。因此,尚未建立稳定的数据链路。
要在强健的RS-485数据链路上远距离承受高达数千伏的GPD,最佳方法是将总线收发器的信号和电源线与其本地信号和电源进行电流隔离。这种情况下,电源隔离器(例如隔离的DC / DC转换器)和信号隔离器(例如数字电容隔离器)可防止电流在远程系统接地之间流动,并避免产生电流环路。
5. RS-485的长度与速度建议值是多少?
在额定的数据速率下,最大总线长度受限于传输线损耗和信号抖动。由于在波特率为10%或以上的抖动,数据可靠性急剧下降,因此图3所示为传统RS-485电缆在信号抖动10%的情况下的电缆长度与数据速率特性。

图3:电缆长度与数据速率建议
在图3上,标有1号的圆圈代表电缆长度较短时的高数据速率区域。此处,可忽略传输线的损耗。数据速率主要取决于驱动器的上升时间。尽管该标准建议使用10 Mbps,但如今的快速接口电路可以高达50 Mbps的数据速率运行。
图3中的红色2号代表从短数据线到长数据线的过渡。必须考虑较长传输线的损耗。因此,随着电缆长度的增加,数据速率必须降低。根据经验,线路长度[m]与数据速率[bps]的乘积应为107。
红色的3代表低频范围,其中电缆串联电阻和线路端接的相互作用会导致信号衰减。在某个点,信号的振幅变得比接收机能够正常检测到的幅度要小(即不超过VIT阈值)。
6. 如何估计RS-485的功耗?
要计算功耗,可将功率分为几部分。当器件在没有外部负载的情况下通电时,功耗将用于集成电路本身。如果在输出引脚上增加负载,则驱动负载的功率将从器件中抽取。由于RS-485具有差分信号,因此负载通常添加在A和B引脚之间。
在图4中,蓝色轨迹,PDic,是器件消耗的功率。对于低数据速率,功耗主要来自电阻负载(红色迹线),PDdc。对于高数据速率,需考虑电容性负载的功耗(绿色迹线)PDac。

图4:计算功耗扇区
公式3计算总功耗为:
PDtotal = PDic + PDdc + PDac (3)
如需计算总功耗,必须首先计算出每个部分的功率。器件功耗参见公式4,其中静态电源电流Icc在数据手册中指定:
PDic = Vcc*Icc (4)
如果将电阻性负载置于总线上,驱动器会在其上产生一个电压(Vod),如公式5和6所示,其中C是寄生电容,它包括收发器的电容、负载的电容和迹线电容。数据频率f也包括在计算中。
PDdc = Vcc*I – I2*R = (Vcc – I*R)*I (5)
PDac = 2*2C*f*Vcc*Vod (6)
阅读博文:“如何计算高速RS-485收发器的功耗”。
7.如何保护RS-485接口免受静电释放(ESD)影响?
ESD保护有多种类型,包括人体模型、国际电工委员会(IEC)接触放电和IEC气隙放电。如果一个收发器具有集成了IEC ESD(例如德州仪器的THVD1450或THVD1500),则无需外部组件就可在指定收发器的电平上保护RS-485接口免受ESD的影响。
例如,在没有任何外部元件的情况下,THVD1450可以支持18-kV IEC 61000-4-2接触放电。市场上许多器件都没有这种集成,因此需要外部瞬态电压抑制(TVS)二极管。阅读博文:“如何根据额定电压为RS-232、RS-485和CAN选择TVS二极管。”
8. 如何了解是否需要外部TVS二极管?
工业网络必须在恶劣的环境中可靠运行。由ESD、感应负载的切换或雷击引起的电气过应力瞬变会破坏数据传输并损坏总线收发器,除非采取有效措施来减少瞬态影响。
德州仪器器件已根据以下标准进行了测试:
IEC 61000-4-2的ESD抗静电测试,模拟了操作员直接向相邻电子部件施加静电。THVD1500和THVD1450已通过此标准测试。
IEC 61000-4-4-4的电气快速瞬态(EFT)或突发抗扰度测试,模拟了因感应负载中断、继电器触点弹跳等引起的日常开关瞬变。THVD1450和THVD1550已通过此标准测试。
就电流和持续时间而言,电涌抗扰度测试IEC 61000-4-5是最严格的瞬态抗扰度测试,约比ESD和EFT测试时间长1000倍。THVD1429和THVD1419已通过此标准测试。
德州仪器的THVD系列最新的RS-485收发器根据这些标准集成了各种保护级别,且无需额外的外部保护。保护级别在器件数据表中指定。
9. 如何防止高电压短路?
在许多RS-485应用中,存在着不慎将通信线连接到电源线的风险。这种风险在现场安装的系统中特别高,如HVAC系统、照明控制或其他楼宇自动化应用等现场安装的系统中。这些情况下,必须确保RS-485收发器不会损坏,以避免昂贵的现场退货和重新安装风险。
虽然像TVS二极管之类的箝位元件能够限制瞬态事件中收发器观察到的最大电压,但它们通常无法防止较长时间的应力(例如DC短路)。为防止这些情况,需要一些串联限流元件。一种典型的方法是使用正温度系数(PTC)电阻器。该电阻在标称条件下的电阻较低,但在故障条件下,当大电流流过时(例如,流过TVS等箝位装置),电阻就会变大。德州仪器参考设计“保护RS-485收发器免受持续高电压/电气过应力的参考设计”中可看到使用THVD1500收发器的实现方式的示例。
但是,使用这些额外的串联限流和并联电压箝位元件可能会很昂贵,并占用宝贵的PCB空间。因此,大多数情况下,更优化的方法是使用能够耐受这些高故障电压而无需外部保护的收发器。THVD2450就是一个示例。其额定承受直流短路电压可达+/- 70V。
审核编辑:郭婷
从profibusDP转ModbusTCP,一网打尽转换技巧!